Curiosii for ever!
: Car repair manuals for everyone.
Home
>>
Dodge
>>
2013
>>
Avenger L4-2.4L
>>
Repair and Diagnosis
>>
Transmission and Drivetrain
>>
Automatic Transmission/Transaxle
>>
Transmission Speed Sensor
>>
Service and Repair
>>
40TE Automatic Transaxle
>>
Output Speed Sensor - Installation
Output Speed Sensor - Installation
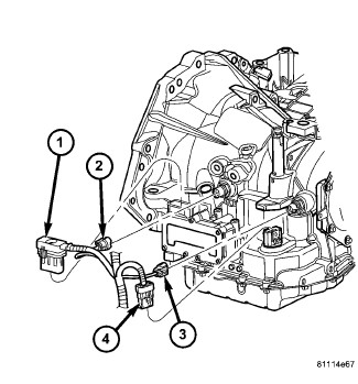
INSTALLATION
1.
Verify O-ring (2) is installed into position.
2.
Install and tighten output speed sensor (1) to 27 Nm (20 ft. lbs.).
3.
Connect output speed sensor connector (3).
4.
Connect battery negative cable.