Checking The Charging System Operation
CHECKING THE CHARGING SYSTEM OPERATION
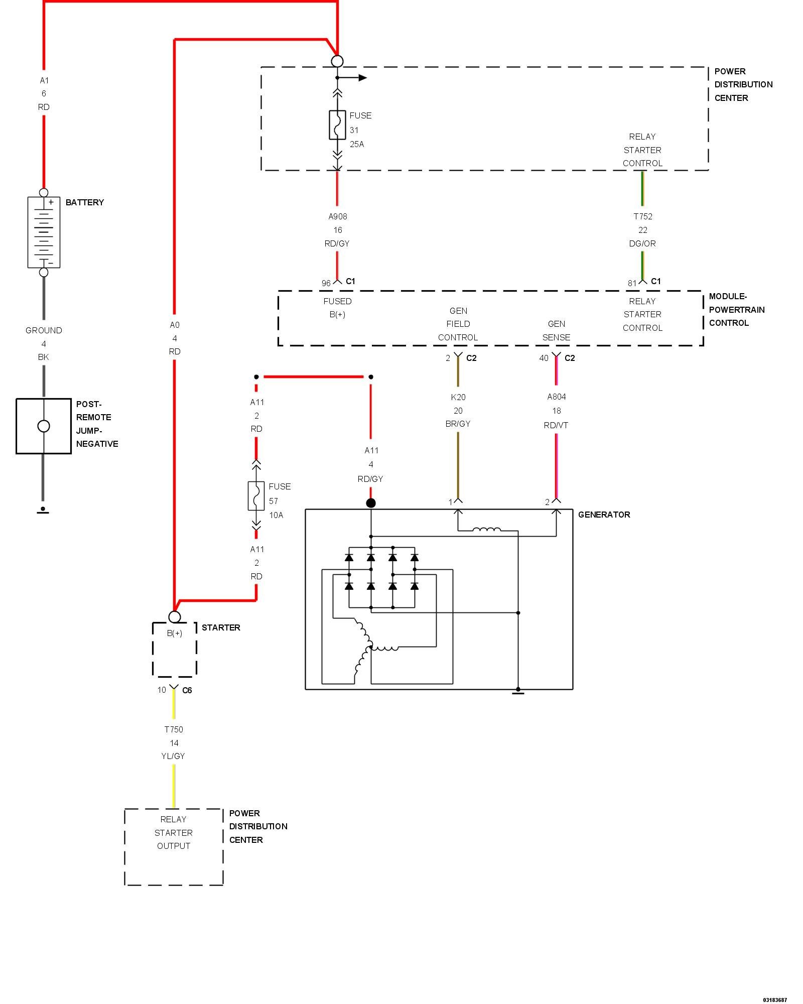
For a complete wiring diagram, refer to the Wiring Information.
1. GENERATOR FULL FIELD TEST
NOTE: Diagnose and repair any generator sense or field control circuit DTCs before proceeding with this test.
1. Start the engine and allow it to reach operating temperature.
WARNING: When the engine is operating, do not stand in direct line with the fan. Do not put your hands near the pulleys, belts or fan. Do not wear loose clothing. Failure to follow these instructions may result in possible serious or fatal injury.
2. With the scan tool, perform the Generator Full Field test. Follow the instructions displayed on the scan tool.
3. Monitor the system (battery) voltage and the generator sense voltage on the scan tool while performing the test.
NOTE: With the engine running, the difference between the system (battery) voltage and the generator sense voltage should be below 2 Volts.
NOTE: With the generator field fully actuated, the system (battery) voltage should be above 14.0 Volts.
NOTE: With the generator field actuated off, the system (battery) voltage should be below 13.0 Volts, and eventually drop as battery load is increased.
Did the system voltage change as described above during the Generator Full Field test?
Yes
- Test complete.
No
- Go To 2
2. CHARGING SYSTEM INSPECTION
1. Inspect and test the battery.
2. Inspect the generator drive belt for proper alignment and adjustment.
3. Inspect the vehicle for aftermarket accessories that may exceed the generator system output.
4. Inspect the fuses in the PDC. If an open fuse is found, use the wire diagram/schematics as a guide and inspect the wiring and connectors for a damaged or shorted circuit.
Were any problems found?
Yes
- Repair as necessary.
No
- Go To 3
3. BATTERY POSITIVE (+) CIRCUIT HIGH RESISTANCE
NOTE: Make sure all testing equipment and cables are clear of any engine parts before starting the engine.
1. Start the engine.
WARNING: When the engine is operating, do not stand in direct line with the fan. Do not put your hands near the pulleys, belts or fan. Do not wear loose clothing. Failure to follow these instructions may result in possible serious or fatal injury.
2. Measure the voltage between the B (+) Terminal at the Generator and the Battery Positive (+) Post.
Is the voltage below 0.25 Volt?
Yes
- Go To 4
No
- Repair the battery positive (+) circuit between the generator and battery for high resistance.
- Perform the POWERTRAIN VERIFICATION TEST. Powertrain Verification Test.
4. GENERATOR CASE GROUND HIGH RESISTANCE
NOTE: Make sure all testing equipment and cables are clear of any engine parts before starting the engine.
1. Start the engine.
2. Measure the voltage between the Generator case and the Battery Negative (-) post.
Is the voltage below 0.25 Volt?
Yes
- Go To 5
No
- Repair the Generator Case ground for high resistance.
- Perform the POWERTRAIN VERIFICATION TEST. Powertrain Verification Test.
5. (A908) FUSED B(+) CIRCUIT HIGH RESISTANCE
1. Turn the ignition off.
2. Using a Voltmeter, perform a voltage drop test by probing the battery positive (+) terminal and the appropriate terminal(s) of the PCM. Make sure the Voltmeter leads are connected so that positive polarity is displayed on the voltmeter.
3. Start the engine.
Is the voltage below 0.25 Volt?
Yes
- Go To 6
No
- Repair the (A908) Fused B(+) circuit(s) for high resistance.
- Perform the POWERTRAIN VERIFICATION TEST. Powertrain Verification Test.
6. (A804) GENERATOR SENSE CIRCUIT HIGH RESISTANCE
1. Turn the ignition off.
2. Using a voltmeter, perform a voltage drop test by backprobing the (A804) Generator Sense circuit at the Generator harness connector and the PCM C2 harness connector. Make sure the voltmeter leads are connected so that positive polarity is displayed on the voltmeter.
3. Start the engine.
Is the voltage below 0.25 Volt?
Yes
- Go To 7
No
- Repair the (A804) Generator Sense circuit for high resistance.
- Perform the POWERTRAIN VERIFICATION TEST. Powertrain Verification Test.
7. GENERATOR
1. Turn the ignition off.
2. Disconnect the Generator harness connector.
3. Connect a 12-Volt test light connected between ground and the (K20) Gen Field Control circuit in the Generator harness connector.
4. Turn the ignition on.
5. With the scan tool, actuate the Alternator Field Control State to toggle.
NOTE: The test light should toggle on and off with the actuation.
NOTE: If a DTC is active, the actuation test may not be allowed by the PCM. If may be necessary to clear DTCs before starting the actuation.
Does the test light illuminate on and off with the actuation?
Yes
- Replace the Generator.
- Perform the POWERTRAIN VERIFICATION TEST. Powertrain Verification Test.
No
- Go To 8
8. (K20) GEN FIELD CONTROL CIRCUIT SHORTED TO VOLTAGE
1. Turn the ignition off.
2. Disconnect the PCM C2 harness connector.
3. Turn the ignition on.
4. Measure the voltage of the (K20) Gen Field Control circuit in the Generator harness connector.
Is there any voltage present?
Yes
- Repair the (K20) Gen Field Control circuit for a short to voltage.
- Perform the POWERTRAIN VERIFICATION TEST. Powertrain Verification Test.
No
- Go To 9
9. (K20) GEN FIELD CONTROL CIRCUIT SHORTED TO GROUND
1. Turn the ignition off.
2. Measure the resistance between ground and the (K20) Gen Field Control circuit in the Generator harness connector.
Is the resistance below 100 Ohms?
Yes
- Repair the (K20) Gen Field Control circuit for a short to ground.
- Perform the POWERTRAIN VERIFICATION TEST. Powertrain Verification Test.
No
- Go To 10
10. (K20) GEN FIELD CONTROL CIRCUIT OPEN OR HIGH RESISTANCE
1. Measure the resistance of the (K20) Gen Field Control circuit between the Generator harness connector and the appropriate terminal of the PCM C2 harness connector.
Is the resistance below 5.0 Ohms?
Yes
- Go To 11
No
- Repair the (K20) Gen Field Control circuit for an open circuit or high resistance.
- Perform the POWERTRAIN VERIFICATION TEST. Powertrain Verification Test.
11. CHECKING THE PCM POWER AND GROUND CIRCUITS
1. Inspect the PCM power and ground circuits.
Were any problems found?
Yes
- Repair the PCM power and ground circuit(s) as necessary.
- Perform the POWERTRAIN VERIFICATION TEST. Powertrain Verification Test.
No
- Go To 12
12. POWERTRAIN CONTROL MODULE (PCM)
1. Using the wiring diagram/schematic as a guide, inspect the wiring and connectors between the Generator and the Powertrain Control Module (PCM).
2. Look for any chafed, pierced, pinched, or partially broken wires.
3. Look for broken, bent, pushed out or corroded terminals.
4. Perform any Technical Service Bulletins that may apply.
Were any problems found?
Yes
- Repair as necessary.
- Perform the POWERTRAIN VERIFICATION TEST. Powertrain Verification Test.
No
- Replace and program the Powertrain Control Module (PCM). Powertrain Control Module - Removal.
- Perform the POWERTRAIN VERIFICATION TEST. Powertrain Verification Test.