Curiosii for ever!: Car repair manuals for everyone.

Automatic Transmission/Transaxle






SCHEMATICS AND DIAGRAMS




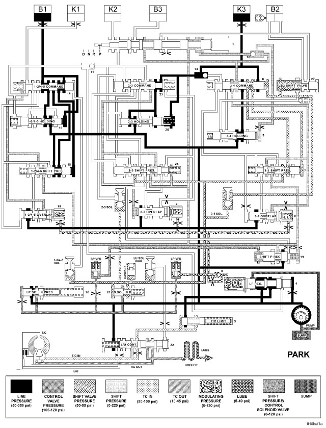
Figure 1 - HYDRAULIC FLOW IN PARK



Figure 2 - HYDRAULIC FLOW IN REVERSE - FAILSAFE



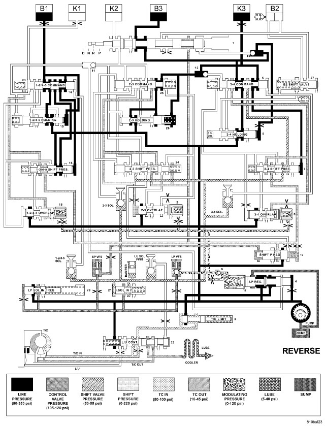
Figure 3 - HYDRAULIC FLOW IN REVERSE



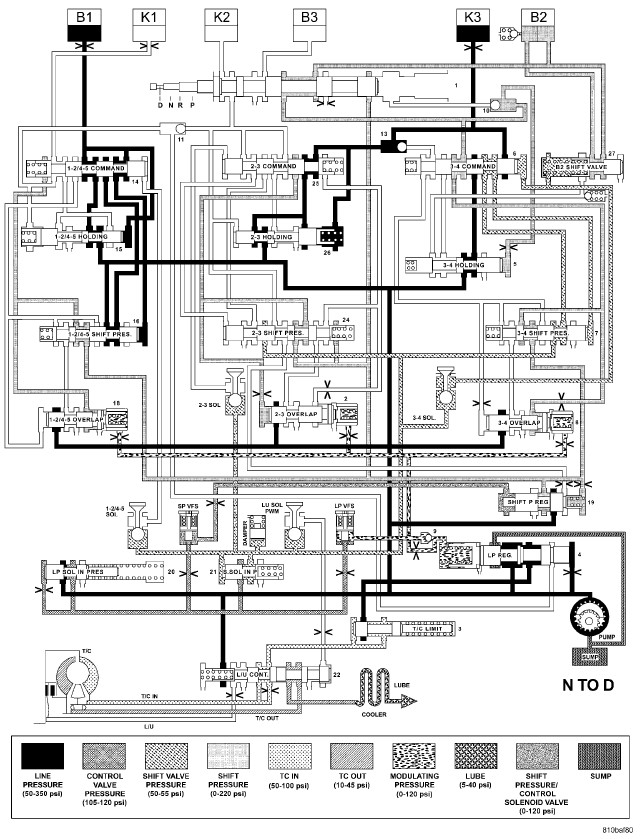
Figure 4 - HYDRAULIC FLOW IN NEUTRAL - DEFAULT



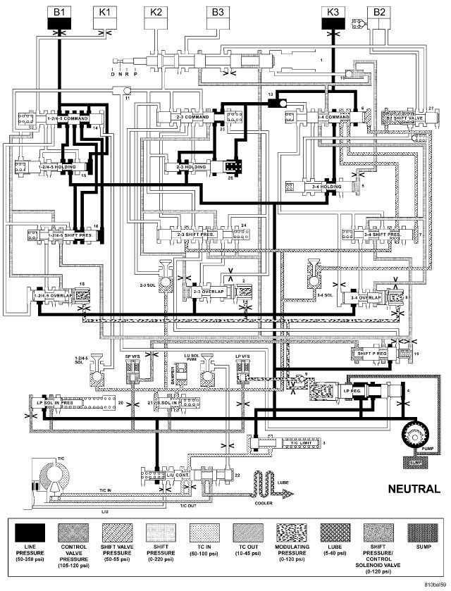
Figure 5 - HYDRAULIC FLOW IN NEUTRAL



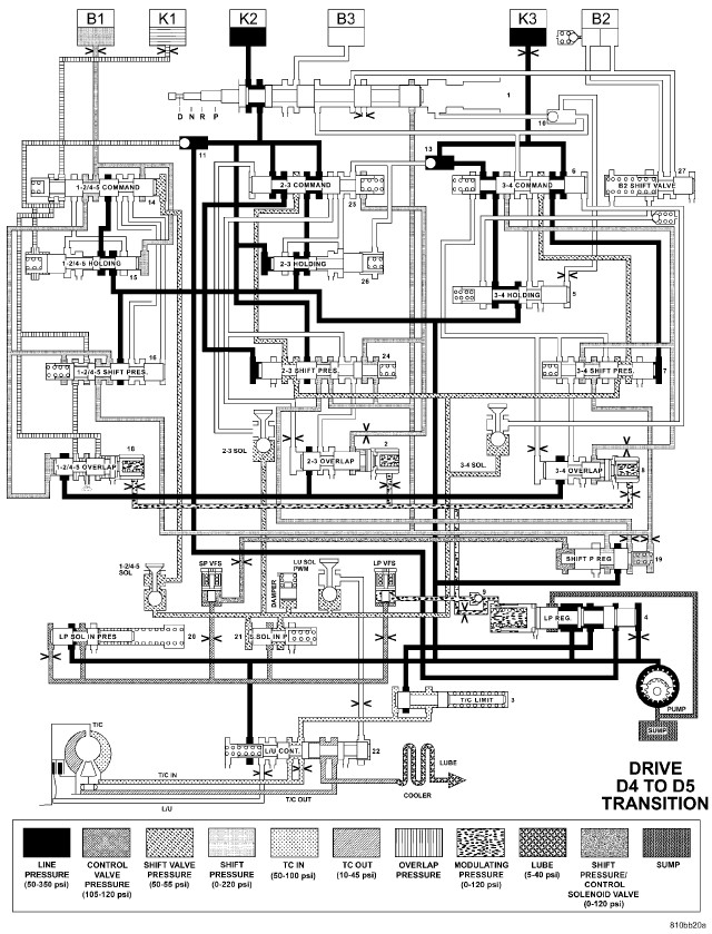
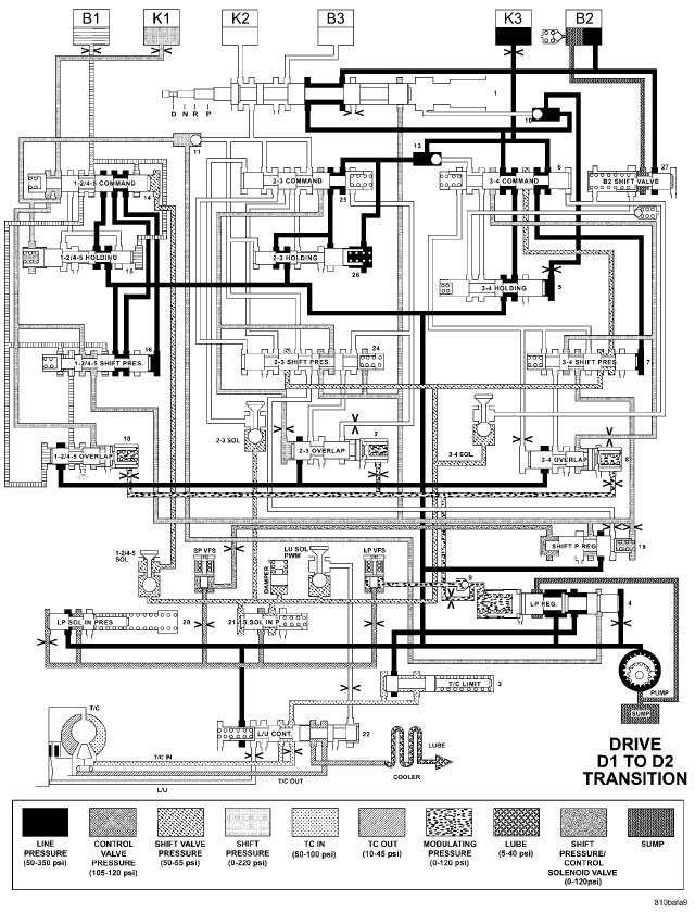
Figure 6 - HYDRAULIC FLOW IN NEUTRAL TO DRIVE TRANSITION



Figure 7 - HYDRAULIC FLOW IN DRIVE - FAILSAFE



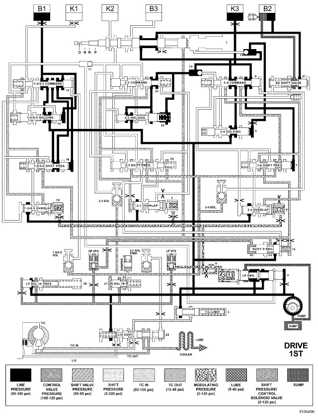
Figure 8 - HYDRAULIC FLOW IN DRIVE - FIRST GEAR



Figure 9 - HYDRAULIC FLOW IN DRIVE - FIRST TO SECOND GEAR TRANSITION



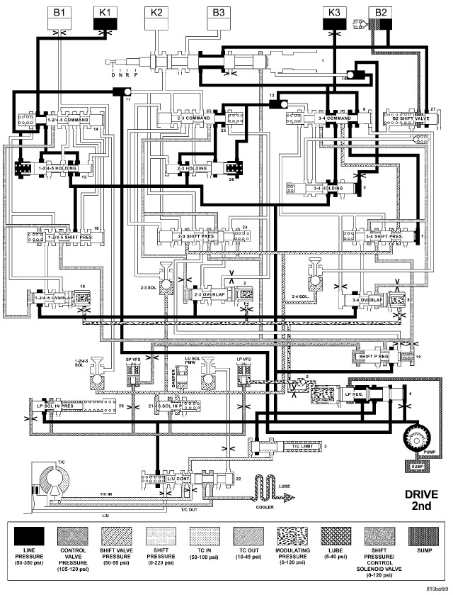
Figure 10 - HYDRAULIC FLOW IN DRIVE - SECOND GEAR



Figure 11 - HYDRAULIC FLOW IN DRIVE - SECOND TO THIRD GEAR TRANSITION



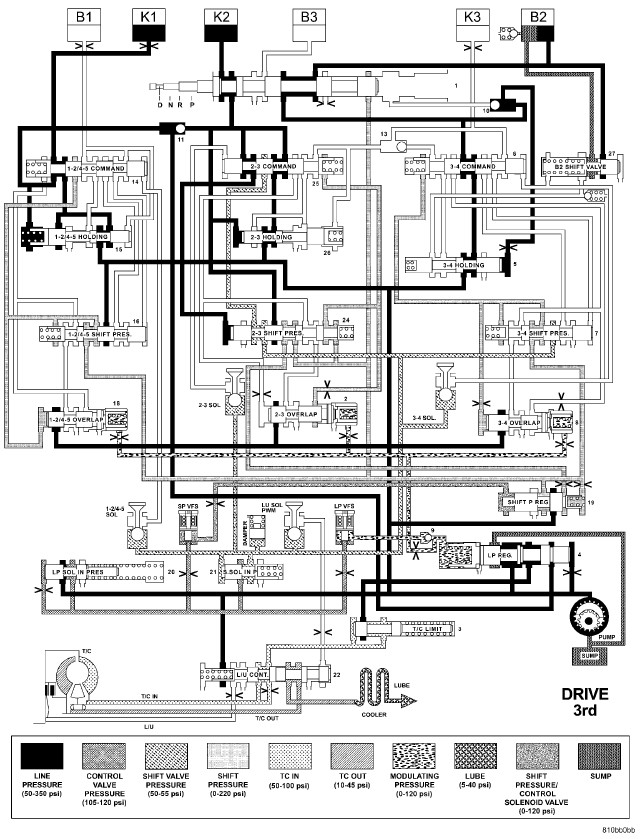
Figure 12 - HYDRAULIC FLOW IN DRIVE - THIRD GEAR



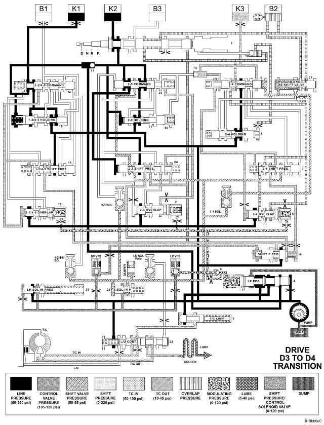
Figure 13 - HYDRAULIC FLOW IN DRIVE - THIRD TO FOURTH GEAR TRANSITION



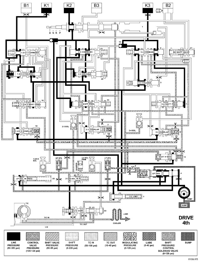
Figure 14 - HYDRAULIC FLOW IN DRIVE - FOURTH GEAR



Figure 15 - HYDRAULIC FLOW IN DRIVE - FOURTH TO FIFTH GEAR TRANSITION



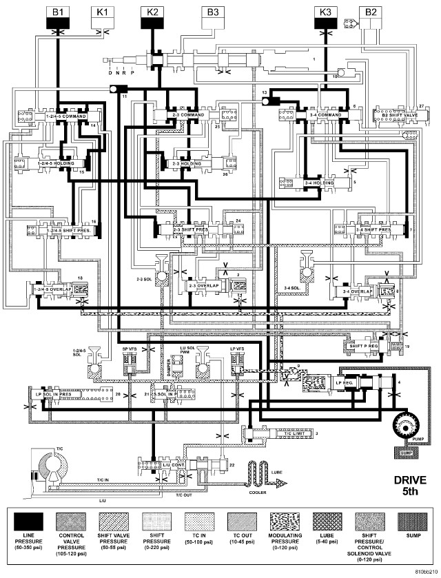
Figure 16 - HYDRAULIC FLOW IN DRIVE - FIFTH GEAR



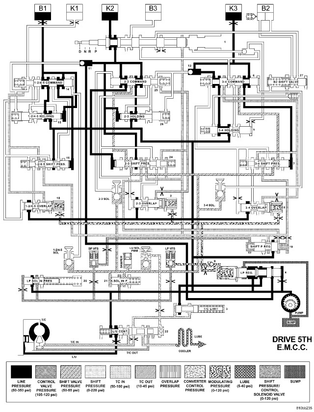
Figure 17 - HYDRAULIC FLOW IN DRIVE - FIFTH GEAR - EMCC



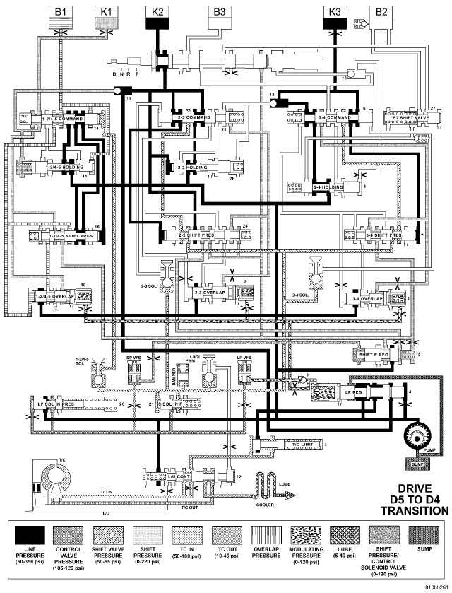
Figure 18 - HYDRAULIC FLOW IN DRIVE - FIFTH TO FOURTH GEAR TRANSITION



Figure 19 - HYDRAULIC FLOW IN DRIVE - FOURTH TO THIRD GEAR TRANSITION



Figure 20 - HYDRAULIC FLOW IN DRIVE - THIRD TO SECOND GEAR TRANSITION



Figure 21 - HYDRAULIC FLOW IN DRIVE - SECOND TO FIRST GEAR TRANSITION