Curiosii for ever!: Car repair manuals for everyone.

Electrohydraulic Control Unit - Assembly






ASSEMBLY

CAUTION: Make certain all valves and springs are assembled correctly. Failure to follow this caution may result in transmission failure.






NOTE: Pay great attention to cleanliness for all work on the shift plate. Fluffy cloths must not be used. Leather cloths are particularly good. After dismantling, all parts must be washed and blown out with compressed-air, noting that parts may be blown away.










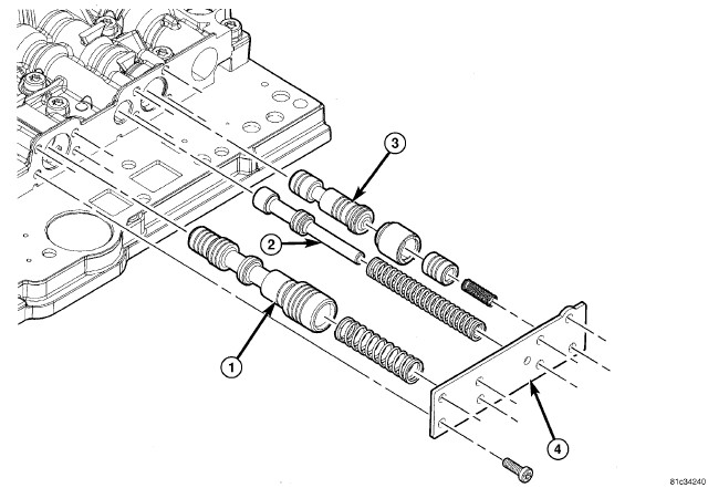
1. Install the pressure supply valve (1)(Figure 1) into the valve body.















2. Lubricate and install the B-2 Shift Valve assembly (1), 2-3 Holding Pressure Valve assembly (2), 2-3 Command Valve assembly (3), 2-3 Shift Pressure Shift Valve assembly (4), TCC Damper Valve (5) if equipped and the T/CC Lock-Up Regulator Valve assembly (6) into the valve body.
3. Install the side cover and the screws holding the side cover (7) to the valve body and valve housing. Tighten the screws to 4 Nm (35 in.lbs.).















4. Lubricate and install the 1-2 / 4-5 Overlap Regulating Valve, Sleeve, and Piston assembly (1), Shift Pressure Regulating Valve assembly (2), Control Valve Pressure Regulator Valve assembly (3) and Shift Solenoid Pressure Regulating Valve assembly (4) into the valve body.
5. Install the side cover and the screws holding the side cover (5) to the valve body and valve housing. Tighten the screws to 4 Nm (35 in.lbs.).















6. Lubricate and install the 1-2 / 4-5 Command valve assembly (1), 1-2 / 4-5 Holding Pressure Shift Valve (2) and the 1-2 / 4-5 Shift Pressure assembly (3) into the valve body.
7. Install the side cover and the screws holding the side cover (4) to the valve body and valve housing. Tighten the screws to 4 Nm (35 in.lbs.).















8. Lubricate and install the sector valve (1).
9. Lubricate and install 3-4 Holding Pressure Shift Valve assembly (2), 3-4 Command Valve assembly (3), 3-4 Shift Pressure assembly (4) and the 3-4 Overlap Regulating Valve Sleeve and Piston assembly (5) into the valve body.
10. Install the side cover and the screws holding the side cover (6) to the valve body and valve housing. Tighten the screws to 4 Nm (35 in.lbs.).















11. Lubricate and install the Operating Pressure Regulating Valve assembly (1), Lubricating Pressure Regulating Valve assembly (2) and the 2-3 Overlap Regulating Valve, Sleeve and Piston assembly (3) into the valve body.
12. Install the side cover and the screws holding the side cover (6) to the valve body and valve housing. Tighten the screws to 4 Nm (35 in.lbs.).










NOTE: A total of 12 valve balls are located in the valve body, four made from plastic (4) and eight from steel (1, 3).

13. Install all check balls (1, 3, 4)(Figure 7) and the central strainer (2).










14. Install the strainer (1)(Figure 8) in the inlet to torque converter lock-up control solenoid valve.










15. Position the sealing plate (3) onto the valve body (4)(Figure 9).
16. Install the valve housing (2) onto the valve body (4) and sealing plate (3).
17. Install the shift plate Torx(R) bolts (1)(Figure 9). Tighten the bolts to 8 Nm (71 in.lbs.).
18. Install leaf spring (5)(Figure 9).










19. Install the strainers (1) for the modulating pressure and shift pressure control solenoid valves(Figure 10) into the valve housing.




Figure 11 - Electrical Unit Components





20. Install the electrohydraulic control module (12) onto the shift plate (13)(Figure 11).
21. Bend the retaining lug on stiffening rib on transmission oil temperature sensor to retain the electrohydraulic control module.
22. Install the solenoid valves (6-11) into shift plate (13).

NOTE: Check O-rings on solenoid valves for damage and replace if necessary.

23. Install the leaf springs (5).
24. Install the Torx(R) socket bolts (3, 4)(Figure 11). Tighten the bolts to 8 Nm (71 in.lbs.).

NOTE: Pay attention to the different lengths of the Torx(R) socket bolts.

25. Install the solenoid caps (1, 2) if equipped.
26. Install the electrohydraulic unit into the vehicle.