Curiosii for ever!: Car repair manuals for everyone.

Front Lower Control Arm - Installation






INSTALLATION






NOTE: If installing a lower control arm engine cradle bolt that is a wheel alignment adjustment bolt (1) (lengthwise grooved shaft (2)), make sure to install it in the same position which it was in upon removal. For more details on installation of this special bolt, Wheel Alignment Procedures .






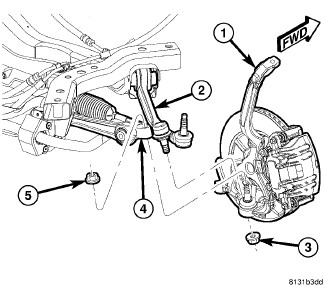
1. Slide lower control arm (4) into position in engine cradle and install mounting bolt from rear.





2. Install nut (1) on lower control arm cradle bolt, but do not tighten at this time.






CAUTION: Before installing knuckle to lower control arm, measure height of ball joint seal boot (1) mounted on knuckle. If seal boot height is above 25.5 mm, any air inside seal boot must be expelled. To do so, follow these steps.
- Tip ball joint stud completely to one side.
- Using thumb and index finger, gently squeeze seal boot together at center expelling any air. Do not allow grease to be release.
- Push down very top of seal boot.
- Return ball joint stud to original "centered" position.
- Measure ball joint seal boot height (1) making sure it is within specification.
- Wipe any grease from ball joint stud.






3. Pull knuckle (1) downward and position lower control arm (4) over ball joint stud. Release knuckle, guiding stud into lower control arm. Install NEW nut (5) on ball joint stud attaching lower control arm (4) to knuckle (1). Tighten nut by holding ball joint stud with a hex wrench while turning nut with a wrench. Tighten nut using crow foot wrench on torque wrench to 68 Nm + 90° turn (50 ft. lbs. + 90° turn).





4. Install wheel speed sensor head (4) into knuckle and install mounting screw (3). Tighten screw to 11 Nm (95 in. lbs.).
5. Attach wheel speed sensor cable and routing clip (2) to brake flex hose routing bracket (5).





6. Install lower shock mounting bolt (3) attaching shock assembly (1) to lower control arm (4). Do not tighten bolt at this time.





7. Install tire and wheel assembly (1) Tires And Wheels - Installation Tighten wheel mounting nuts (3) to 150 Nm (110 ft. lbs.).
8. Lower vehicle.

CAUTION: Because stabilizer bar is disconnected at cradle it is important to use extra care while moving vehicle to alignment rack/drive-on lift.

9. Position vehicle on an alignment rack/drive-on lift.
10. Tighten lower shock mounting bolt (3) to 174 Nm (128 ft. lbs.).






CAUTION: If the control arm engine cradle bolt is a wheel alignment adjustment bolt (lengthwise grooved shaft (2)), be sure to only tighten the nut. Do not rotate the bolt head (1) or damage to the bushing will occur.

11. Perform wheel alignment. Wheel Alignment Procedures





12. Once camber is found to be within specifications, using a crowfoot wrench, tighten lower control arm cradle bolt nut (1) to 176 Nm (130 ft. lbs.) while holding the bolt stationary.






CAUTION: Because of stabilizer bushing outer shape, it is very important to install bushings in position discussed in following step.

13. Utilizing slit in bushing, install stabilizer bar bushing (1) against locating collar on stabilizer bar (2) as shown. Make sure slit in bushing is positioned toward rear of vehicle.





14. Install stabilizer bar bushing retainer halves (1)(2) around bushing (3).





15. Install bolts (2) securing stabilizer bar bushing retainer halves (1) to cradle. Tighten bolts to 60 Nm (44 ft. lbs.).





16. Install stabilizer bar heat shield (3) over stabilizer bar bushing retainer. Install mounting screws (1).
17. Install belly pan Belly Pan - Installation