T355 Manual Transmission - Assembly
ASSEMBLY
Special Tools:
The T355 transaxle internal components can be serviced only by separating the gear case from the bellhousing case.
CAUTION: The transaxle output shaft is serviced as a unit. No disassembly and reassembly is possible. Damage to the transaxle may result.
The sealant used to seal the transaxle case halves is MOPAR(R) Gasket Maker, Loctite(R) 518, or equivalent. The sealant used for the bearing end plate cover is MOPAR(R) RTV.
NOTE: Some of the assembly adapters are different part numbers form the disassembly adapters.
1. Load bench fixture (4) with adapters (1), (3), (2), (5) and (6).
2. Install the output (1) and input (2) shafts onto bench fixture.
3. Install shift blocker assemblies, fork assemblies and detent assemblies all as one.
NOTE: Adaptor will slide shift blocker assembly and all the shift fork into the input and output shafts.
4. Align all shift forks and slide into place.
5. Install reverse brake blocking ring (2).
6. Install reverse brake friction cone (1).
NOTE: One detent assembly bolt may need to be installed to align assembly.
NOTE: Insure that the select link is installed properly also insure that the blocker assembly catches the crossover ball stud (this can be checked by using a mirror).
7. Install gearcase half (1) over bench fixture (2). Line up shift finger over 3-4 lug.
8. Line up reverse brake friction cone lugs to the slots in the gear case. Verify reverse brake shim is in position.
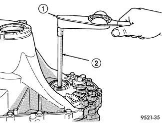
9. Position input and output bearings (1)(Figure 5) on the shafts. Using Seal Installer (2), install input and output shaft bearings (1) until they bottom into the case and against the shafts.
10. Install new snap rings (2) at input and output bearings.
11. Apply MOPAR(R) RTV sealant to end cover outer edge and around bolt holes. Install end cover onto gear case. Tighten end cover bolts to 25 Nm (225 in. lbs.).
NOTE: Install new O-rings on shift blocker assembly bolts.
12. Install the three detent assembly bolts (1) and tighten to 25 Nm (225 in. lbs.).
13. Remove gear case from bench fixture.
14. Install gear case in a holding fixture with end cover facing down.
15. Turn selector link into slot on blocker assembly.
16. Push selector link spacer clip onto selector shaft.
17. Install reverse idler gear (2) and spacer (1).
18. Install reverse idler shaft (1)(Figure 9).
19. Install bolt into reverse idler shaft (2)(Figure 10) and tighten to 26 Nm (19 ft. lbs.).
20. Install fifth and reverse blocker (2).
21. Insure reverse shift linkage is properly aligned in the reverse fork.
22. Install reverse fork bracket (1).
23. Tighten reverse fork bracket (1)(Figure 12) screws to 11 Nm (96 in. lbs.).
24. Install the linkage tie bar (1).
25. Install the linkage tie bar clips (1).
26. Install differential (3) into gear case (4)(Figure 15).
BEARING ADJUSTMENT PROCEDURE
1. Use extreme care when removing and installing bearing cups and cones. Use only an arbor press for installation, as a hammer may not properly align the bearing cup or cone. Burrs or nicks on the bearing seat gives a false end-play reading while gauging for proper shims. Improperly seated bearing cups and cones are subject to low mileage failures.
2. Bearing cups and cones should be replaced if they show signs of pitting or heat distress. If distress is seen on either the cup or bearing rollers, both cup and cone must be replaced.
3. Bearing preload and drag torque specifications must be maintained to avoid premature bearing failures. Used (original) bearings may lose up to 50% of the original drag torque after break-in. All bearing adjustments must be made with no other component interference or gear intermesh.
4. Replace bearings as a pair: If one differential bearing is defective, replace both differential bearings, if one input shaft bearing is defective, replace both input shaft bearings.
5. Bearing cones must not be reused if removed.
6. Turning torque readings should be obtained while smoothly rotating in either direction.
DIFFERENTIAL BEARING PRELOAD ADJUSTMENT
NOTE: True bearing turning torque readings can be obtained only with the geartrain removed from the case.
1. Remove bearing cup and existing shim from clutch bellhousing case.
2. Press in new bearing cup into bellhousing case (or use a cup that has been ground down on the outer edge for ease of measurement).
3. Press in new bearing cup into gear case side.
4. Oil differential bearings with transmission fluid. Install differential assembly in transaxle gear case. Install clutch bellhousing over gear case. Install and tighten case bolts to 25 Nm (225 in. lbs.).
5. Position transaxle with bellhousing facing down on workbench with C-clamps. Position dial indicator.
NOTE: Position of dial indicator(Figure 16) is for illustrative purposes only. The dial indicator should be parallel to T-Handle to obtain the most accurate reading.
6. Apply a medium load to differential with Torque Tool (3) and a T-handle (1)(Figure 16), in the downward direction. Roll differential assembly back and forth a number of times. This will settle the bearings. Zero the dial indicator (2). To obtain end play readings, apply a medium load in an upward direction while rolling differential assembly back and forth. Record end play.
7. The shim required for proper bearing preload is the total of end play, plus (constant) preload of 0.18mm (0.007 in.). Never combine shims to obtain the required preload.
8. Remove case bolts. Remove clutch bellhousing differential bearing cup. Install shim(s) selected in.Then press the bearing cup into clutch bellhousing.
9. Install clutch bellhousing. Install and tighten case bolts to 25 Nm (225 in. lbs.). Using Torque Tool (2) and an inch-pound torque wrench (1), check turning torque of the differential assembly. The turning torque should be 6 to 12 in. lbs. If the turning torque is too high, install a 0.05 mm (0.002 inch) thinner shim. If the turning torque is too low, install a 0.05 mm (0.002 inch) thicker shim.
10. Recheck turning torque (1). Repeat until the proper turning torque is obtained.
Once proper turning torque has been established, place gear case on the end plate. Draw a bead of MOPAR(R) Gasket Maker, Loctite(R) 518, or equivalent, on the flat surface of the case mating flange. Install clutch bellhousing onto gear case. Install and tighten case bolts to 25 Nm (225 in. lbs.).
11. Install the backup lamp switch (2), tighten switch to 23 Nm (17 ft. lbs.).
12. Install slave cylinder (1) to transaxle using new bolts Clutch Slave Cylinder - Installation.