Curiosii for ever!: Car repair manuals for everyone.

Front






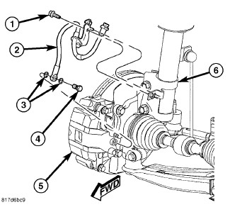
INSTALLATION

1. Completely retract the caliper piston back into the bore of the caliper. Use a C-clamp to retract the piston. Place a wood block over the piston before installing the C-clamp to avoid damaging the piston.





CAUTION: Use care when installing the caliper (4) onto the adapter bracket (1) to avoid damaging the guide pin boots.

2. Install the disc brake caliper over the brake pads on the brake caliper adapter bracket.

NOTE: When installing the caliper guide pin bolts (2, 3) make sure that the one that has a special sleeve on the end is installed in the upper mounting hole.

3. Align the caliper guide pin bolt holes with the adapter bracket. Install the upper (with special sleeve) (2) and lower (3) caliper guide pin bolts. Tighten the guide pin bolts to 43 Nm (32 ft. lbs.).





4. Install the banjo bolt (4) connecting the brake flex hose (2) to the brake caliper (5). Install NEW washers (3) on each side of the hose fitting as the banjo bolt is guided through the fitting. Thread the banjo bolt into the caliper and tighten it to 24 Nm (18 ft. lbs.).





5. Install the tire and wheel assembly (1) Tires And Wheels - Installation. Install and tighten the wheel mounting nuts (3) to 135 Nm (100 ft. lbs.).
6. Lower the vehicle.





7. Remove the brake pedal holding tool.





8. Bleed the caliper as necessary. Service and Repair
9. Road test the vehicle and make several stops to wear off any foreign material on the brakes and to seat the brake shoes.