Curiosii for ever!: Car repair manuals for everyone.

Front Seat - Installation






INSTALLATION





1. Before proceeding with the following repair procedure, review all warnings and cautions. Service Precautions
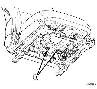
2. Position the seat into the vehicle and connect the electrical connectors (1), if equipped.





3. Install the bolts (2).
a. Adjust the seat forward.
b. Tighten the rear outboard bolt to 51 Nm (38 ft. lbs.).
c. Tighten the rear inboard bolt to 51 Nm (38 ft. lbs.).
d. Adjust the seat rearward.
e. Tighten the front outboard bolt to 51 Nm (38 ft. lbs.).
f. Tighten the front inboard bolt to 51 Nm (38 ft. lbs.).





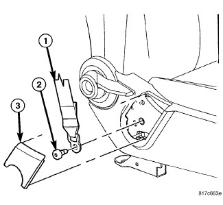
4. Install the lower seat belt anchor (1) and install the bolt (2).
5. Tighten the bolt (2) to 32 Nm (23.5 ft. lbs.) and install the trim cover (3).
6. Do not reconnect the battery negative cable at this time. The occupant classification module system verification test procedure should be performed following service of any supplemental restraint system component. Component Tests and General Diagnostics