Curiosii for ever!: Car repair manuals for everyone.

Center Console - Removal






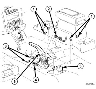
REMOVAL

Special Tools:






CENTER





1. Pull back on parking brake (5) to the upright position.
2. Open console door and remove two screws (1) fastening console to rear floor bracket (3).
3. Carefully pry up until the retainers (1) disengage from the center console to front floor bracket (6).
4. Disconnect center console wire connector (2) to instrument panel connector.
5. Remove from vehicle.

FRONT SHIFTER HOUSING





1. Remove the center console, CENTER.
2. Remove the shifter bezel (1) from the console (2). Shifter Bezel - Removal





3. Using trim stick or equivalent, release the retaining clips and separate the accessory switch bank assembly (1) from the console.
4. Disconnect the electrical connectors (2).





5. Remove the two rear screws and remove the front console shifter housing and remove the housing (2).