Curiosii for ever!: Car repair manuals for everyone.

Wireless Control Module (WCM)






B210D-BATTERY VOLTAGE LOW





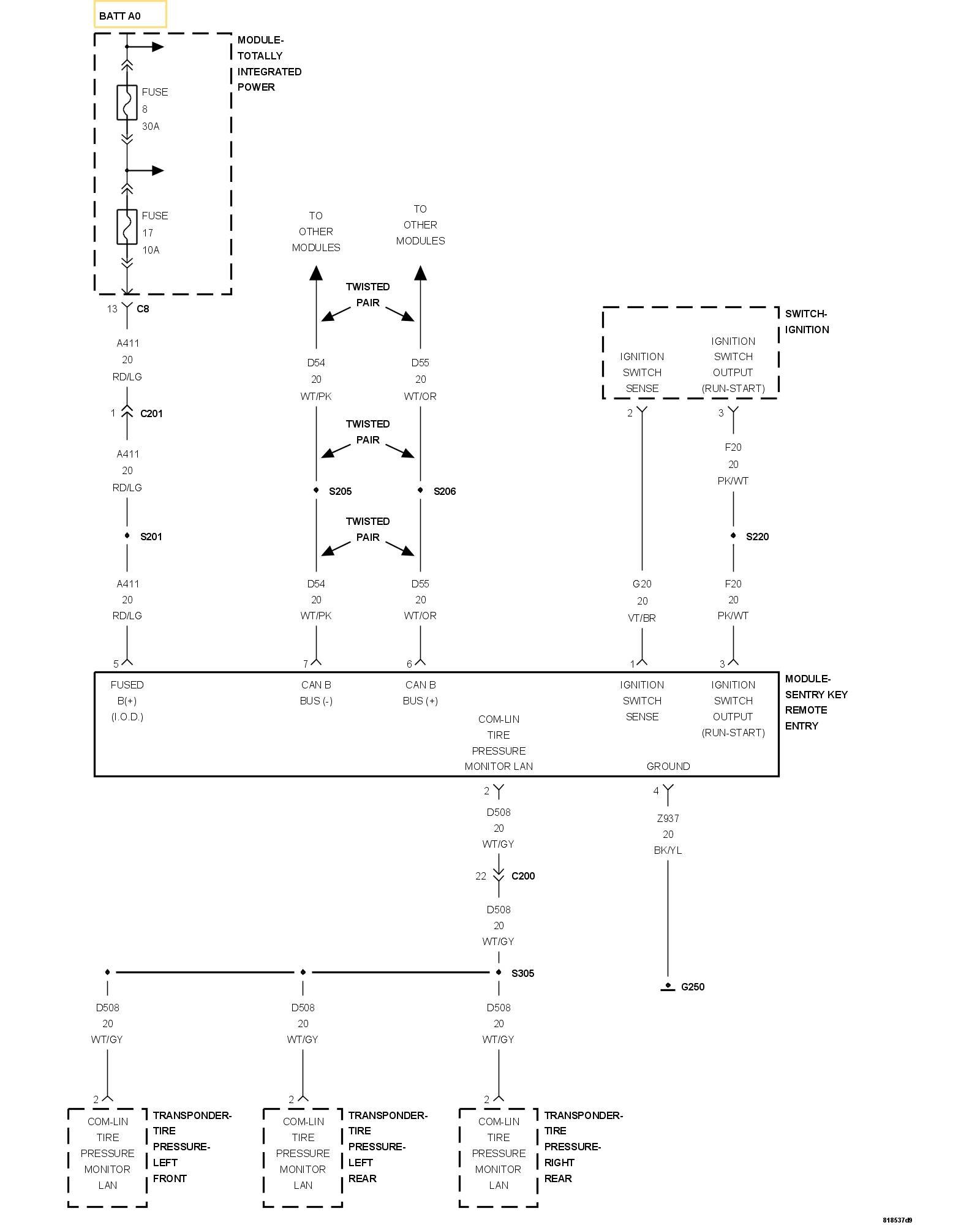
For a complete wiring diagram, refer to the Wiring Information.

- When Monitored:
With the ignition switch on.

- Set Condition:
The Sentry Key remote Entry Module (SKREEM) also known as the Wireless Control Module (WCM) has detected the Fused (B+) input voltage below a calibrated value.





1. DETERMINING IF DIAGNOSTIC TROUBLE CODE (DTC) IS CURRENT

NOTE: Diagnose any related Powertrain DTCs before continuing.

1. With a scan tool, read and record DTCs.
2. With the scan tool, clear DTCs.
3. Perform 5 ignition cycles, leaving the ignition switch on for a minimum of 90 seconds per cycle.
4. Using the scan tool, read DTCs.

Does the DTC reset?

Yes

- Go To 3

No

- Go To 2

2. INTERMITTENT CONDITION

NOTE: Check for any of the follow conditions:
- Poor wire to terminal connection
- Corroded terminals
- Backed out or loose terminals
- Broken wire internal to the insulation
- Dirty (partial) module ground

1. With the ignition on, wiggle the related wires.
2. Using a scan tool, read DTCs.

Does the DTC reset?

Yes

- Repair the wiring as necessary.
- Perform the WCM VERIFICATION TEST. Wireless Control Module (WCM) Verification

No

- DTC is not active at this time. Test complete.

3. FUSED (B+) CIRCUIT OPEN





NOTE: Check the related fuses to the Fused (B+) circuit. If the fuse is found to be open repair the circuit for a shorted condition.

1. Turn the ignition off.
2. Disconnect the WCM harness connector.
3. Turn the ignition on.
4. Using a 12 volt test light connected to ground, probe the Fused (B+) circuit in the WCM harness connector.

Does the test light illuminate brightly?

Yes

- Go To 4

No

- Repair the Fused (B+) circuit for an open.
- Perform the WCM VERIFICATION TEST. Wireless Control Module (WCM) Verification

4. WCM

NOTE: A dirty (partial) ground can cause abnormal conditions within a system. Ensure the module has a good ground before continuing.

1. Turn the ignition off.
2. Reconnect the WCM connector
3. Back probe the Fused (B+) circuit.
4. Start the engine.
5. Using the scan tool, view battery voltage under Data Display in the Engine category.
6. Compare the voltage on the scan tool to the voltage reading on the voltmeter.

Is the voltage on the scan tool equal to the voltmeter reading +/-.5 volt?

Yes

- Replace and program the Wireless Control Module.
- Perform the WCM VERIFICATION TEST. Wireless Control Module (WCM) Verification

No

- Repair the Fused (B+) circuit for high resistances.
- Perform the WCM VERIFICATION TEST. Wireless Control Module (WCM) Verification