Curiosii for ever!: Car repair manuals for everyone.

B1663






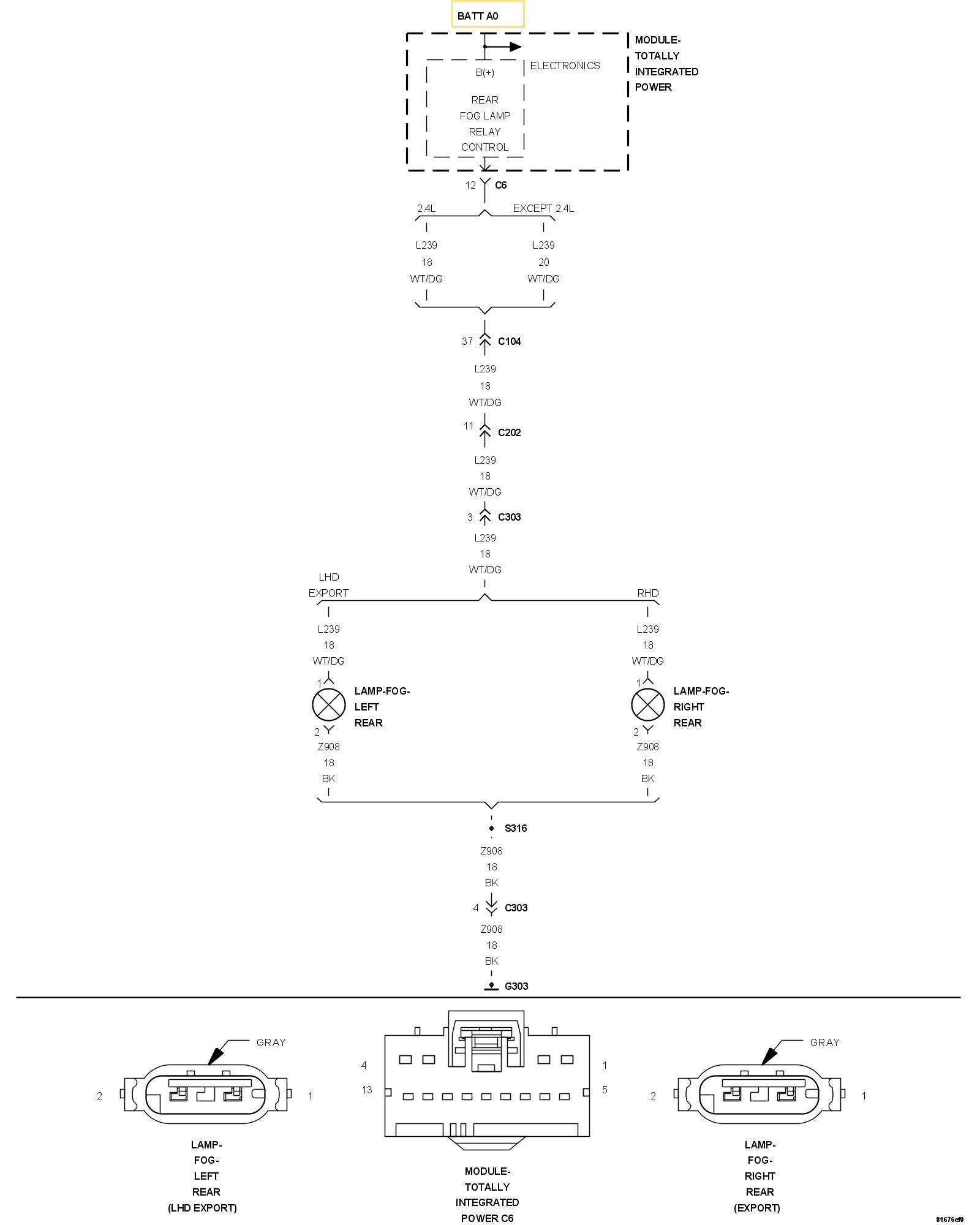
B1663-REAR FOG LAMP CONTROL CIRCUIT LOW





For a complete wiring diagram, refer to the Wiring Information.

- When Monitored:
With the Rear Fog Lamps activated.

- Set Condition:
When the TIPM detects a low condition.





1. INTERMITTENT CONDITION
1. Turn the ignition on.
2. With the scan tool, clear all TIPM DTCs.
3. Turn the Rear Fog Lamps on.
4. With the scan tool read the DTC information.

Does the scan tool read: B1663-REAR FOG LAMP CONTROL CIRCUIT LOW?

Yes

- Go To 2

No

- The condition that caused the symptom is currently not present. Inspect the related wiring for a possible intermittent condition. Look for any chafed, pierced, pinched, or partially broken wires.
- Perform the BODY VERIFICATION TEST. Body Verification Test.

2. (L239) REAR FOG LAMP CONTROL CIRCUIT SHORT TO GROUND




1. Turn the ignition off.
2. Disconnect the TIPM C6 harness connector.
3. Disconnect the Left and Right Fog Lamp harness connectors.
4. Measure the resistance between ground and the (L239) Right Low Beam Control circuit.

Is the resistance below 5.0 Ohms?

Yes

- Repair the (L239) Rear Fog Lamp Control circuit for a short to ground condition.
- Perform the BODY VERIFICATION TEST. Body Verification Test.

No

- Replace the Totally Integrated Power Module (TIPM).
- Perform the BODY VERIFICATION TEST. Body Verification Test.