Curiosii for ever!: Car repair manuals for everyone.

Engine - Installation






INSTALLATION

Special Tools:















NOTE: If installing a replacement engine, transfer components such as engine mount brackets, block heater, accessories, heater hoses and tubes to the replacement engine.

1. If required, remove the upper intake manifold Intake Manifold - Removal.





2. Install the Driver Side Engine Lifting Bracket (1) on the LH cylinder head with bolts (2) provided with the Engine Lifting Bracket. Tighten the bolts to 21 Nm (15 ft. lbs.).





3. Install the Passenger Side Engine Lifting Bracket (1) on the RH cylinder head with bolts (2) from the Engine Lifting Bracket. Tighten the bolts to 21 Nm (15 ft. lbs.).





4. Position a load-leveling lifting sling (2), such as OTC(R) 4305 Engine Load Leveler or equivalent, between the engine lifting brackets (3) and an engine hoist (1).





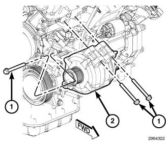
5. Install the transaxle (2) to the engine (1) if required. Secure with six transaxle upper bellhousing-to-block bolts (3) tightened to 70 Nm (52 ft. lbs.).





6. Position the engine/transaxle assembly on the Power Train Dolly (3) and Engine Support Cradle (2).
7. Loosen the cradle engine mounts to allow movement for positioning onto the engine locating holes on the engine block and oil pan rail. Place Adapter (1) on the front post and align to the oil pan mounting stud. Tighten the post mounts to the cradle frame. Secure the engine/transaxle assembly to the dolly/cradle with safety straps (4). Remove the engine lifting brackets.
8. If required, install the following components for installation on the replacement engine:
- Accessory drive belt tensioner.
- Upper intake manifold support bracket.
- Block heater (if equipped).





9. Position the engine/transaxle assembly under the vehicle. Slowly lower the vehicle in short length spans. Inspect at each interval for potential engine or transaxle contact to vehicle components. Move the cradle/dolly fixture as necessary to allow for clearance.
10. Install three bolts (1) to the RH engine mount bracket (2) and tighten bolts (1) to 55 Nm (41 ft. lbs.).





11. Install two bolts (1) to the LH engine (transmission) mount bracket (2).
12. Position the main wire harness onto the engine.





13. Engage the wire harness retainer (1) to the gearshift cable bracket (4).
14. Connect two output shaft speed sensors connectors (2 and 3).
15. Connect the gearshift cable (5) from the bracket (4).





16. Connect the gearshift cable (1) from transaxle manual valve lever (2).





17. Connect the oil cooler lines (2) to transaxle.
18. Connect the transmission input shaft speed sensor connector (1).





19. Connect transmission solenoid harness connector (2).





20. Raise and support the vehicle Maintenance.
21. If required, install the four transaxle-to-engine lower bolts (2) and tighten to 70 Nm 52 ft. lbs.).
22. If required, install the torque converter-to-driveplate bolts (1) and tighten to 88 Nm (65 ft. lbs.).





23. If required, install the transaxle torque converter housing dust cover (1) and rubber plugs (2).





24. Install the rear engine mount bracket (1) with four bolts (2). Tighten bolts (2) to 110 Nm (81 ft. lbs.)
25. Install the bolt (3) to the rear engine mount isolator and tighten to 61 Nm (45 ft. lbs.).





26. Lower the vehicle.
27. If required, install the heater core supply tube (1) with two bolts (2) and tighten to 12 Nm (106 in. lbs.).





28. Install the LH upper intake manifold support brackets (1). Loosely install the studbolts (2).





29. Engage three main wire harness retainers (1) to the right cylinder head cover.





30. Connect the oil pump solenoid electrical connector (2).
31. Engage the wire harness retainer (1) to the engine block.





32. Install the power steering pump and bracket as an assembly with three bolts (1) and tighten to 25 Nm (18 ft. lbs.).
33. Engage the wire harness retainer (2) to the power steering pump.





34. Install the power steering pump heat shield (1) Tighten bolts (2) to 25 Nm (18 ft. lbs.).





35. Connect the power cord to the engine block heater (if equipped).
36. Engage the downstream oxygen sensor connector (4) to the engine mount.
37. Engage one wire harness retainer (2) to the engine block and one wire harness retainer (1) to the transmission mounting stud.
38. Connect the Crankshaft Position (CKP) sensor electrical connector (3).





39. Position the heat shield (1) over the Crankshaft Position (CKP) sensor.





40. Install the rear engine mount heat shield (2). Tighten bolts (1) to 14 Nm (124 in. lbs.).





41. Install the A/C compressor (1) A/C Compressor - Installation.





42. Install the lower radiator hose (1).





43. Install the starter Starter - Installation.





44. Install the front engine mount bracket (1). Tighten bolts (2) to 55 Nm (41 ft. lbs.).





45. Install both catalytic converters (3) and connect the oxygen sensor connectors to the main wire harness Catalytic Converter - Installation.
46. Install the crossunder pipe (2) Exhaust Crossunder Pipe - Installation.
47. Install the front fore and aft crossmember (1) Crossmember - Installation.





48. Install the intermediate shaft and both axle shafts (2) Half Shaft - Installation.





49. Install the right lower splash shield (2).





50. Install the left lower splash shield (2).





51. Install both front tire and wheel assemblies (1) Tires And Wheels - Installation.





52. Install the belly pan.





53. Engage the wire harness retainer (2) to the upper intake manifold support bracket mounting stud.
54. Engage the wire harness retainer (3) to the intake manifold support bracket.
55. Connect the electrical connector (1) to the right Camshaft Position (CMP) sensor.





56. Engage two wire harness retainers (1) to the right cylinder head cover.
57. Connect the electrical connectors (2) to the variable valve timing solenoids on the right cylinder head.





58. Connect the main harness to the engine oil pressure/temperature harness (2) at the rear of the left cylinder head.
59. Connect the main harness to the engine injection/ignition harness (1) at the rear of the left cylinder head.





60. Engage the main wire harness retainer (1) to the rear of the lower intake manifold.
61. Engage one main wire harness retainer (2) to the cylinder head cover and one main wire harness retainer (4) to the cylinder head cover mounting stud.
62. Connect the left Camshaft Position (CMP) sensor (5).
63. Connect the Engine Coolant Temperature (ECT) sensor connector (3).





64. Engage two lower wire harness retainers (3) to the intake manifold support brackets.
65. Engage two upper wire harness retainers (2) to the intake manifold support brackets.
66. Connect the left upstream oxygen sensor connector (1) to the main wire harness.





67. Engage three wire harness retainers (1) to the left cylinder head cover.
68. Connect the electrical connectors (2) to the variable valve timing solenoids on the left cylinder head cover.





69. Install the generator (2) Generator - Installation.





70. Install the accessory drive belt (7) Serpentine Accessory Drive Belt - Installation.





71. Connect the heater core supply hose (1) Service and Repair.





72. Install the cooling fan module (3) Cooling Fan - Installation.





73. Install the upper radiator hose (1).





74. Install the upper intake manifold (2) Intake Manifold - Installation.





75. Install the heater core return tube (1) with the nut (2) and bolt (3).





76. Connect the heater core return hose (1).





77. Install the coolant recovery bottle (1) Coolant Recovery Bottle - Installation.





78. Connect the fuel line (1) from the fuel rail inlet.





79. Install the electric vacuum pump and mounting bracket (1) Installation.





80. Install the resonator (1) Installation.





81. Install the air cleaner body (1) Air Cleaner Body - Installation.





82. If removed, install the oil filter and fill the engine crankcase with the proper oil to the correct level Service and Repair
83. Evacuate and recharge Air Conditioning system Refrigerant System Charge.
84. Fill the cooling system Service and Repair.
85. Install the engine cover (1).
86. Connect the negative battery cable and tighten nut to 5 Nm (45 in. lbs.).
87. Run the engine until it reaches normal operating temperature. Check cooling system for correct fluid level Service and Repair

NOTE: The Cam/Crank Variation Relearn procedure must be performed using the scan tool anytime there has been a repair/replacement made to a powertrain system, for example: flywheel, valvetrain, camshaft and/or crankshaft sensors or components.