Curiosii for ever!: Car repair manuals for everyone.

Gearshift Control Cable - Removal






REMOVAL





1. Remove the shifter Gearshift Mechanism - Removal.
2. Raise hood.
3. Remove the resonator.
4. Remove engine cover.
5. Remove air cleaner assembly.
6. Disconnect both battery cables. Battery - Removal
7. Remove battery hold down clamp and bolt, and remove battery.
8. Remove battery tray. Battery Tray - Removal
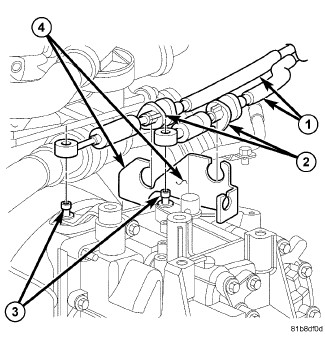
9. Disconnect cables (1) from the shift levers at the transaxle (3). CAUTION: Pry up with equal force on both sides of shifter cable isolator bushings to avoid damaging cable isolator bushings.

10. Squeeze cable retaining clips (2) and remove cables from bracket (4).





11. Remove the Occupant Restraint Controller (ORC) Occupant Restraint Controller - Removal.
12. Remove shifter Gearshift Mechanism - Removal.
13. Squeeze cable retaining clips (2) and remove cables from bracket.
14. Remove cable assembly (1) from vehicle.