Curiosii for ever!: Car repair manuals for everyone.

Front Lower Control Arm - Installation






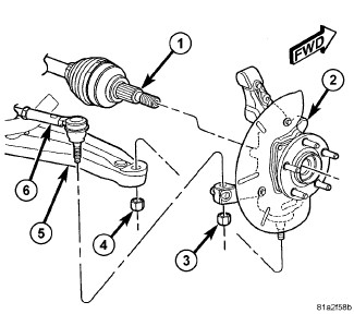
INSTALLATION





1. Place the lower control arm (3) into the front suspension crossmember.
2. Insert the rear bolt (2) up through the crossmember and lower control arm (3). Install the nut on the top-end of the bolt, but do not tighten it at this time.
3. Install, but do not fully tighten, the front bolt (1) attaching the lower control arm (3) to the crossmember.
4. With no weight or obstruction on the lower control arm, tighten the lower control arm front mounting bolt (1) to 175 Nm (129 ft. lbs.).
5. With no weight or obstruction on the lower control arm, tighten the lower control arm rear mounting bolt nut to 145 Nm (107 ft. lbs.).





6. Attach the stabilizer bar link (1) at each end of the stabilizer bar (2). At each link, install and tighten the nut (3) while holding the stabilizer bar link lower stud stationary. Tighten the nuts to 48 Nm (35 ft. lbs.).

NOTE: If a new or cleaned lower control arm is being installed, it is important to have a film of general purpose grease around the ball joint mounting hole on the lower control arm to avoid any future corrosion issues. Make sure the grease does not get inside the ball joint mounting hole or on the ball joint stud during installation.





7. Insert the lower ball joint stud into the mounting hole in the lower control arm (5).
8. Install a NEW ball joint stud nut (4). Tighten the nut to 95 Nm (70 ft. lbs.).





9. Install the tire and wheel assembly (1) Tires And Wheels - Installation. Install and tighten the wheel mounting nuts (3) to 135 Nm (100 ft. lbs.).
10. Lower the vehicle.
11. Perform wheel alignment as necessary. Service and Repair