Curiosii for ever!: Car repair manuals for everyone.

A/C Compressor - Installation






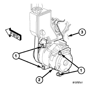
A/C COMPRESSOR

CAUTION: If the A/C compressor is being replaced, be certain to adjust the refrigerant system oil level Refrigerant Oil Level . Failure to properly adjust the refrigerant oil level will prevent the A/C system from operating as designed and can cause serious A/C compressor damage.

CAUTION: The A/C accumulator must be replaced if an internal failure of the A/C compressor has occurred. Failure to replace the A/C accumulator can cause serious damage to the replacement A/C compressor.

NOTE: When replacing multiple A/C system components, see the Refrigerant Oil Capacities chart to determine how much oil should be removed from the new A/C compressor Refrigerant Oil Level .

NOTE: Replacement of the refrigerant line O-ring seals is required anytime a refrigerant line is disconnected. Failure to replace the rubber O-ring seals may result in a refrigerant system leak.





1. If the A/C compressor (2) is being replaced, the refrigerant oil in the old compressor must be first drained and measured. Then the oil in the new A/C compressor must be drained. Finally, the new compressor must be refilled with the same amount of new refrigerant oil that was drained out of the old compressor. When replacing multiple A/C system components, see the Refrigerant Oil Capacities chart to determine how much oil should be added to the refrigerant system Refrigerant Oil Level. Use only refrigerant oil of the type recommended for the A/C compressor in the vehicle.
2. Position the A/C compressor into the engine compartment.
3. Install and hand tighten the four bolts (1) that secure the A/C compressor to the cylinder block (3).
4. Tighten the bolts that secure the A/C compressor to the cylinder block to 23 Nm (17 ft. lbs.).





5. Lower the vehicle.
6. Remove the tape or plugs from the opened refrigerant line fittings and compressor ports.
7. Lubricate new O-ring seals with clean refrigerant oil and install them onto the refrigerant line fittings. Use only the specified O-ring seals as they are made of a special material for the R-134a system. Use only refrigerant oil of the type recommended for the A/C compressor in the vehicle.
8. Install the A/C suction line (1) and the A/C discharge line (3) onto the A/C compressor (2).
9. Install the bolts (5) that secure the refrigerant lines to the A/C compressor. Tighten the bolts to 23 Nm (17 ft. lbs.).
10. Connect the wire harness connector to the A/C clutch coil connector (4).
11. Install the accessory drive belt Serpentine Accessory Drive Belt - Installation.
12. Reconnect the negative battery cable.
13. Evacuate and charge the refrigerant system Refrigerant System Charge.