Curiosii for ever!: Car repair manuals for everyone.

Multifunction Switch - Installation






INSTALLATION





1. The windshield wiper/washer switch must be transferred to the new multi-function switch Wiper/Washer Switch - Installation.
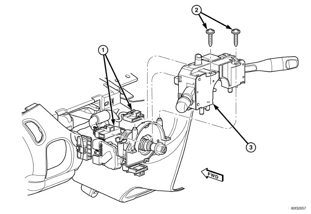
2. Install the multi-function switch mounting screws (2). Tighten the screws to 3 Nm (27 in. lbs.).





3. Connect both posi-lock harness connectors (1 and 3) at the rear of the multi-function switch (20.
4. Instal both upper and lower steering column shrouds.
5. Connect the battery negative cable.
6. Place battery access cover into place and install four bolts.
7. Close deck lid.