Curiosii for ever!: Car repair manuals for everyone.

Occupant Restraint Controller - Installation






INSTALLATION





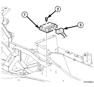
1. Place the ORC (1) into center stack area and place in mounting location.

WARNING: Make sure ORC (1) is positioned properly on the floor tunnel with the arrow pointing forward. Failure to do so could result in personal injury or death.

2. Install the three retaining screws to the ORC. Tighten bolts to 13.5 Nm (120 in. lbs.).
3. Connect the two electrical connectors (3) to the ORC (1).
4. Install the cluster bezel Instrument Cluster Bezel - Installation.
5. Install the center bezel Instrument Panel Bezel - Installation.
6. Install the center console Center Console - Installation.

WARNING: Do not connect the battery negative cable Component Tests and General Diagnostics . Serious or fatal injury may result if the system test is not performed first.

7. Place battery access cover into place and install four bolts.
8. Close deck lid.