Curiosii for ever!
: Car repair manuals for everyone.
Home
>>
Dodge
>>
2009
>>
Challenger V8-5.7L
>>
Repair and Diagnosis
>>
Locations
>>
Connector Locations
>>
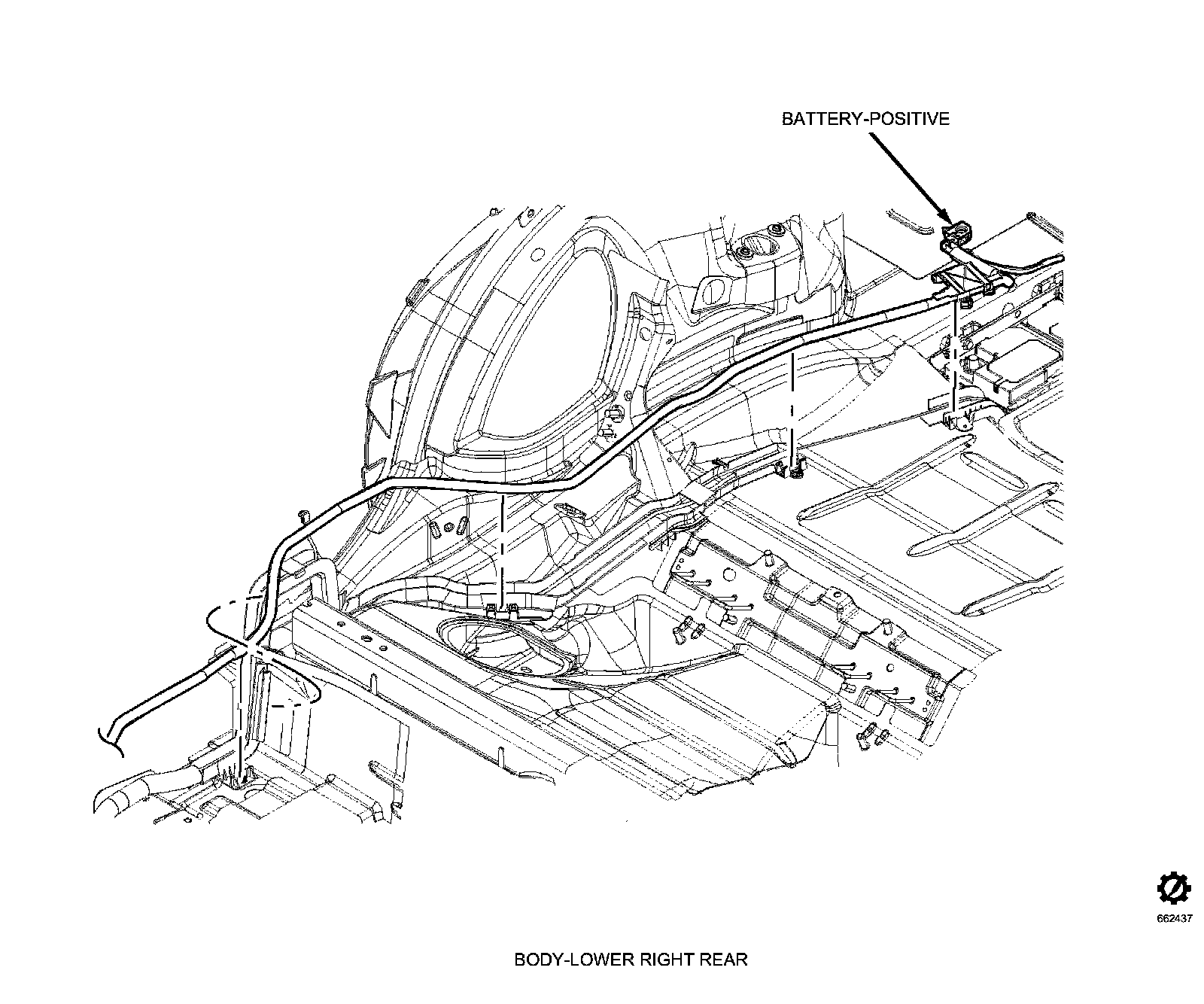
Figure 69
Figure 69