Curiosii for ever!: Car repair manuals for everyone.

Voice Activation System






NAVIGATION/TELECOMMUNICATIONS - Diagrams
PLEASE NOTE: Some diagrams may appear to be missing because of gaps in the number sequences. These "gaps" are actually for diagrams that do not apply to the vehicle model selected.

Navigation/Telecommunications 8W-55-01 (Navigation):





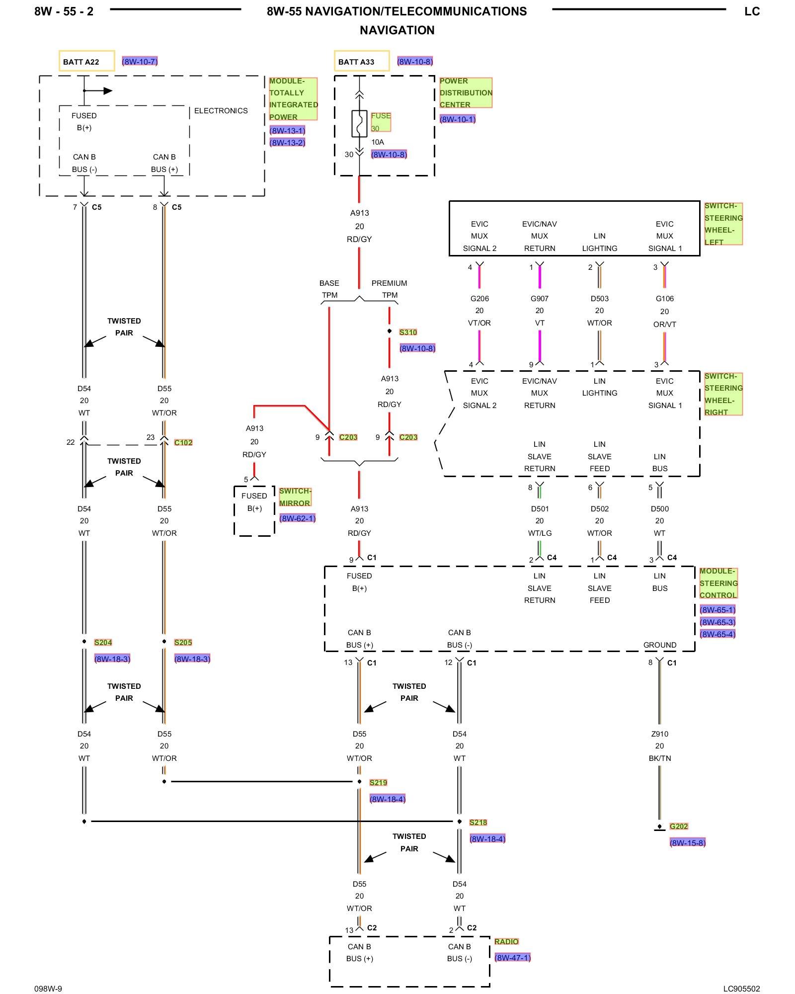
Navigation/Telecommunications 8W-55-02 (Navigation):





Navigation/Telecommunications 8W-55-03 (Navigation):





Navigation/Telecommunications 8W-55-04 (Navigation/UCI):





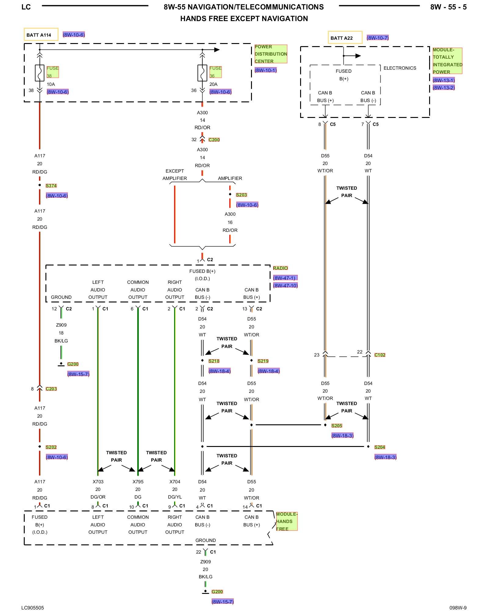
Navigation/Telecommunications 8W-55-05 (Hands Free Except Navigation):





Navigation/Telecommunications 8W-55-06 (Hands Free Except Navigation):





Navigation/Telecommunications 8W-55-07 (Hands Free Except Navigation/UCI):





Other Diagrams: Other diagrams referred to by number (i.e. 8W-70-2, etc.) within these diagrams can be found at the vehicle level under Diagrams by Number Diagrams By Number