Curiosii for ever!: Car repair manuals for everyone.

Keyless Entry






POWER DOOR LOCKS - Diagrams
PLEASE NOTE: Some diagrams may appear to be missing because of gaps in the number sequences. These "gaps" are actually for diagrams that do not apply to the vehicle model selected.

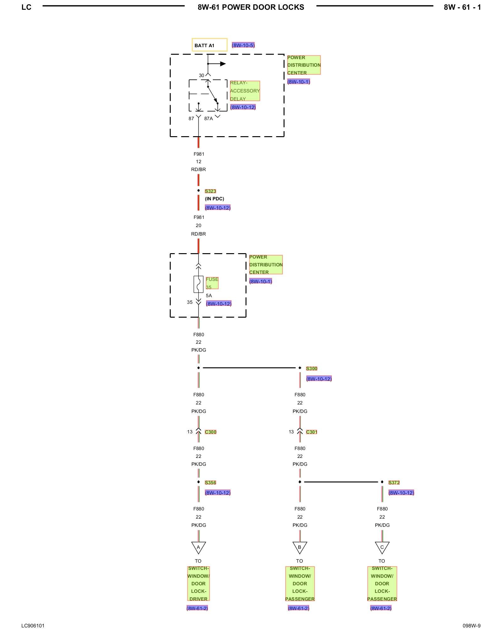
Power Door Locks 8W-61-01:





Power Door Locks 8W-61-02:





Power Door Locks 8W-61-03:





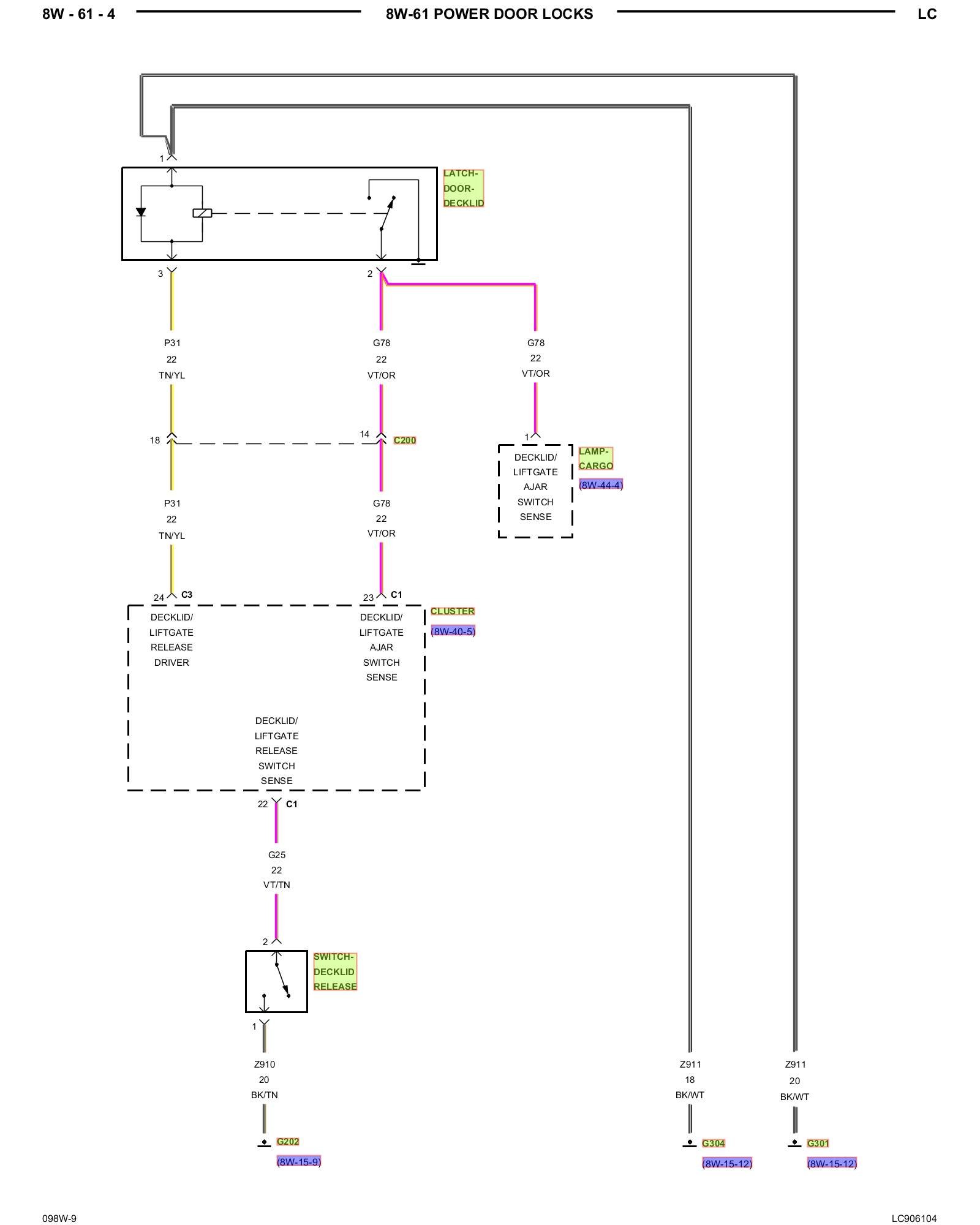
Power Door Locks 8W-61-04:





Other Diagrams: Other diagrams referred to by number (i.e. 8W-70-2, etc.) within these diagrams can be found at the vehicle level under Diagrams by Number Diagrams By Number