Front Lamp Unit - Removal
LAMP
1. Disconnect and isolate the battery negative cable.
2. Remove the front fascia (9) from the vehicle. Front Bumper Fascia - Removal.
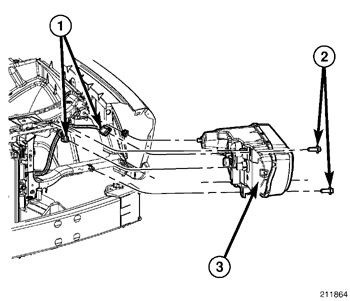
3. Remove the three screws (2) that secure the front lamp unit (3) to the radiator closure panel.
4. Grasp the front lamp unit firmly and pull it forward far enough to unsnap the ball stud on the upper outboard corner of the lamp housing from the grommet in the radiator closure panel.
5. Pull the lamp away from the vehicle far enough to access and disconnect the wire harness connectors (1) from the connector receptacles on the back of the lamp housing.
6. Remove the front lamp unit from the from the vehicle.