Curiosii for ever!: Car repair manuals for everyone.

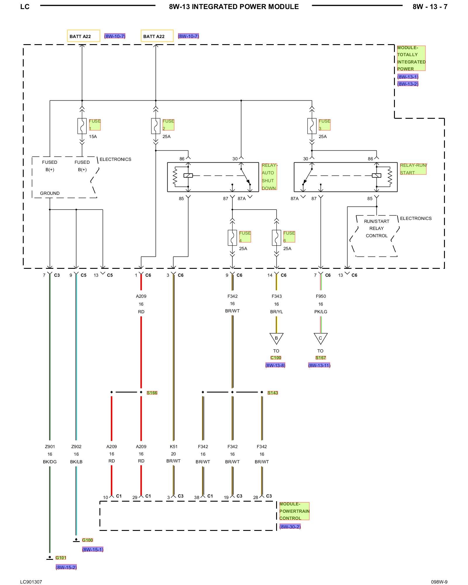
Integrated Power Module 8W-13-07






INTEGRATED POWER MODULE - Diagram 07
PLEASE NOTE: Some diagrams may appear to be missing because of gaps in the number sequences. These "gaps" are actually for diagrams that do not apply to the vehicle model selected.

Integrated Power Module 8W-13-07:





Next Diagram Integrated Power Module 8W-13-08

Previous Diagram Integrated Power Module 8W-13-06

Other Diagrams: Other diagrams referred to by number (i.e. 8W-70-2, etc.) within these diagrams can be found at the vehicle level under Diagrams by Number Diagrams By Number