Curiosii for ever!: Car repair manuals for everyone.

Cruise Control






VEHICLE SPEED CONTROL - Diagrams
PLEASE NOTE: Some diagrams may appear to be missing because of gaps in the number sequences. These "gaps" are actually for diagrams that do not apply to the vehicle model selected.

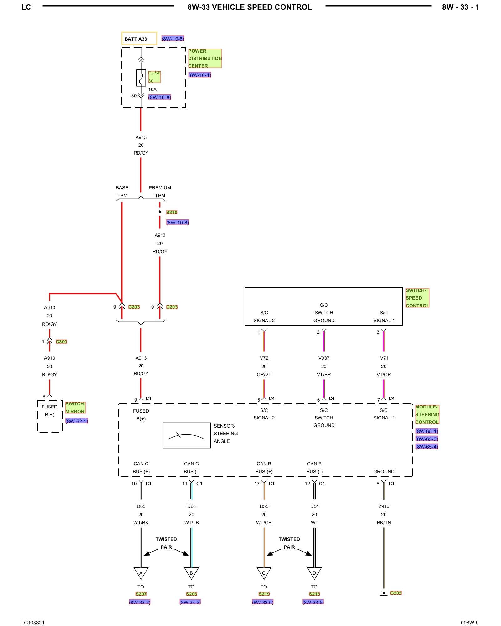
Vehicle Speed Control 8W-33-01:





Vehicle Speed Control 8W-33-02:





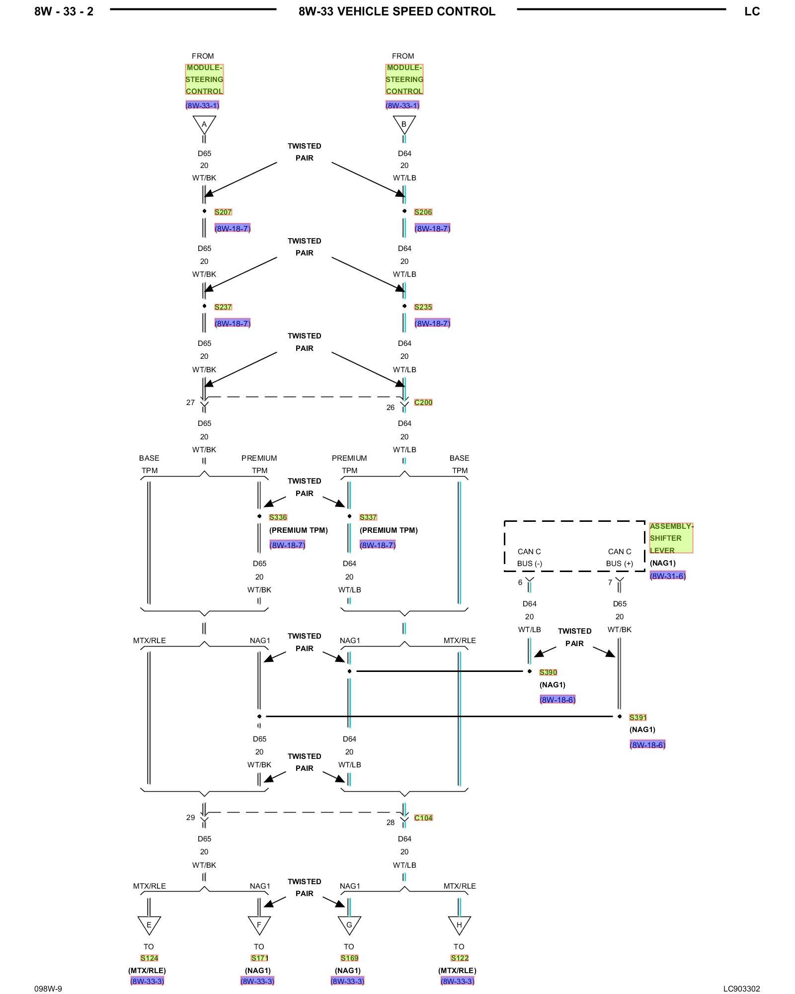
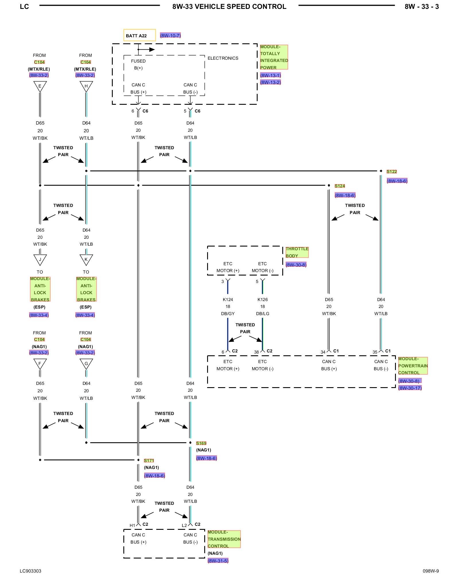
Vehicle Speed Control 8W-33-03:





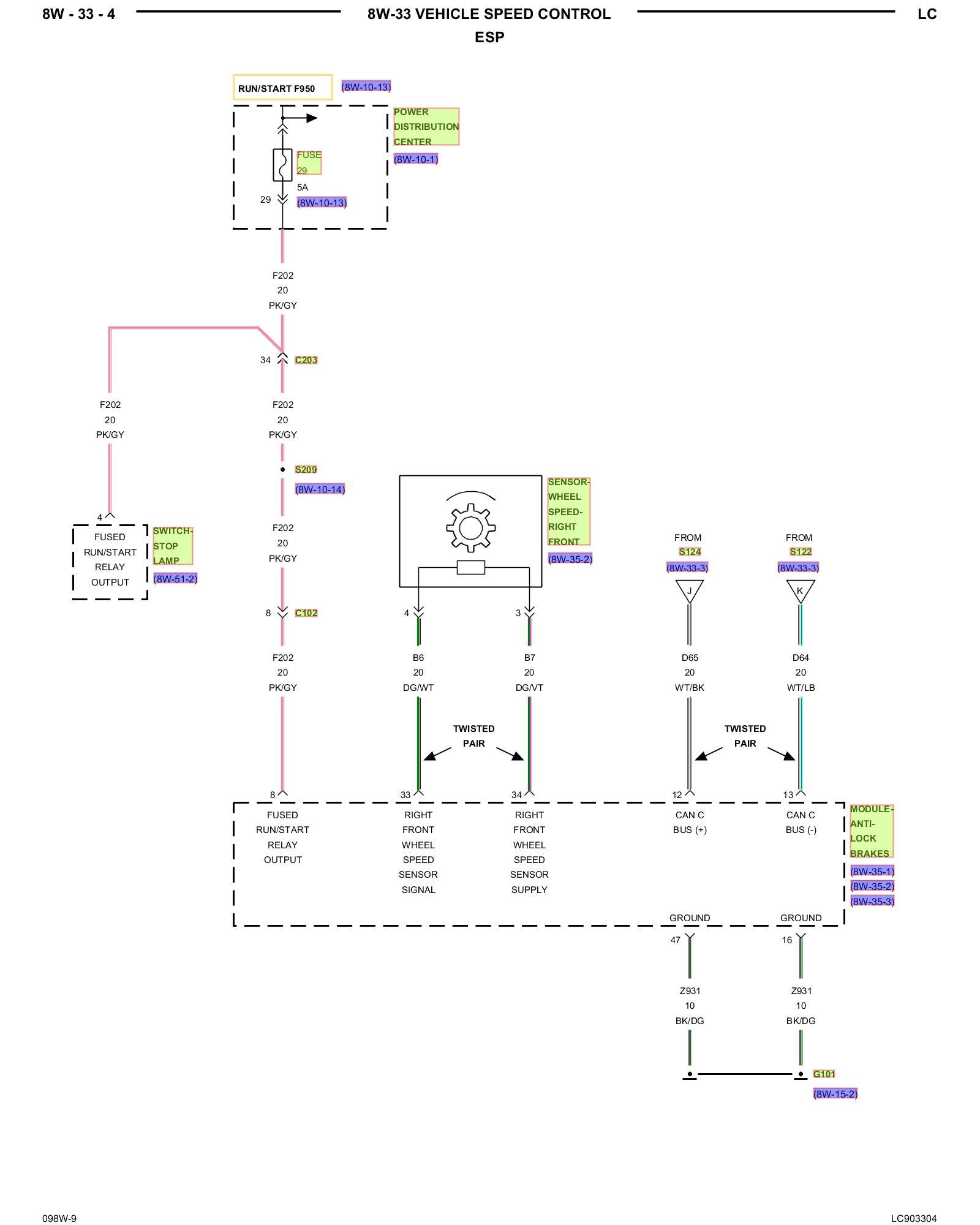
Vehicle Speed Control 8W-33-04 (ESP):





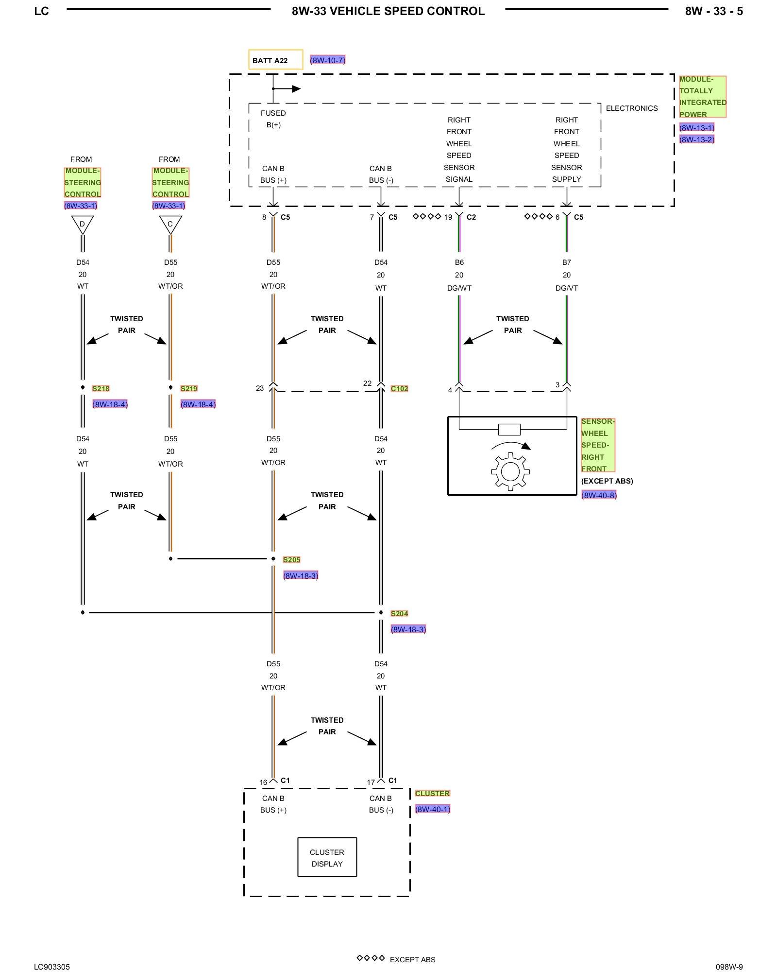
Vehicle Speed Control 8W-33-05:





Other Diagrams: Other diagrams referred to by number (i.e. 8W-70-2, etc.) within these diagrams can be found at the vehicle level under Diagrams by Number Diagrams By Number