Curiosii for ever!: Car repair manuals for everyone.

Checking the Cooling Fan Operation





CHECKING THE COOLING FAN OPERATION





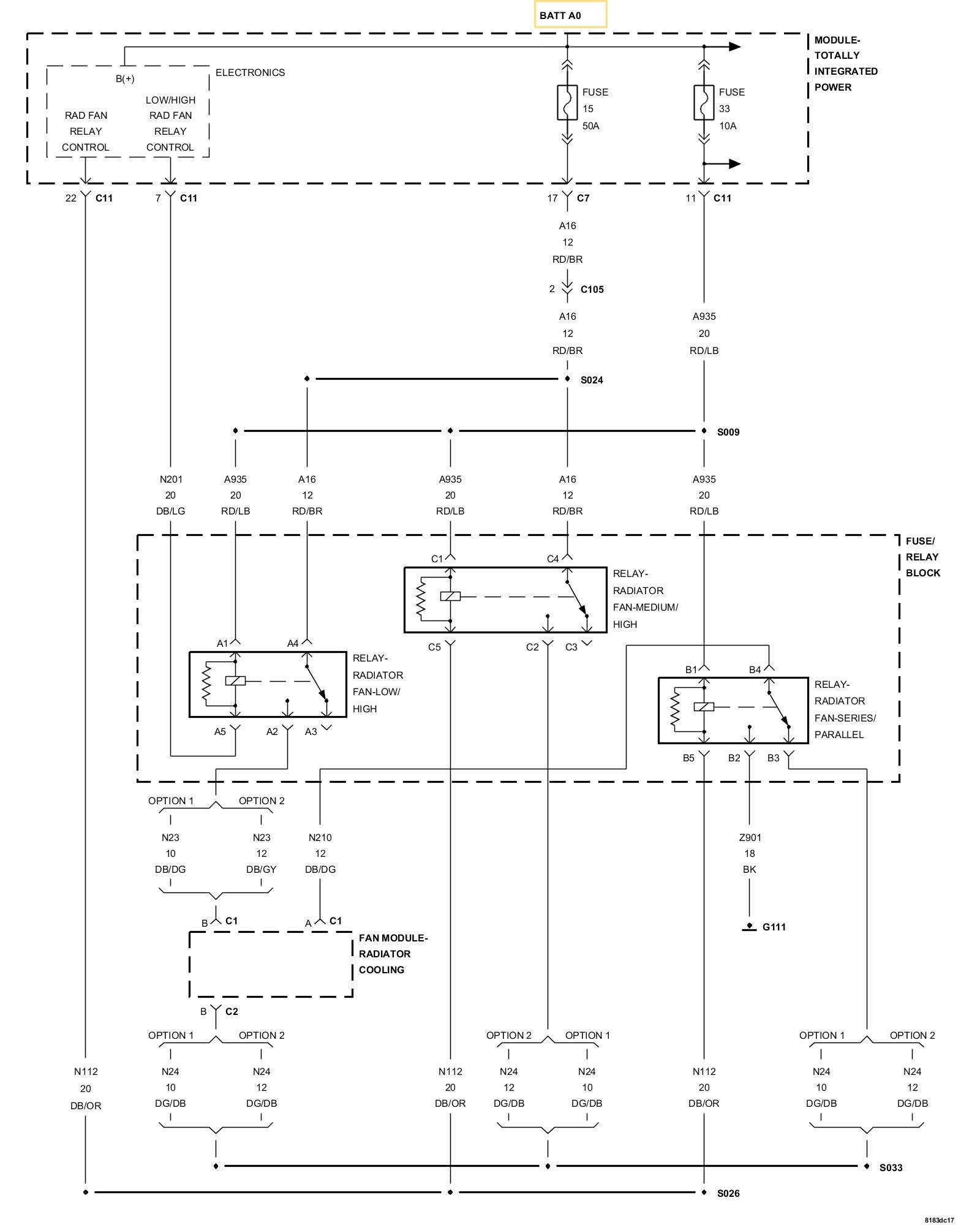
For a complete wiring diagram, refer to the Wiring Information. Electrical Diagrams

1. RADIATOR FAN MEDIUM/HIGH RELAY

NOTE: Diagnose and repair any Coolant Fan circuit or Temperature Sensor circuit DTCs before proceeding with this test.

1. Turn the ignition on.
2. With the scan tool, actuate the Radiator Fan 2 Control State.

Does The Cooling Fan Operate?

Yes

- Go To 2

No

- Go To 11

2. RADIATOR FAN LOW/HIGH RELAY
1. With the scan tool, actuate the Radiator Fan 1 Control State.

Do both Cooling Fans Operate?

Yes

- Test complete.

No

- Go To 3

3. (N23) LOW/HIGH RAD FAN RELAY OUTPUT CIRCUIT
1. Turn the ignition off.
2. Disconnect the C1 Radiator Cooling Fan Module harness connector.
3. Turn the ignition on.
4. Using a 12-volt test light connected to ground, check the (N23) Low/High Rad Fan Relay Output circuit in the C1 Radiator Cooling Fan Module harness connector.
5. With the scan tool, actuate the Radiator Fan 1 Control State.

NOTE: The test light should be illuminated and bright. Compare the brightness to that of a direct connection to the battery.

Is the test light illuminated and bright?

Yes

- Go To 6

No

- Go To 4

4. RADIATOR FAN LOW/HIGH RELAY
1. Turn the ignition off.
2. Verify the Radiator Fan Low/High Relay is installed properly and the terminals are making a tight fit.
3. Remove the Radiator Fan Low/High Relay and substitute it with a known good Relay.
4. Turn the ignition on.
5. Using a 12-volt test light connected to ground, check the (N23) Low/High Rad Fan Relay Output circuit in the C1 Radiator Cooling Fan Module harness connector.
6. With the scan tool, actuate the Radiator Fan 1 Control State.

NOTE: The test light should be illuminated and bright. Compare the brightness to that of a direct connection to the battery.

Is the test light illuminated and bright?

Yes

- Replace the Radiator Fan Low/High Relay.
- Perform the PCM VERIFICATION TEST. PCM Verification Test.

No

- Go To 5

5. (N23) LOW/HIGH RAD FAN RELAY OUTPUT CIRCUIT OPEN OR HIGH RESISTANCE
1. Measure the resistance of the (N23) Low/High Rad Fan Relay Output circuit between the C1 Radiator Cooling Fan Module harness connector and the Radiator Fan Low/High Relay.

Is the resistance above 5.0 Ohms?

Yes

- Repair the (N23) Low/High Rad Fan Relay Output circuit for an open or high resistance.
- Perform the PCM VERIFICATION TEST. PCM Verification Test.

No

- Go To 17

6. (N210) RADIATOR FAN SERIES/PARALLEL RELAY
1. Turn the ignition off.
2. Connect the C1 Radiator Cooling Fan Module harness connector.
3. Remove the Radiator Fan Series/Parallel Relay.
4. Turn the ignition on.
5. Using a 12-volt test light connected to ground, check the (N210) Series/Parallel Rad Fan Relay Feed circuit in the Radiator Fan Series/Parallel Relay harness connector.
6. With the scan tool, actuate the Radiator Fan 1 Control State.

NOTE: The test light should be illuminated and bright. Compare the brightness to that of a direct connection to the battery.

Is the test light illuminated and bright?

Yes

- Go To 8

No

- Go To 7

7. COOLING FAN
1. Turn the ignition off.
2. Disconnect the C1 Radiator Cooling Fan Module harness connector.
3. Connect a jumper wire between the (N23) Low/High Rad Fan Relay Output circuit and the (N210) Series/Parallel Rad Fan Relay Feed of the C1 Radiator Cooling Fan Module harness connector.
4. Turn the ignition on.
5. Using a 12-volt test light connected to ground, check the (N210) Series/Parallel Rad Fan Relay Feed circuit in the Radiator Fan Series/Parallel Relay harness connector.
6. With the scan tool, actuate the Radiator Fan 1 Control State.

NOTE: The test light should be illuminated and bright. Compare the brightness to that of a direct connection to the battery.

Is the test light illuminated and bright?

Yes

- Replace the Cooling Fan.
- Perform the PCM VERIFICATION TEST. PCM Verification Test.

No

- Go To 9 NOTE: Remove the jumper wire before continuing.


8. RADIATOR FAN SERIES/PARALLEL RELAY
1. Turn the ignition off.
2. Verify the Radiator Fan Series/Parallel Relay is installed properly and the terminals are making a tight fit.
3. Remove the Radiator Fan Series/Parallel Relay and substitute it with a known good Relay.
4. Turn the ignition on.
5. With the scan tool, actuate the Radiator Fan 1 Control State.

Do Both Cooling Fans Operate?

Yes

- Replace the Radiator Fan Series/Parallel Relay.
- Perform the PCM VERIFICATION TEST. PCM Verification Test.

No

- Go To 17

9. (N210) RAD FAN HIGH/LOW CONTROL FEED SHORT TO GROUND
1. Turn the ignition off.
2. Measure the resistance between ground and the (N210) Rad Fan High/Low Relay Feed circuit in the C1 Radiator Cooling Fan Module harness connector.

Is the resistance below 100 Ohms?

Yes

- Repair the (N210) Rad Fan High/Low Control Feed circuit for a short to ground.
- Perform the PCM VERIFICATION TEST. PCM Verification Test.

No

- Go To 10

10. (N210) RAD FAN HIGH/LOW CONTROL FEED OPEN OR HIGH RESISTANCE
1. Measure the resistance of the (N210) Rad Fan High/Low Control Feed circuit between the C1 Radiator Cooling Fan Module harness connector and the Radiator Fan Series/Parallel Relay.

Is the resistance above 5.0 Ohms?

Yes

- Repair the (N210) Rad Fan High/Low Control Feed circuit for an open or high resistance.
- Perform the PCM VERIFICATION TEST. PCM Verification Test.

No

- Go To 17

11. (Z902) GROUND CIRCUIT OPEN
1. Turn the ignition off.
2. Disconnect the C2 Radiator Cooling Fan Module harness connector.
3. Using a 12-volt test light connected to voltage, check the (Z902) Ground circuit in the C2 Radiator Cooling Fan Module harness connector.

NOTE: The test light should be illuminated and bright. Compare the brightness to that of a direct connection to the battery.

Is the test light illuminated and bright?

Yes

- Go To 12

No

- Repair the (Z902) Ground circuit for an open or high resistance.
- Perform the PCM VERIFICATION TEST. PCM Verification Test.

12. (N24) RAD FAN RELAY OUTPUT CIRCUIT
1. Turn the ignition on.
2. Using a 12-volt test light connected to ground, check the (N24) Rad Fan Relay Output circuit in the C2 Radiator Cooling Fan Module harness connector.
3. With the scan tool, actuate the Radiator Fan 2 Control State.

NOTE: The test light should be illuminated and bright. Compare the brightness to that of a direct connection to the battery.

Is the test light illuminated and bright?

Yes

- Replace the Cooling Fan.
- Perform the PCM VERIFICATION TEST. PCM Verification Test.

No

- Go To 13

13. RADIATOR FAN MEDIUM/HIGH RELAY
1. Turn the ignition off.
2. Verify the Radiator Fan Medium/High Relay is installed properly and the terminals are making a tight fit.
3. Remove the Radiator Fan Medium/High Relay and substitute it with a known good Relay.
4. Turn the ignition on.
5. Using a 12-volt test light connected to ground, check the (N24) Rad Fan Relay Output circuit in the C2 Radiator Cooling Fan Module harness connector.
6. With the scan tool, actuate the Radiator Fan 2 Control State.

NOTE: The test light should be illuminated and bright. Compare the brightness to that of a direct connection to the battery.

Is the test light illuminated and bright?

Yes

- Replace the Radiator Fan Medium/High Relay.
- Perform the PCM VERIFICATION TEST. PCM Verification Test.

No

- Go To 14

14. (A16) FUSED B+ CIRCUIT
1. Turn the ignition off.
2. Remove the Radiator Fan Medium/High Relay.
3. Turn the ignition on.
4. Using a 12-volt test light connected to ground, check the (A16) Fused B+ circuit in the Radiator Fan Medium/High Relay harness connector.

NOTE: The test light should be illuminated and bright. Compare the brightness to that of a direct connection to the battery.

Is the test light illuminated and bright?

Yes

- Go To 16

No

- Go To 15

15. (A16) FUSED B+ CIRCUIT OPEN OR SHORT TO GROUND
1. Turn the ignition off.
2. Inspect the (A16) Fused B+ fuse.

Is the fuse open?

Yes

- Repair the (A16) B+ circuit, the (N23) Low/High Rad Fan Relay Output circuit or the (N24) Rad Fan Medium/High Relay Output circuit for a short to ground.
- Replace the (A16) Fused B+ fuse.
- Perform the PCM VERIFICATION TEST. PCM Verification Test.

No

- Repair the (A16) Fused B+ circuit for an open.
- Perform the PCM VERIFICATION TEST. PCM Verification Test.

16. (N24) RAD FAN RELAY OUTPUT CIRCUIT OPEN OR HIGH RESISTANCE
1. Measure the resistance of the (N24) Rad Fan Relay Output circuit between the C2 Radiator Cooling Fan Module harness connector and the Radiator Fan Medium/High Relay harness connector.

Is the resistance above 5.0 Ohms?

Yes

- Repair the (N24) Rad Fan Relay Output circuit for an open or high resistance.
- Perform the PCM VERIFICATION TEST. PCM Verification Test.

No

- Go To 17

17. RELAY BLOCK

NOTE: Before continuing, check the connector terminals for corrosion, damage, or terminal push out. Repair as necessary.

1. Using the schematics as a guide, inspect the wire harness and connectors. Pay particular attention to all Power and Ground circuits.

Were there any problems found?

Yes

- Repair as necessary.
- Perform the PCM VERIFICATION TEST. PCM Verification Test.

No

- Replace the Relay Block.
- Perform the PCM VERIFICATION TEST. PCM Verification Test.