Curiosii for ever!
: Car repair manuals for everyone.
Home
>>
Dodge
>>
2009
>>
Avenger L4-2.4L
>>
Repair and Diagnosis
>>
Transmission and Drivetrain
>>
Automatic Transmission/Transaxle
>>
Transmission Speed Sensor
>>
Service and Repair
>>
Input Speed Sensor - Installation
Input Speed Sensor - Installation
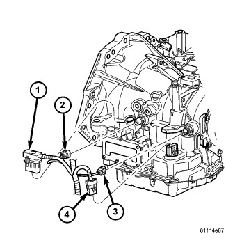
INSTALLATION
1.
Verify O-ring (2) is installed into position.
2.
Install and tighten input speed sensor (1) to 27 Nm (20 ft. lbs.).
3.
Connect speed sensor connector (4).
4.
Connect battery negative cable.