Curiosii for ever!
: Car repair manuals for everyone.
Home
>>
Dodge
>>
2009
>>
Avenger L4-2.4L
>>
Repair and Diagnosis
>>
Transmission and Drivetrain
>>
Automatic Transmission/Transaxle
>>
Diagrams
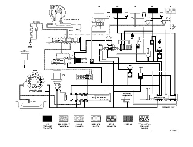
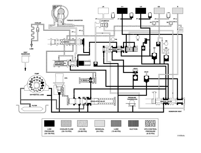
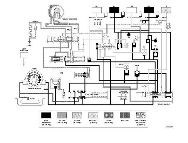
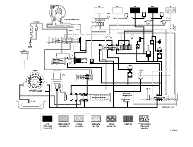
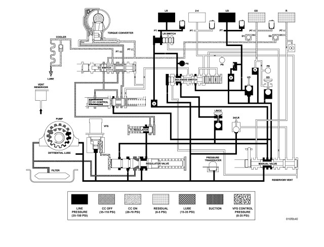
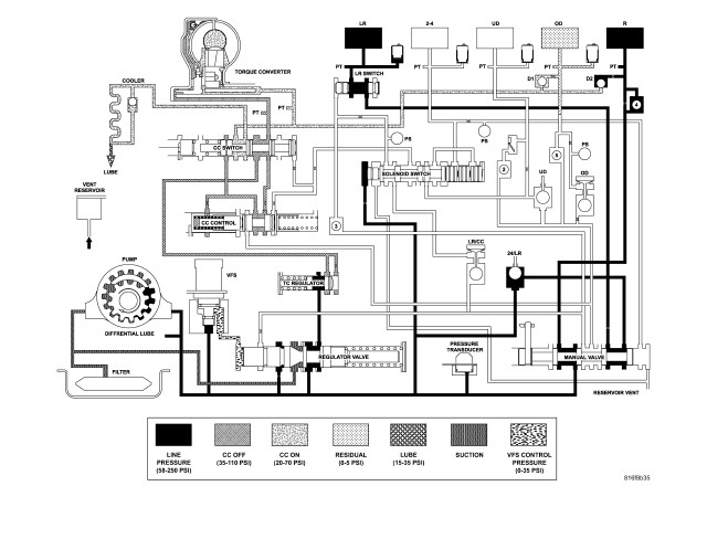
Automatic Transmission/Transaxle: Diagrams
40/41TE - WITH VARIABLE LINE PRESSURE