Curiosii for ever!: Car repair manuals for everyone.

A/C Condenser - Removal






REMOVAL

WARNING: Refer to the applicable warnings and cautions for this system before performing the following operation Warning and Caution . Failure to follow these instructions may result in possible serious or fatal injury.

CAUTION: Before removing the A/C condenser, note the location of each of the radiator/condenser air seals. These air seals are used to direct air through the A/C condenser and radiator. The air seals must be reinstalled in their proper locations in order for the A/C and engine cooling systems to perform as designed.





1. Disconnect and isolate the negative battery cable.
2. Recover the refrigerant from the refrigerant system Refrigerant System Recovery.
3. If equipped with the 2.0L diesel engine, remove the front fascia Front Bumper Fascia - Removal.

NOTE: It is not necessary to remove the hood latch from the upper radiator support on gasoline engine equipped models for A/C condenser service.

4. If equipped with a gasoline engine, remove the upper radiator mounts from the radiator support Engine Cooling Radiator - Removal.
5. On gasoline engine equipped models, carefully push the radiator (6) slightly rearward to gain access to the A/C condenser (2).
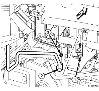
6. Remove the nut (1) that secures the A/C discharge line (7) to the discharge jumper line (5) located on the right side of the A/C condenser (3).
7. Disconnect the A/C discharge line from the discharge jumper line and remove and discard the O-ring seal and gasket.
8. Remove the nut (4) that secures the discharge jumper line to the A/C condenser.
9. Remove the bolt (2) that secures the discharge jumper line to the radiator.
10. Disconnect the discharge jumper line from the A/C condenser and remove and discard the O-ring seal and gasket.
11. Install plugs in, or tape over the opened discharge and jumper line fittings and the condenser port.






NOTE: Illustration shown with front fascia removed for clarity.

12. Raise and support the vehicle.

NOTE: On gasoline engine equipped models, reach up through the opening in the bottom of the front fascia located in the right front corner of the vehicle to gain access to the A/C liquid line.

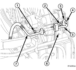
13. Remove the nut (3) that secures the A/C liquid line (2) to the right side of the A/C condenser (1).
14. Disconnect the A/C liquid line from the A/C condenser and remove and discard the O-ring seal and gasket.
15. Install plugs in, or tape over the opened liquid line fitting and the condenser outlet port.






NOTE: Illustration shown with front fascia removed for clarity.

16. Remove the two bolts (3) that secure the lower condenser brackets to the radiator (5).
17. Lower the vehicle.
18. If equipped, disconnect the automatic transmission cooler lines (2) from the left side of the A/C condenser (1) Service and Repair.
19. Carefully lift the A/C condenser straight up and disengage the two upper condenser brackets (4) from the radiator and remove the condenser from the engine compartment.