Curiosii for ever!: Car repair manuals for everyone.

Occupant Restraint Controller - Installation







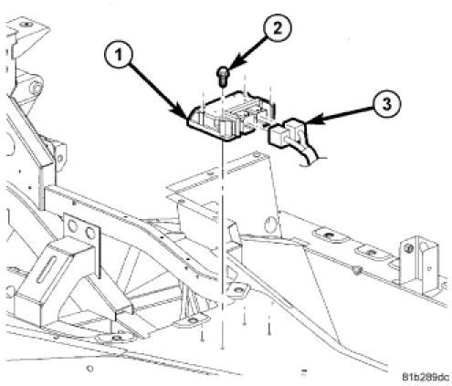
INSTALLATION





1. Place the ORC (1) into center stack area and place in mounting location.

WARNING: Make sure ORC (1) is positioned properly on the floor tunnel with the arrow pointing forward. Failure to do so could result in personal injury or death.

2. Install the three retaining screws to the ORC. Tighten bolts to 13.5 Nm (120 in. lbs.).
3. Connect the two electrical connectors (3) to the ORC (1).
4. Install the cluster bezel Instrument Panel Cluster Bezel - Installation.
5. Install the center bezel Instrument Panel Center Bezel - Installation.
6. Install the center console Center Console - Installation.

WARNING: Do not connect the battery negative cable. Serious or fatal injury may result if the system test is not performed first. Testing and Inspection

7. Place battery access cover into place and install four bolts.
8. Close deck lid.