Curiosii for ever!: Car repair manuals for everyone.

Powertrain Control Module - Removal







REMOVAL





If the powertrain control module (PCM) is replaced, update the mileage and vehicle identification number (VIN) in the new PCM. Use the scan tool to change the mileage and VIN in the PCM. If this step is not done a Diagnostic Trouble Code (DTC) may be set. Refer to the appropriate Powertrain Diagnostics and the scan tool. Testing and Inspection

To avoid possible voltage spike damage to PCM, ignition key must be off, and the negative battery cable must be disconnected before unplugging the PCM connectors.





NOTE: Note radio programs.

1. Disconnect and isolate negative battery cable at battery.




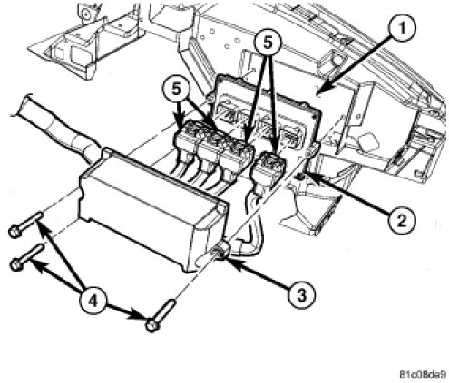
2. Remove mounting bolts (4), cover (3) and PCM (2) from left side inner fender support (1)
3. Disconnect electrical connectors (5) from PCM (2).