Curiosii for ever!: Car repair manuals for everyone.

No Response From PCM (Powertrain Control Module) - GPEC







*NO RESPONSE FROM PCM (POWERTRAIN CONTROL MODULE) (GPEC)





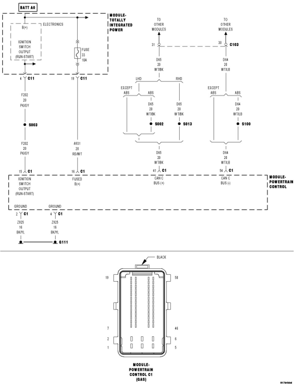
For a complete wiring diagram Consult Diagrams/Electrical.





Diagnostic Test

1. TEST FOR INTERMITTENT CONDITION
NOTE: Check for any TSB(s) related to the condition. If a TSB applies, perform the procedure outlined in the TSB before continuing.

Turn the ignition on.

NOTE: Ensure the IOD fuse is installed and battery voltage is between 10.0 and 16.0 volts.

With the scan tool, select ECU view.

NOTE: A red X will be next to the module that is not communicating, indicating that the module is not active on the Bus network. A green check indicates that the module is active on the Bus network.

NOTE: Check the TIPM for any active CAN C hardware DTC's, perform DTC before proceeding.

Does the scan tool display a red X next to the module?

Yes

- Go To 2

No

- The no response condition is not present at this time. Using the wiring diagram/schematic as a guide, inspect the wiring for chafed, pierced, pinched, and partially broken wires and the wiring harness connectors for broken, bent, pushed out, and corroded terminals.

2. (A931) FUSED B(+) CIRCUIT OPEN OR SHORTED




Turn the ignition off.
Disconnect the PCM C1 harness connector.
Using a 12-volt test light connected to ground, check the (A931) Fused B(+) circuit.
Does the test light illuminate brightly?

Yes

- Go To 3

No

- Repair the (A931) Fused B(+) circuit for an open or short.
- Perform the appropriate POWERTRAIN VERIFICATION TEST Powertrain Verification Test.

3. (Z925) GROUND CIRCUIT OPEN




Using a 12-volt test light connected to 12-volts, check the (Z925) ground circuit.
Does the test light illuminate brightly?

Yes

- Go To 4

No

- Repair the ground circuit for an open.
- Perform the appropriate POWERTRAIN VERIFICATION TEST Powertrain Verification Test.

4. (F202) IGNITION SWITCH OUTPUT CIRCUIT OPEN OR SHORTED




Turn the ignition on.
Using a 12-volt test light connected to ground, check the (F202) Ignition Switch Output circuit.
Does the test light illuminate brightly?

Yes

- Go To 5

No

- Repair the (F202) Ignition Switch Output circuit for an open or short.
- Perform the appropriate POWERTRAIN VERIFICATION TEST Powertrain Verification Test.

5. (D65) CAN C BUS (+) CIRCUIT OPEN




Turn the ignition off.
Disconnect the TIPM C3 harness connector.
Measure the resistance of the (D65) CAN C Bus (+) circuit between the TIPM C3 harness connector and the PCM C1 harness connector.
Is the resistance below 5.0 ohms?

Yes

- Go To 6

No

- Repair the (D65) CAN C Bus (+) circuit for an open.
- Perform the appropriate POWERTRAIN VERIFICATION TEST Powertrain Verification Test.

6. (D64) CAN C BUS (-) CIRCUIT OPEN




Measure the resistance of the (D64) CAN C Bus (-) circuit between the TIPM C3 harness connector and the PCM C1 harness connector.
Is the resistance below 5.0 ohms?

Yes

- Replace and program the Powertrain Control Module.
- Perform the appropriate POWERTRAIN VERIFICATION TEST Powertrain Verification Test.

No

- Repair the (D64) CAN C Bus (-) circuit for an open.
- Perform the appropriate POWERTRAIN VERIFICATION TEST Powertrain Verification Test.