Curiosii for ever!: Car repair manuals for everyone.

Installation






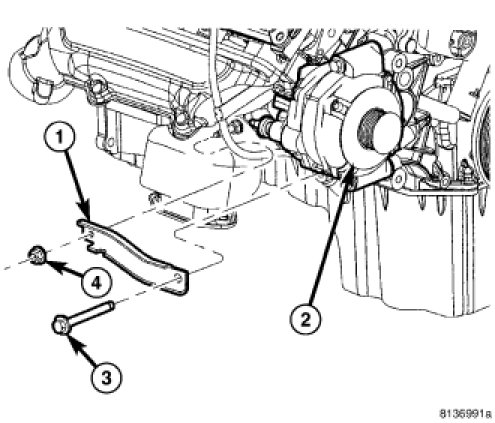
5.7L





1. Position generator (2) to engine and install 2 mounting bolts (1).

2. Tighten bolts. Refer to Torque Specifications.





3. Position support bracket (1) to generator and install bolt (3) and nut (4). Tighten bolt / nut. Refer to Torque Specifications.

4. Snap field wire connector into rear of generator.

5. Install B+ terminal eyelet to generator output stud. Tighten mounting nut. Refer to Torque Specifications.

6. Lower vehicle.

CAUTION: Never force a belt over a pulley rim using a screwdriver. The synthetic fiber of the belt can be damaged.

CAUTION: When installing a serpentine accessory drive belt, the belt MUST be routed correctly. The water pump may be rotating in the wrong direction if the belt is installed incorrectly, causing the engine to overheat. Refer to belt routing label in engine compartment, or refer to Belt Schematics in Cooling System.

7. Install generator drive belt.
8. Install negative battery cable to battery.