Installation
INSTALLATION
WARNING: To service any component of the SCCM, the entire assembly must be removed from the column. This must be done due to the clockspring passing through the assembly and into the self docking connector. Failure to remove the assembly could damage the pins of the clockspring and prevent the airbag system from operating properly.
1. Install the SCCM (1) onto the steering column.
2. Tighten the set screw (1) securing the SCCM (2).
3. Tighten clockspring screw(s) (1) that were backed out to keep the clockspring from unwinding.
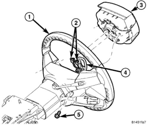
4. Align the spline on the steering wheel hub to shaft and install the steering wheel (1).
5. Install a NEW retaining bolt (2). Tighten the bolt to 70 Nm (52 ft. lbs.).
6. Install the driver airbag (3).
7. Connect the battery negative cable. If equipped with Electronic Stability Program (ESP), the steering angle sensor must be calibrated.