Curiosii for ever!: Car repair manuals for everyone.

Installation






INSTALLATION

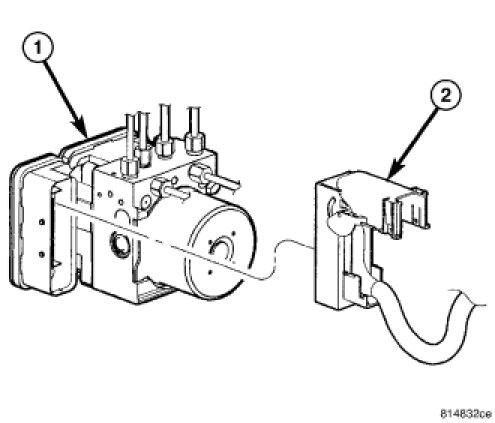
1. Clean any debris off the mating surfaces of the HCU and ABM.

CAUTION: When installing new O-rings or solenoid valve stem seals, do not use any type of lubricant.





2. If the seals (1) on the solenoid valve stems (2) are not new, replace them all. Each of the solenoid valve stem seals must be new to keep out moisture and debris; do not reuse solenoid valve stem seals.





3. Replace the pump/motor connector O-ring (1) if it is not new. Be sure the O-ring is properly seated in the mounting groove (2).





4. Align components and install the ABM (1) on the HCU (2).





5. Install the four screws (1) attaching the ABM (2) to the HCU. Tighten the mounting screws to 2 Nm (17 in. lbs.).





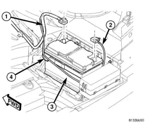
6. Position ICU (1) above mounting grommets (2) located in body side rail and press mounting bracket into place.





7. Clip rear brake tubes (1, 2) to routing clip (3) on bracket below Fuse And Relay Center.





8. Clip right front brake tube (3) to routing clip on bracket below Fuse And Relay Center.

9. Clip brake tubes to two routing clips (1) along upper radiator support.





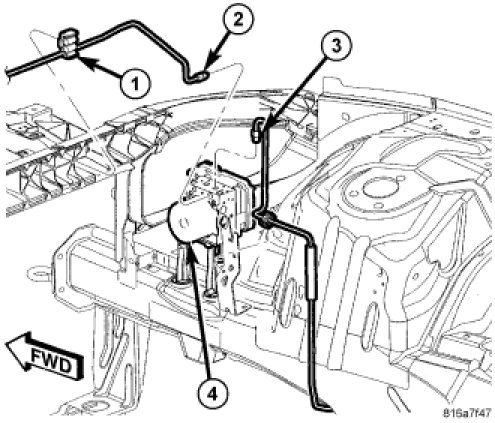
CAUTION: Before installing the ABM harness connector (2) on the ABM (1), be sure the seal is properly installed in the connector.

10. Insert ABM harness connector (2) into socket of ABM (1) and close cover, locking connector in place.





11. Connect battery negative cable (2) to battery post. It is important that this is performed properly.

12. Perform Diagnostic Verification Test and clear any faults.