Occupant Classification Module - Installation
INSTALLATION
WARNING: A non-calibrated Occupant Classification Module (OCM) is available for separate service replacement. The OCM and all of the other components of the Occupant Classification System (OCS) including the passenger side front seat, the seat weight sensors, the passenger or driver seat track position sensor and the seat adjusters, cushion, back, frame, foam, springs, and wiring harness are a factory-calibrated and assembled unit. Any time any one of these components is removed or replaced for any reason, the OCM must be re-calibrated using a diagnostic scan tool, the Occupant Classification Seat Weight special tool 9077, and the Occupant Classification System Verification Test. Refer to the appropriate diagnostic procedures.
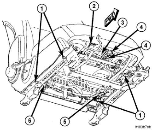
1. Position the Occupant Classification Module (OCM) (3) under the passenger front seat cushion.
2. Connect the two electrical connectors (4) to the OCM (3).
3. Carefully position the OCM to the seat cushion pan.
4. Install the two screws that secure the OCM to the seat cushion pan.
WARNING: Do not connect the battery negative cable. Personal injury or death may result if the system test is not performed first.
WARNING: Following successful completion of the Airbag System verification test procedure, perform the Occupant Classification System Verification Test using a diagnostic scan tool and the Occupant Classification Seat Weight special tool 9077. Refer to the appropriate diagnostic information.