Curiosii for ever!: Car repair manuals for everyone.

Front Door Window Regulator: Service and Repair

REMOVAL




1. Remove the trim panel from the inside of the front door.
2. Remove the speaker from the inside of the front door.
3. Remove the watershield from the inside of the front door.
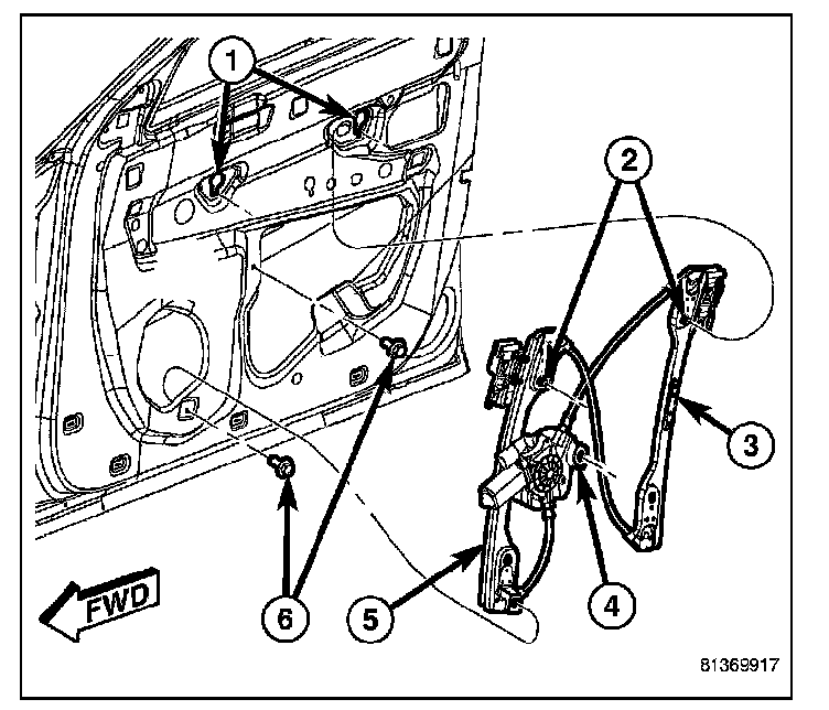
4. Remove the screw (3) that secures the bottom of the pull cup bracket (2) and the bottom of the window regulator rear rail to the inside of the front door.
5. Loosen the screw (1) that secures the top of the pull cup bracket to the inside of the front door.
6. Disengage the upper pull cup bracket screw from the keyed hole and remove the bracket from the inside of the front door.




7. Using the regulator, adjust the front door glass (1) position up or down as required for access to the two window regulator glass clamps (3).
8. Loosen the screw (2) in each of the glass clamps far enough to release the glass.
9. Lift the glass out of the regulator clamps and into its full up position, then tape the glass securely into place.




10. Remove the two screws (6) that secure the bottom of the front regulator rail (5) and the regulator motor support bracket (4) to the inside of the door.
11. Loosen the two screws (2) that secure the tops of both regulator rails to the keyed holes (1) on the inside of the door.
12. Lift the front regulator rail upward within the door far enough to disengage the screw from the keyed hole in the door.





13. Lower the front regulator rail within the door (1) far enough to access and disconnect the door wire harness connector (4) from the regulator motor (2) through the speaker mounting hole (3) on the inside of the door near the front.
14. Lift the rear regulator rail upward within the door far enough to disengage the screw from the keyed hole in the door.
15. Remove the regulator through the large access hole on the inside of the door near the rear.

INSTALLATION




1. Load the regulator into the door through the large access hole on the inside of the door near the rear.
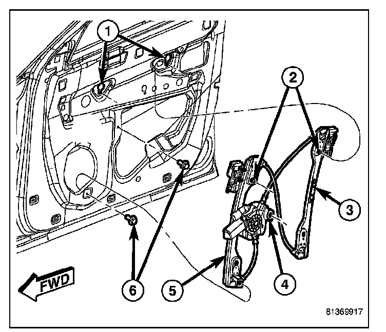
2. Engage the screw (2) at the top of the rear regulator rail (3) into the keyed hole (1) on the inside of the door near the rear.




3. Position the front regulator rail within the door (1) so that the door wire harness connector (4) can be reconnected to the regulator motor (2) through the speaker mounting hole (3) on the inside of the door near the front.
4. Engage the screw at the top of the front regulator rail into the keyed hole on the inside of the door near the front.
5. Install and tighten the two screws that secure the bottom of the front regulator rail and the regulator motor support bracket to the inside of the door. Tighten the screws to 10 N.m (90 in.lbs.).
6. Tighten the two screws that secure the tops of both regulator rails to the keyed holes on the inside of the door. Tighten the screws to 10 N.m (90 in.lbs.).




7. Remove the tape securing the door glass in its full up position, then lower the glass to engage it into the two window regulator glass clamps (3).
8. Using the regulator, lower the glass far enough to access the two window regulator glass clamp screws (2).
9. Tighten the screw in each of the glass clamps. Tighten the screws to 10 N.m (90 in.lbs.).




10. With the upper screw (1) hand-started into the pull cup bracket (2), position the screw into the keyed hole on the inside of the front door.
11. Install and tighten the screw (3) that secures the bottom of the pull cup bracket and the bottom of the window regulator rear rail to the inside of the front door. Tighten the screw to 11 N.m (100 in.lbs.).
12. Tighten the screw that secures the top of the pull cup bracket to the inside of the front door. Tighten the screw to 10 N.m (90 in.lbs.).
13. Install the watershield onto the inside of the front door.
14. Install the speaker onto the inside of the front door.
15. Install the trim panel onto the inside of the front door.