Curiosii for ever!
: Car repair manuals for everyone.
Home
>>
Dodge
>>
2005
>>
Magnum V8-5.7L VIN H
>>
Repair and Diagnosis
>>
Power and Ground Distribution
>>
Fuse Block
>>
Locations
>>
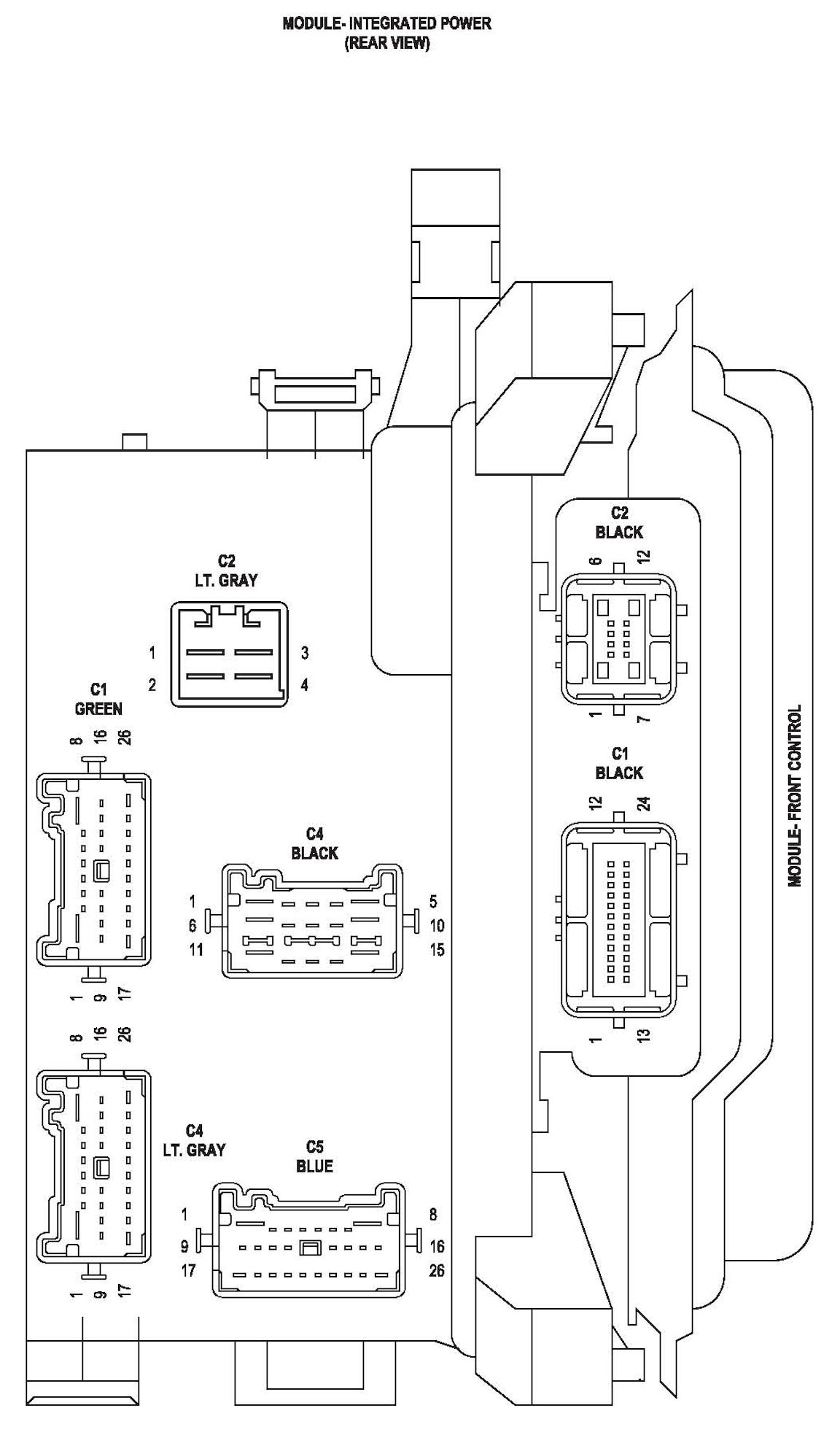
Integrated Power Module (IPM)
Integrated Power Module (IPM)