Curiosii for ever!: Car repair manuals for everyone.

Electronic Brake Control Module: Service and Repair

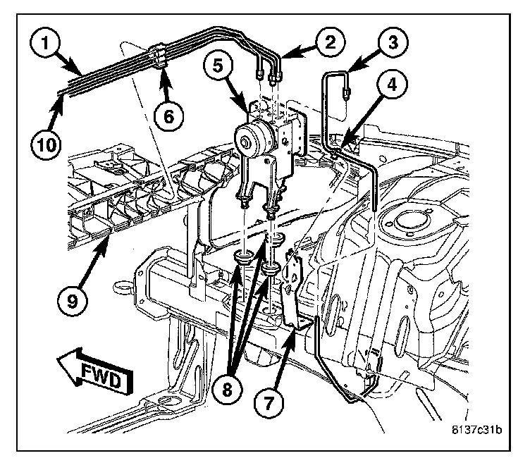
REMOVAL




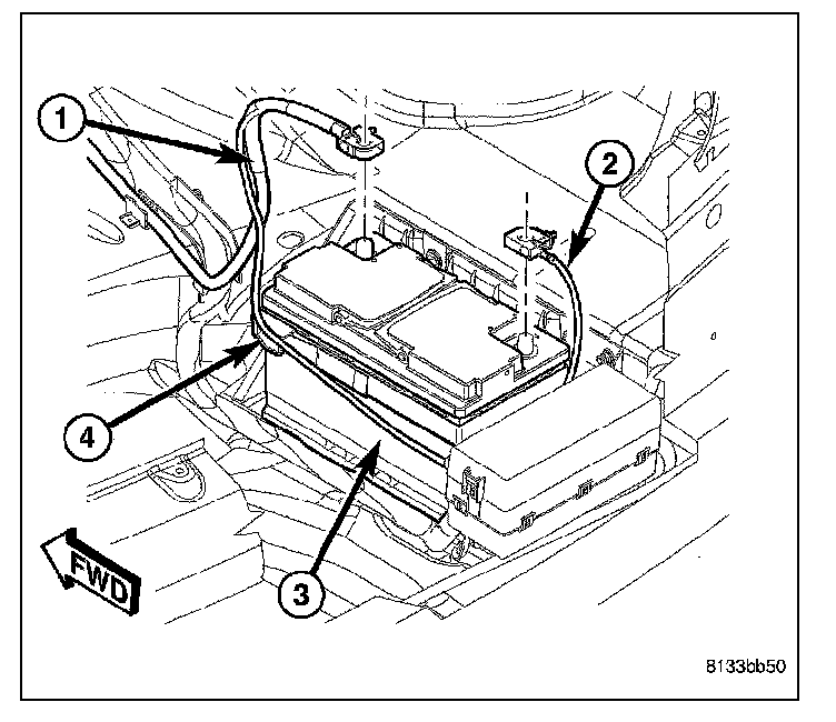
1. Disconnect negative (-) battery cable (2) from battery post and isolate.




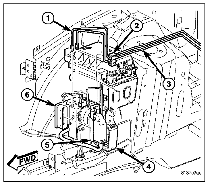
2. Disconnect 47-Way wiring connector (4) at ABM (6).




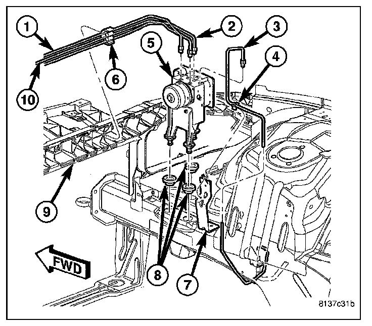
3. Unclip brake tubes (1, 2 and 10) from two routing clips (6) along upper radiator support.
4. Unclip brake tube (3) from routing clip (4) below Fuse And Relay Center.
5. Lift up on entire assembly (5) from mounting grommets (8) and move inboard allowing access to ABM attaching screws. Do not force brake tubes. Move assembly just enough to access mounting screws.




6. Remove three screws (2) attaching ABM (1).




7. Slide ABM (1) off HCU (3).

INSTALLATION




1. Align ABM solenoids and pump/motor wiring connector (4) with HCU valves (2) and connector passage. Slide ABM (1) onto HCU (3).




2. Install three screws (2) attaching ABM (1) to HCU. Tighten screws to 2 N.m (17 in.lbs.) torque.




3. Position assembly (5) above mounting grommets (8) and press mounting bracket into place.
4. Clip brake tube (3) to routing clip (4) below Fuse And Relay Center.
5. Clip brake tubes (1, 2 and 10) to two routing clips (6) along upper radiator support.




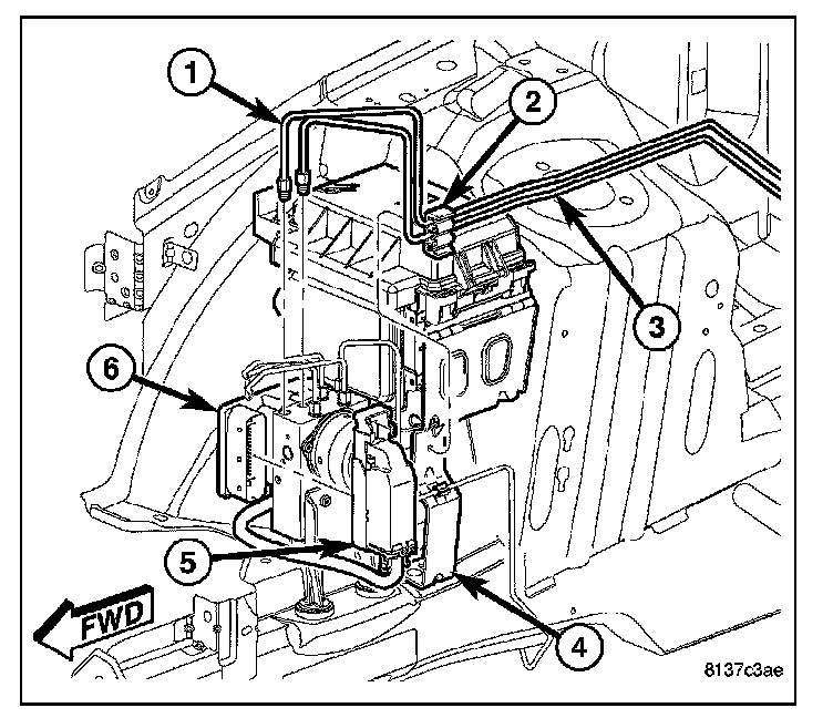
6. Connect 47-way wiring connector (5) at ABM (6).




7. Connect battery negative cable (2) to battery post. It is important that this is performed properly.
8. Perform Diagnostic Verification Test and clear any faults.