Curiosii for ever!
: Car repair manuals for everyone.
Home
>>
Dodge
>>
2003
>>
Stratus Coupe L4-2.4L VIN G
>>
Repair and Diagnosis
>>
Diagrams
>>
Exploded Views
>>
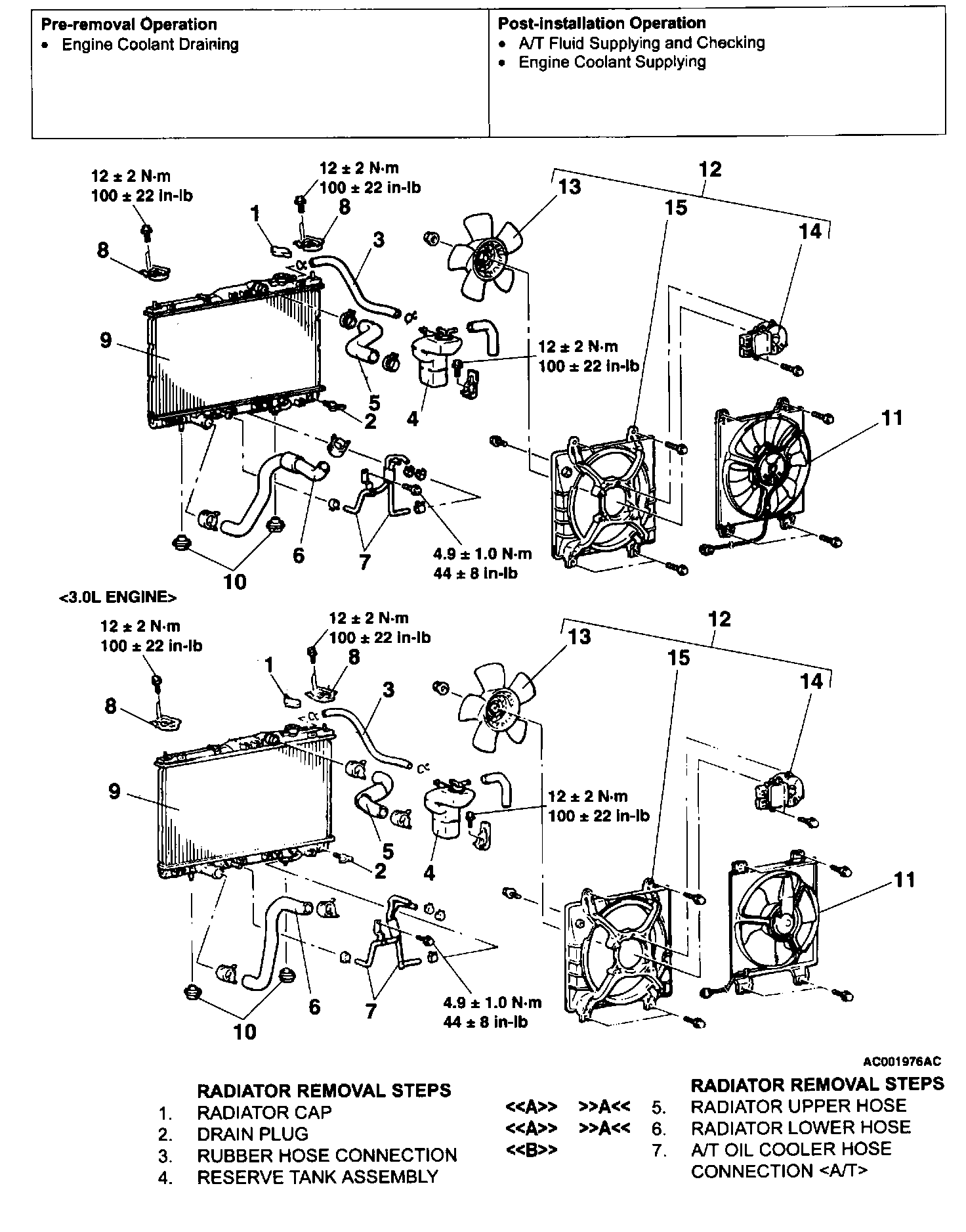
Radiator
Radiator
RADIATOR
REMOVAL AND INSTALLATION
<2.4L ENGINE>
<3.0L ENGINE>