Curiosii for ever!
: Car repair manuals for everyone.
Home
>>
Dodge
>>
2002
>>
Viper RT-10 V10-8.0L VIN E
>>
Repair and Diagnosis
>>
Diagrams
>>
Electrical Diagrams
>>
Powertrain Management
>>
Computers and Control Systems
>>
Engine Control Module
>>
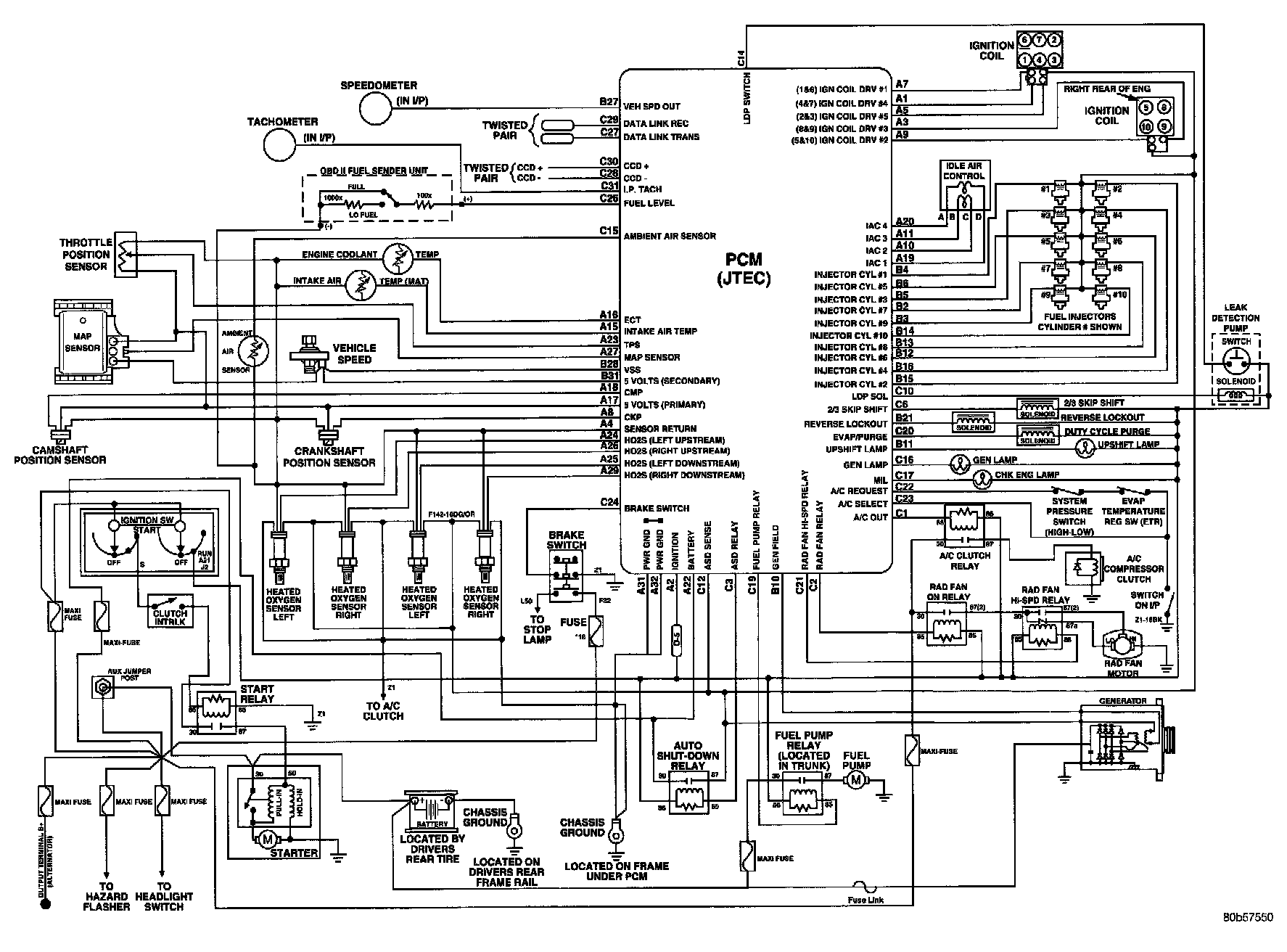
System Schematic
System Schematic
2002 Dodge SR 8.0L JTEC System: