Curiosii for ever!: Car repair manuals for everyone.

Wiring Diagrams

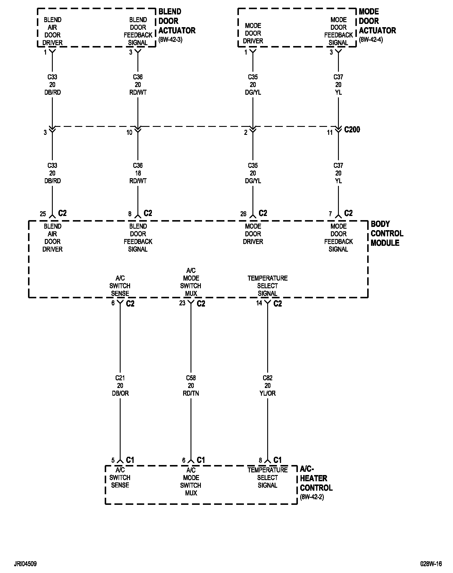
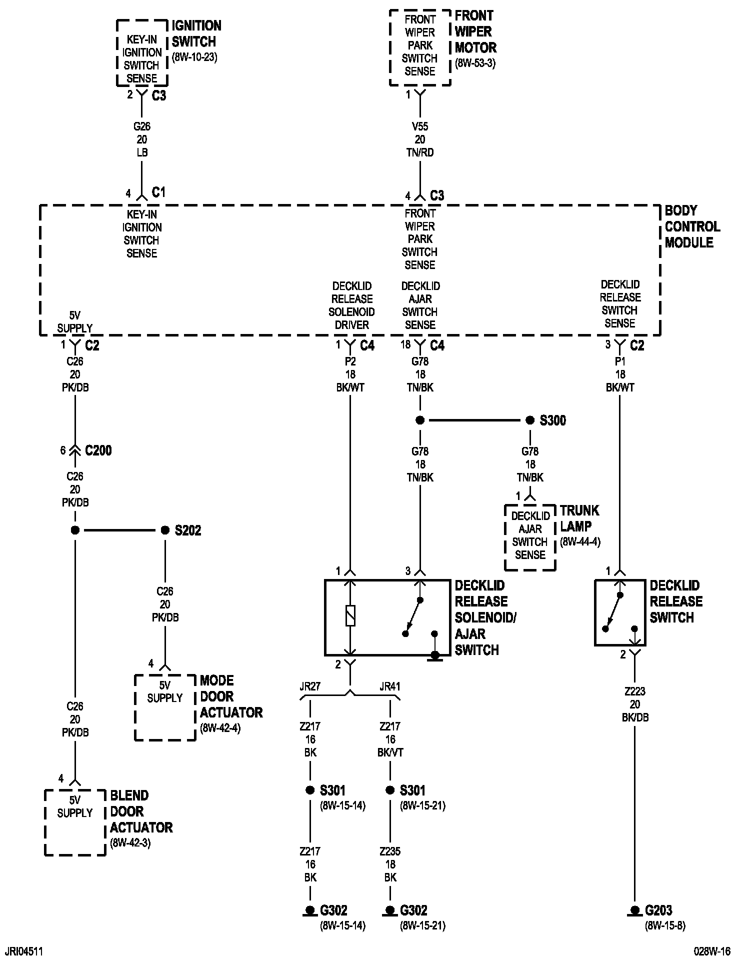
Body Control Module Component Index:




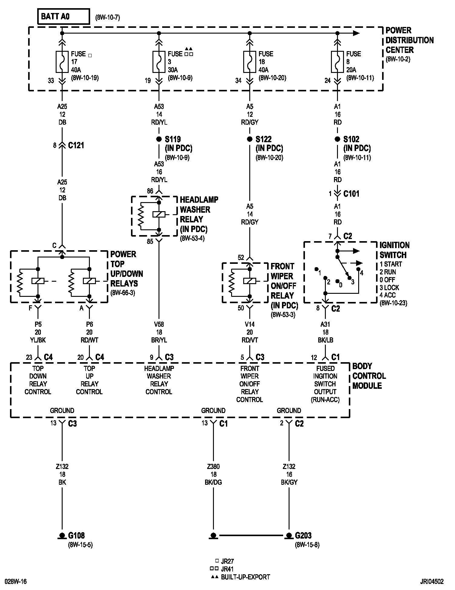
8w-45-2:




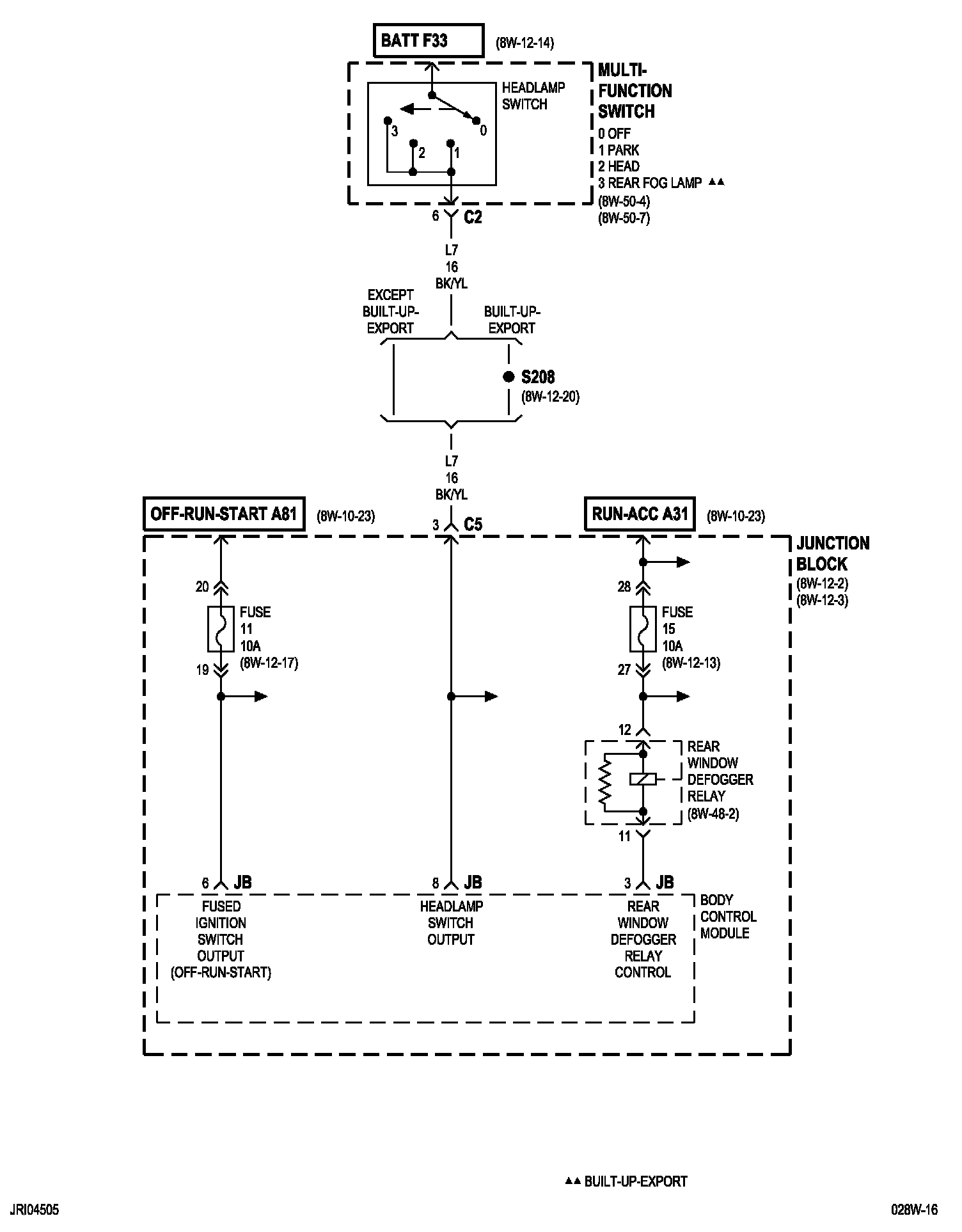
8w-45-3:




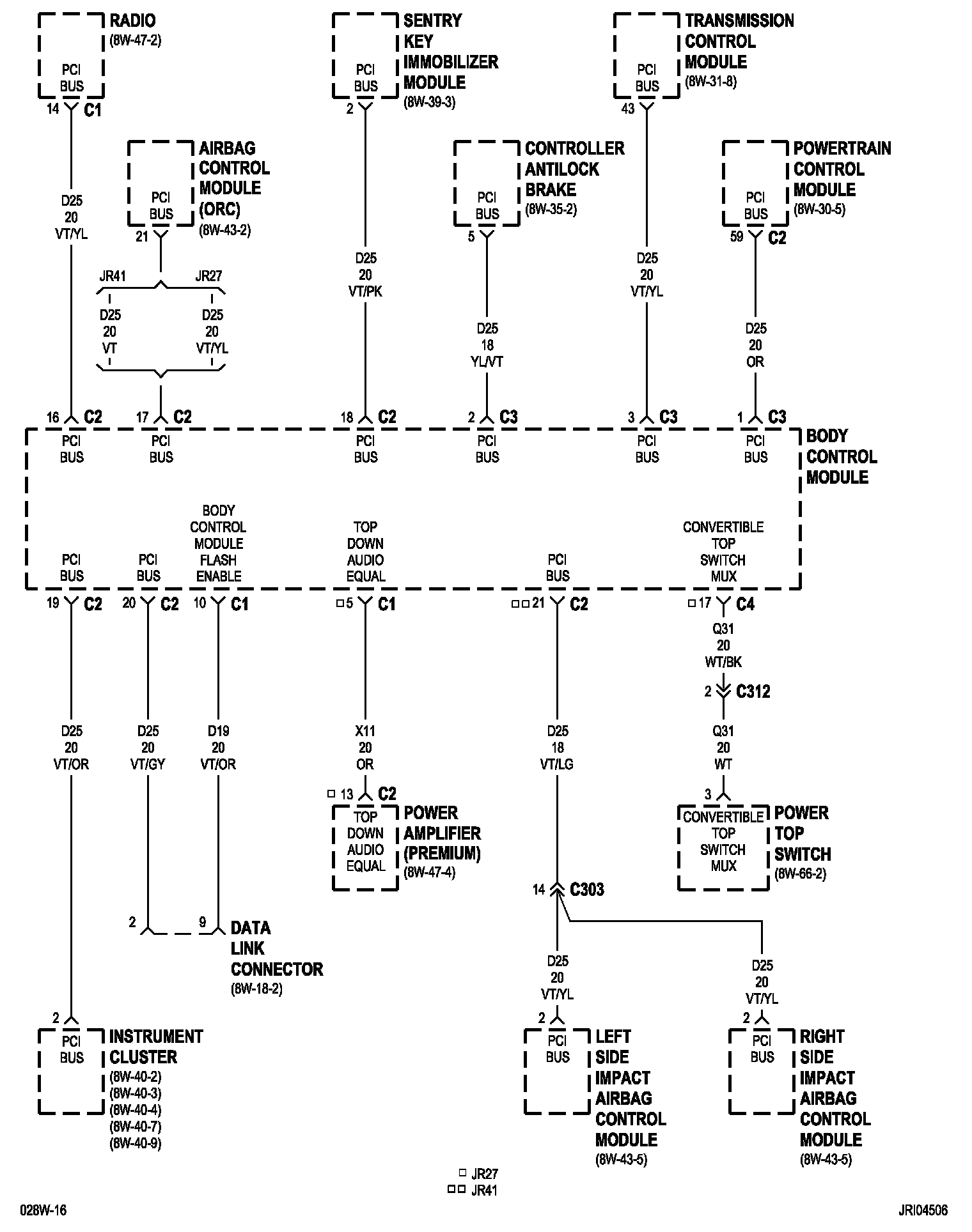
8w-45-4:




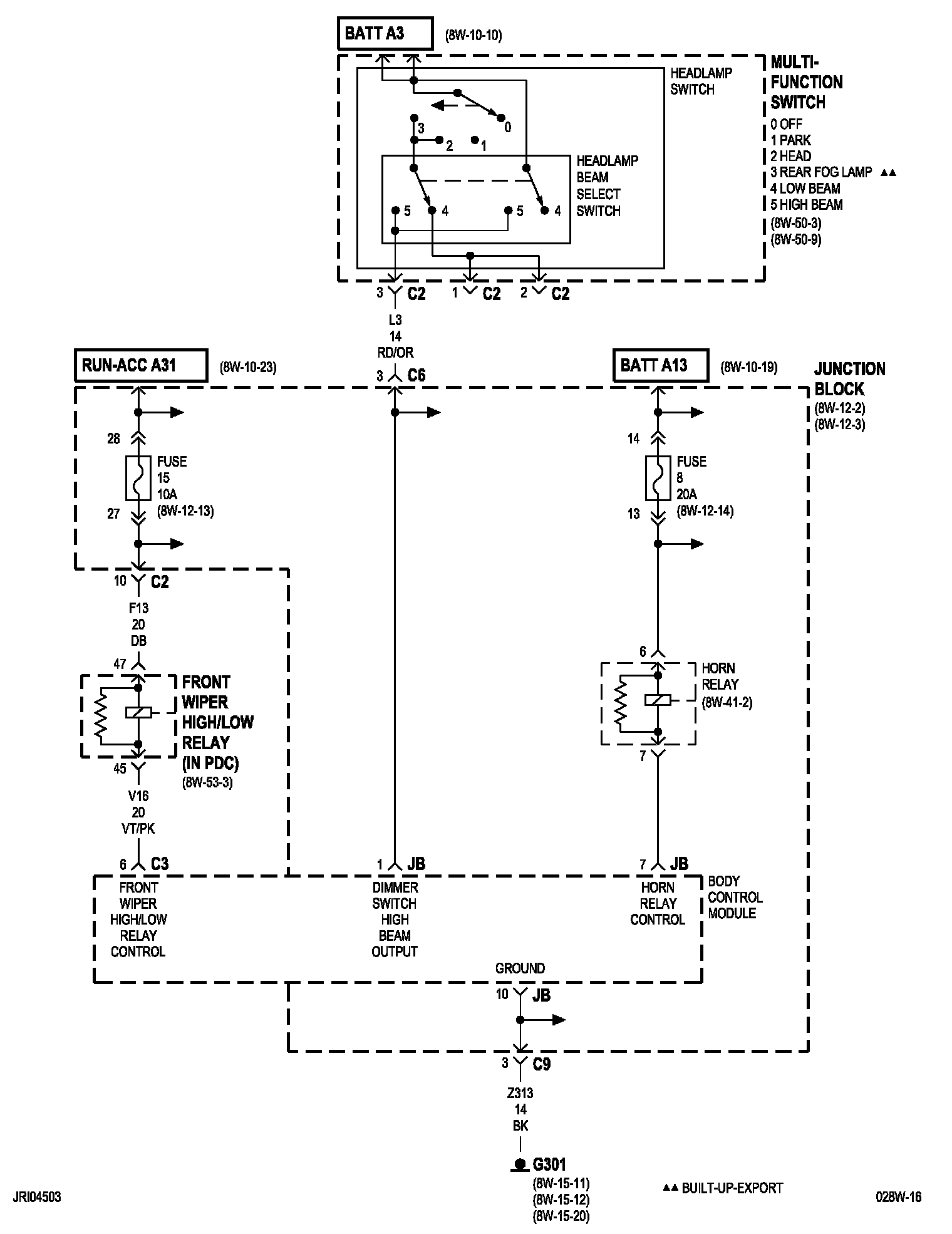
8w-45-5:




8w-45-6:




8w-45-7:




8w-45-8:




8w-45-9:




8w-45-10:




8w-45-11:




8w-45-12 (JR41):




8w-45-13 (JR41):






NOTE: To view sheets referred to in these diagrams, see Complete Body and Chassis Diagrams. Electrical Diagrams