Curiosii for ever!
: Car repair manuals for everyone.
Home
>>
Dodge
>>
2002
>>
Stratus Sedan V6-2.7L VIN R
>>
Repair and Diagnosis
>>
Diagrams
>>
Exploded Views
>>
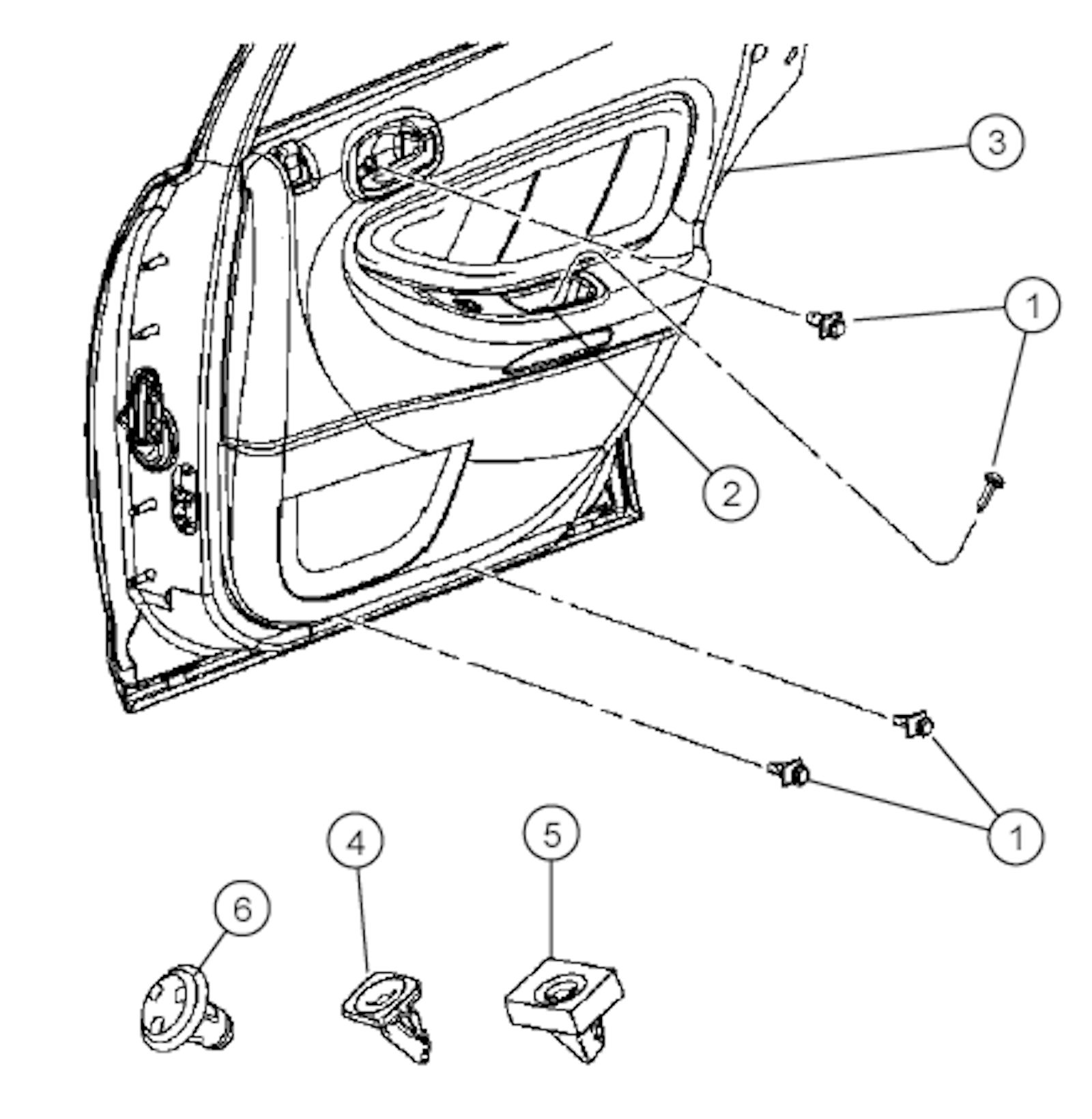
Rear Door
Rear Door