Curiosii for ever!: Car repair manuals for everyone.

Schematic Diagrams

Airbag Systems:



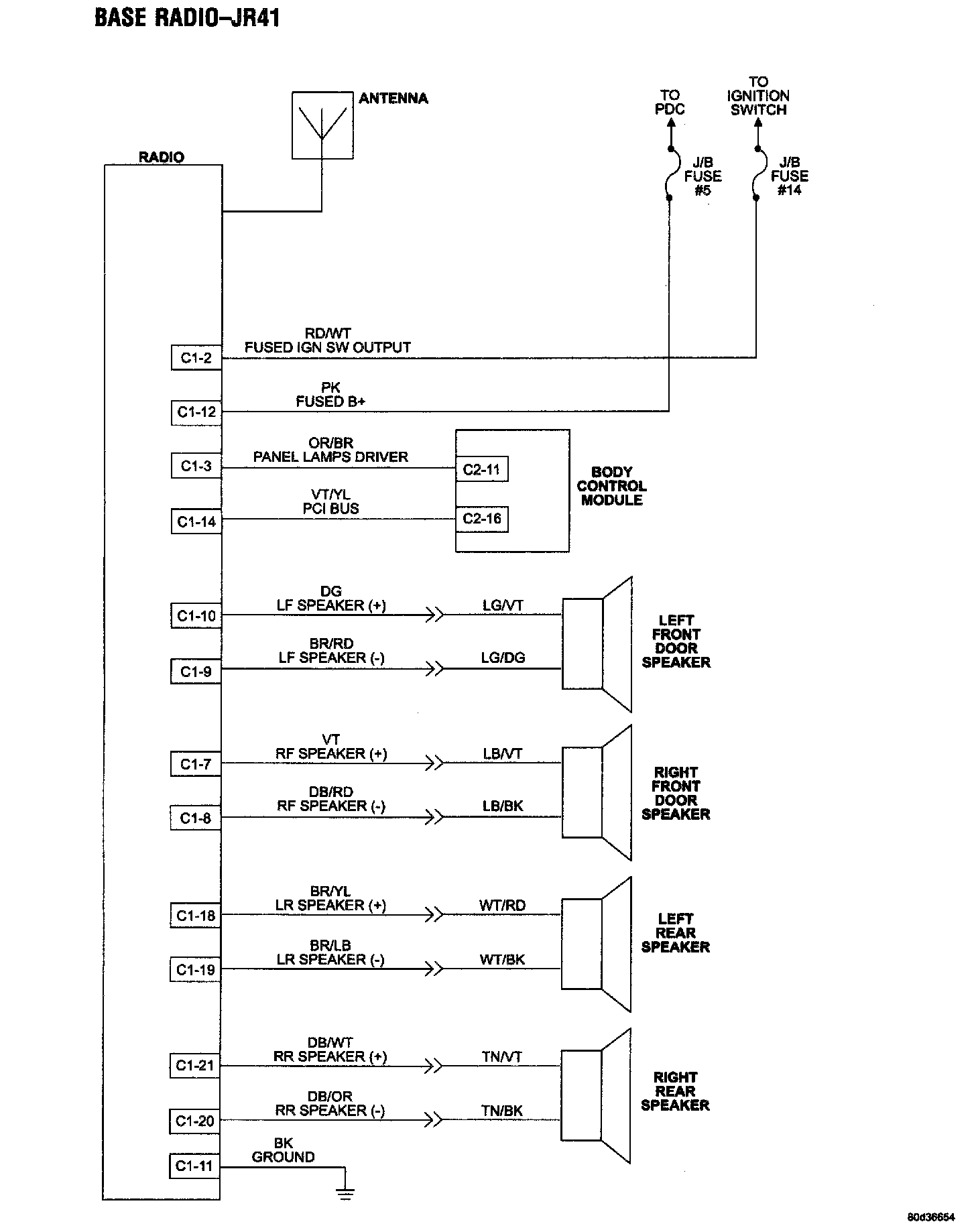
Base Radio-JR41:



Premium System-JR41:



CD Changer:



Chime System:



Compass/Mini Trip Computer(CMTC):



Door Ajar:



Exterior Lighting (Headlamps):



A/C Heater Control:



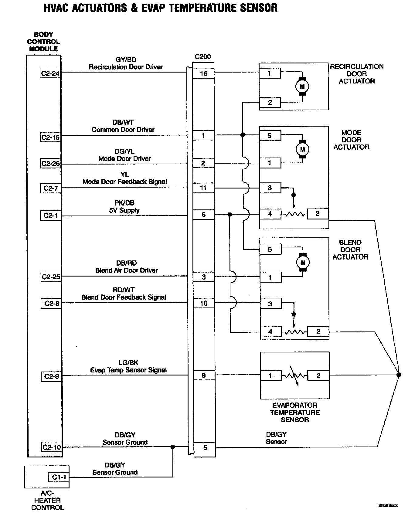
HVAC Actuators And EVAP Temperature Sensor:



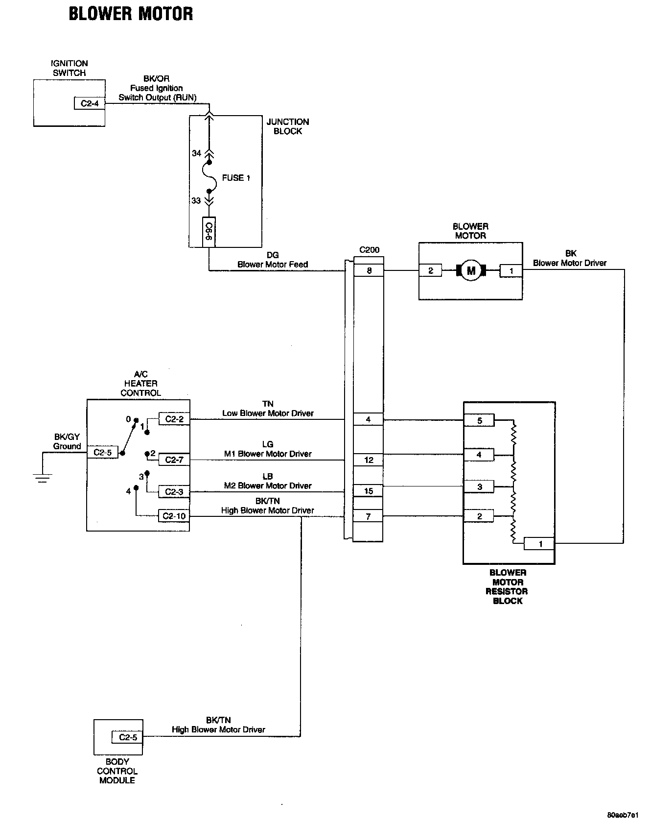
Blower Motor:



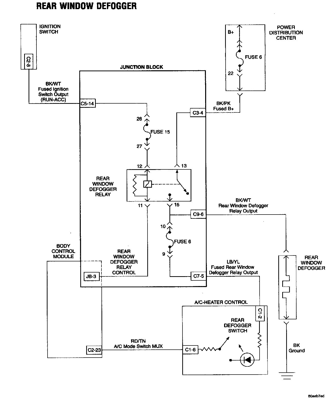
Rear Window Defogger:



Courtesy Lamps:



Panel Lamps:



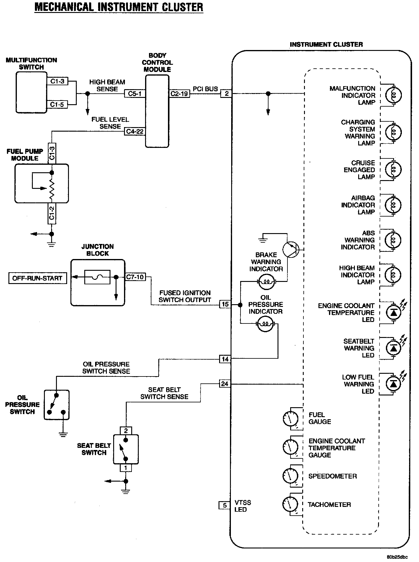
Mechanical Instrument Cluster:



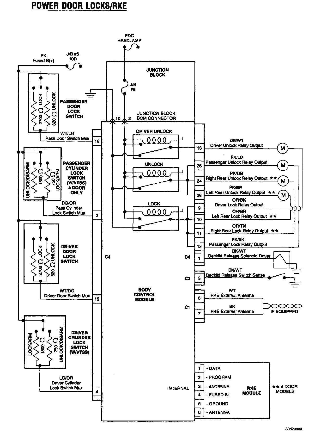
Power Door Locks/RKE:



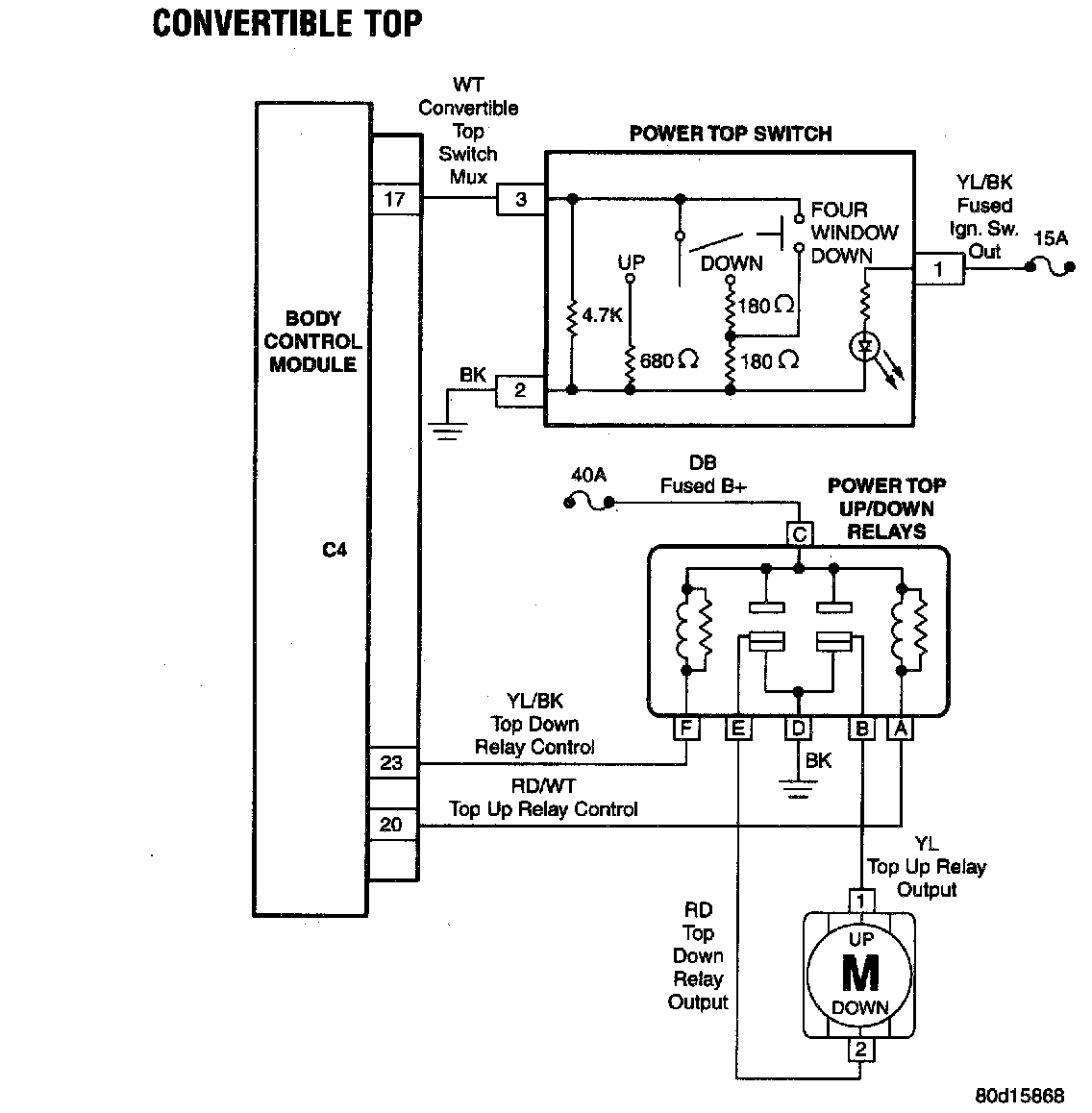
Convertible Top:



Power Top/4 Window Drop:



PCI Bus Communication:



PCM Communication:



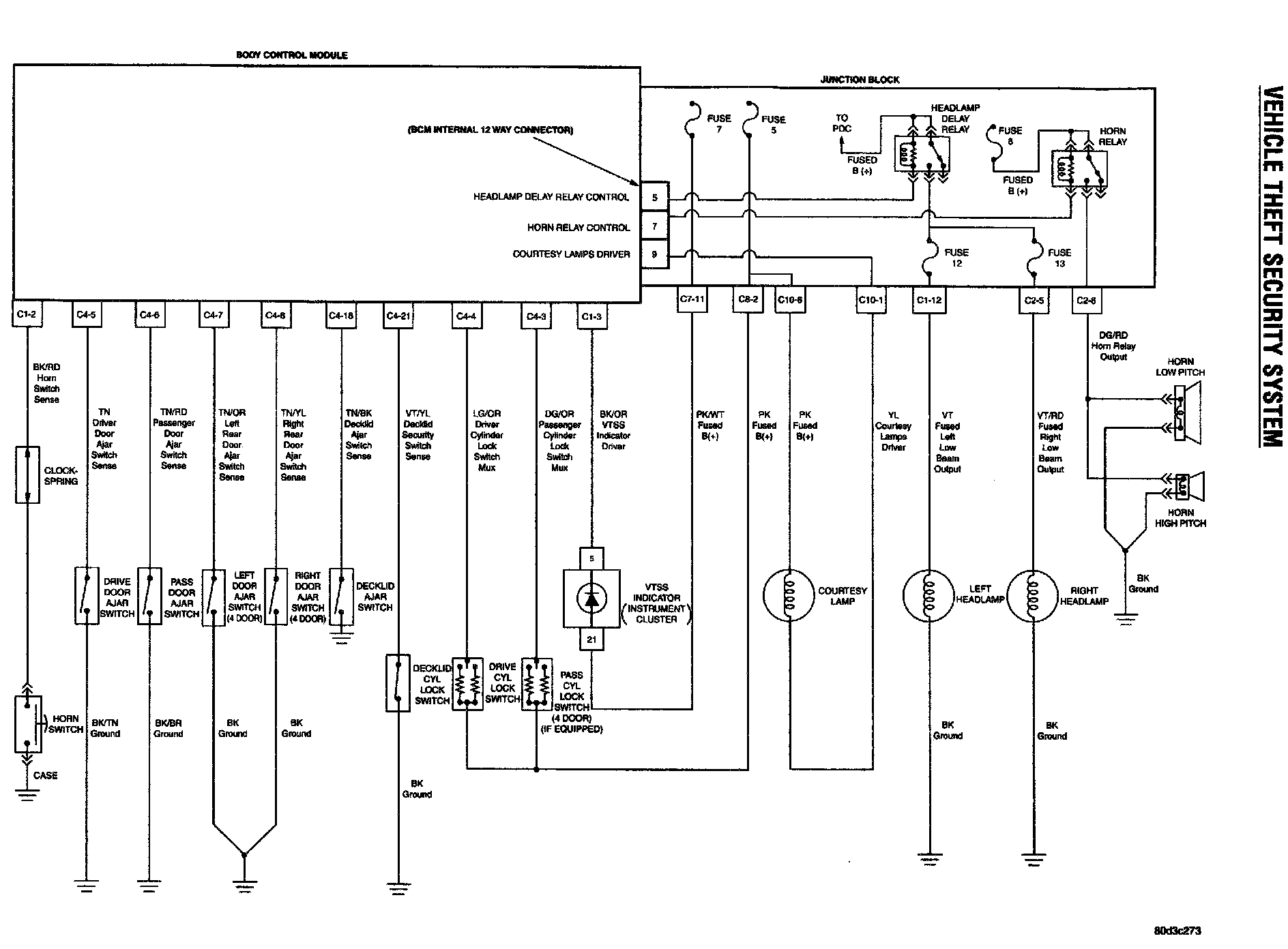
Vehicle Theft Security System:



Wiper Switch:



Front Wipers: