Curiosii for ever!
: Car repair manuals for everyone.
Home
>>
Dodge
>>
2002
>>
Neon L4-2.0L VIN C
>>
Repair and Diagnosis
>>
Diagrams
>>
Electrical Diagrams
>>
Windows
Windows
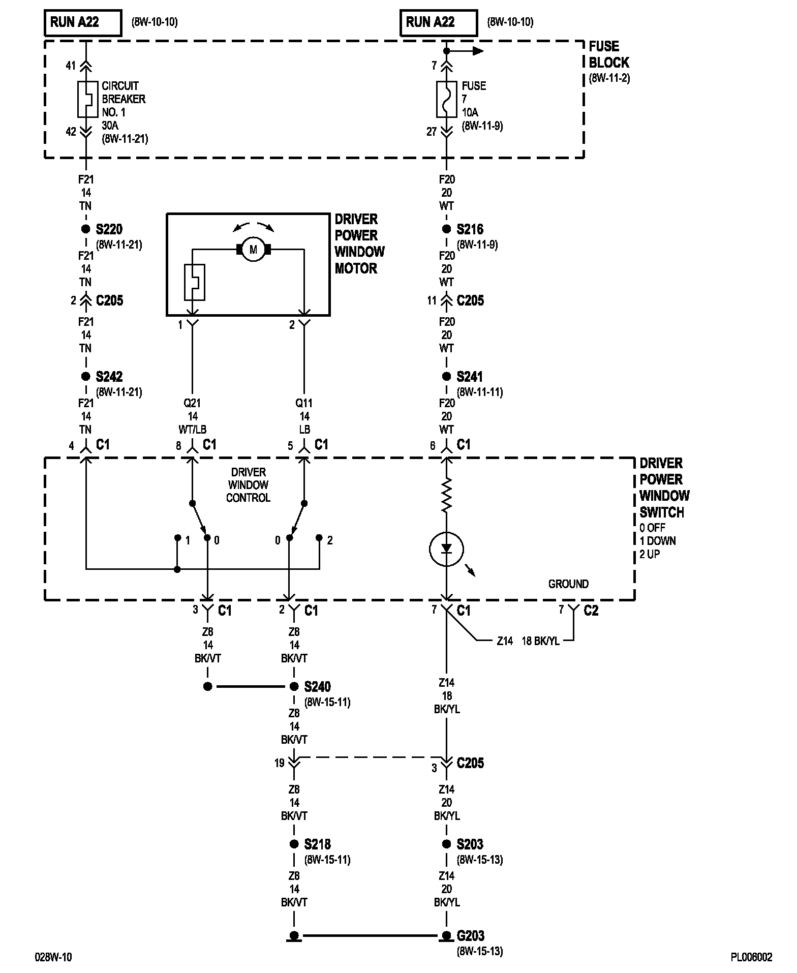
8w-60-2 (LHD):
8w-60-3 (RHD):
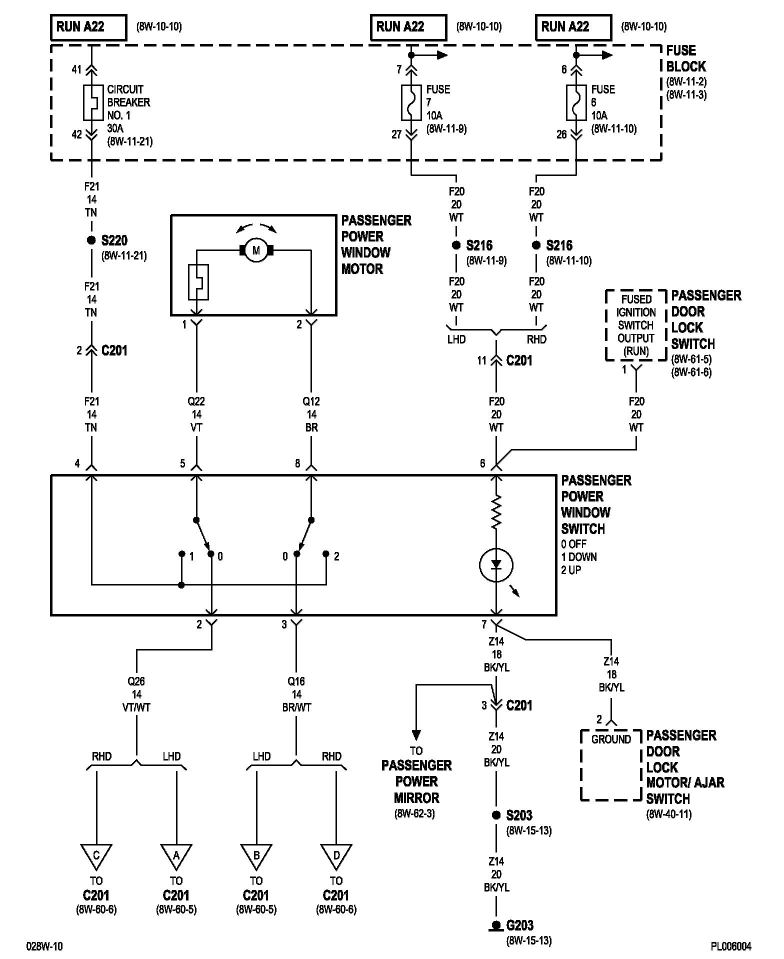
8w-60-4:
8w-60-5 (LHD):
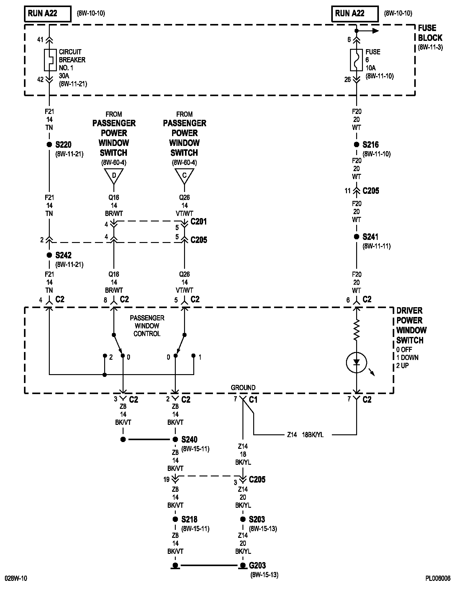
8w-60-6 (RHD):
NOTE:
To view sheets referred to in these diagrams, see
Complete Body and Chassis Diagrams
.
Electrical Diagrams