Curiosii for ever!
: Car repair manuals for everyone.
Home
>>
Dodge
>>
2002
>>
Intrepid V6-3.5L VIN G
>>
Repair and Diagnosis
>>
Diagrams
>>
Electrical Diagrams
>>
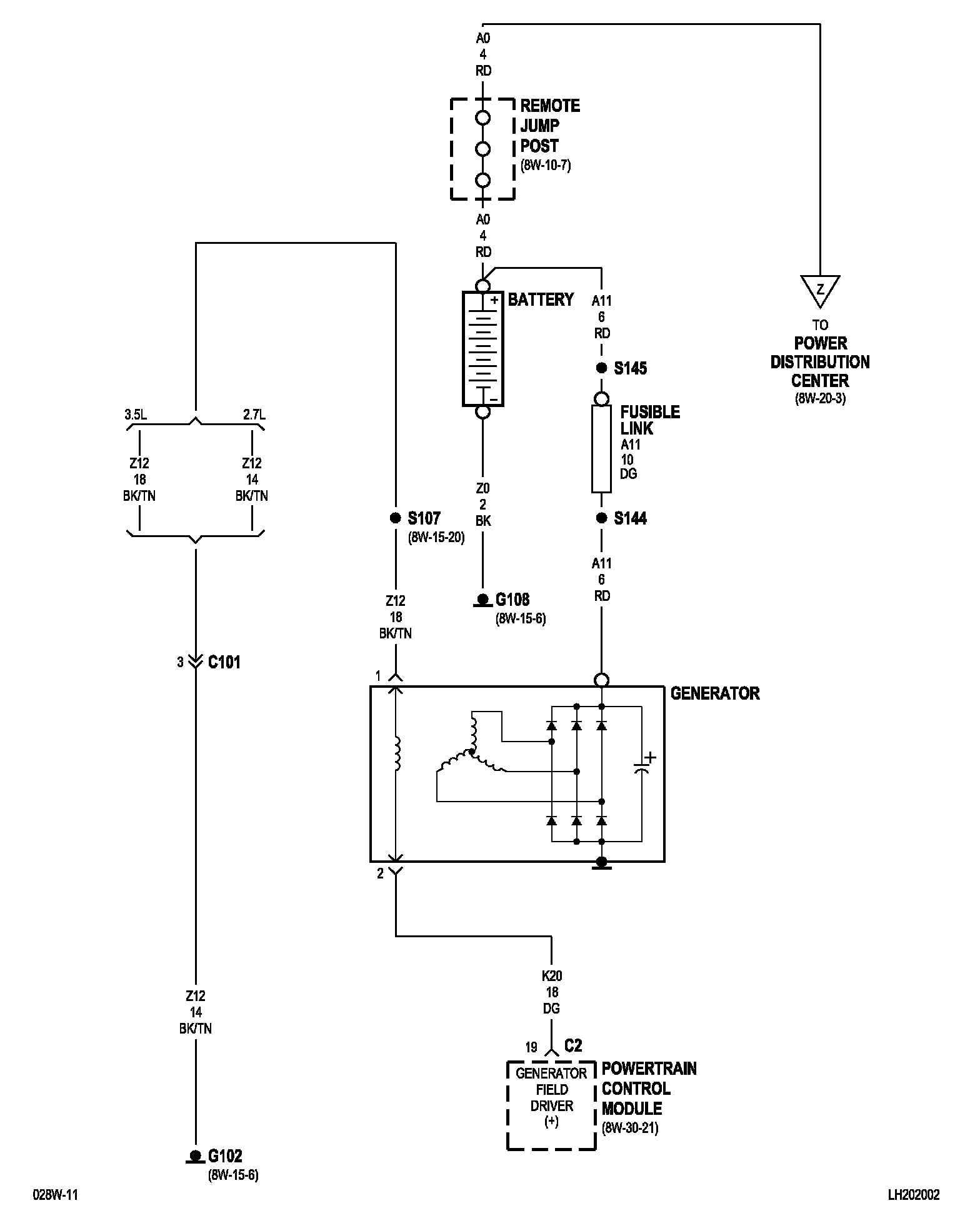
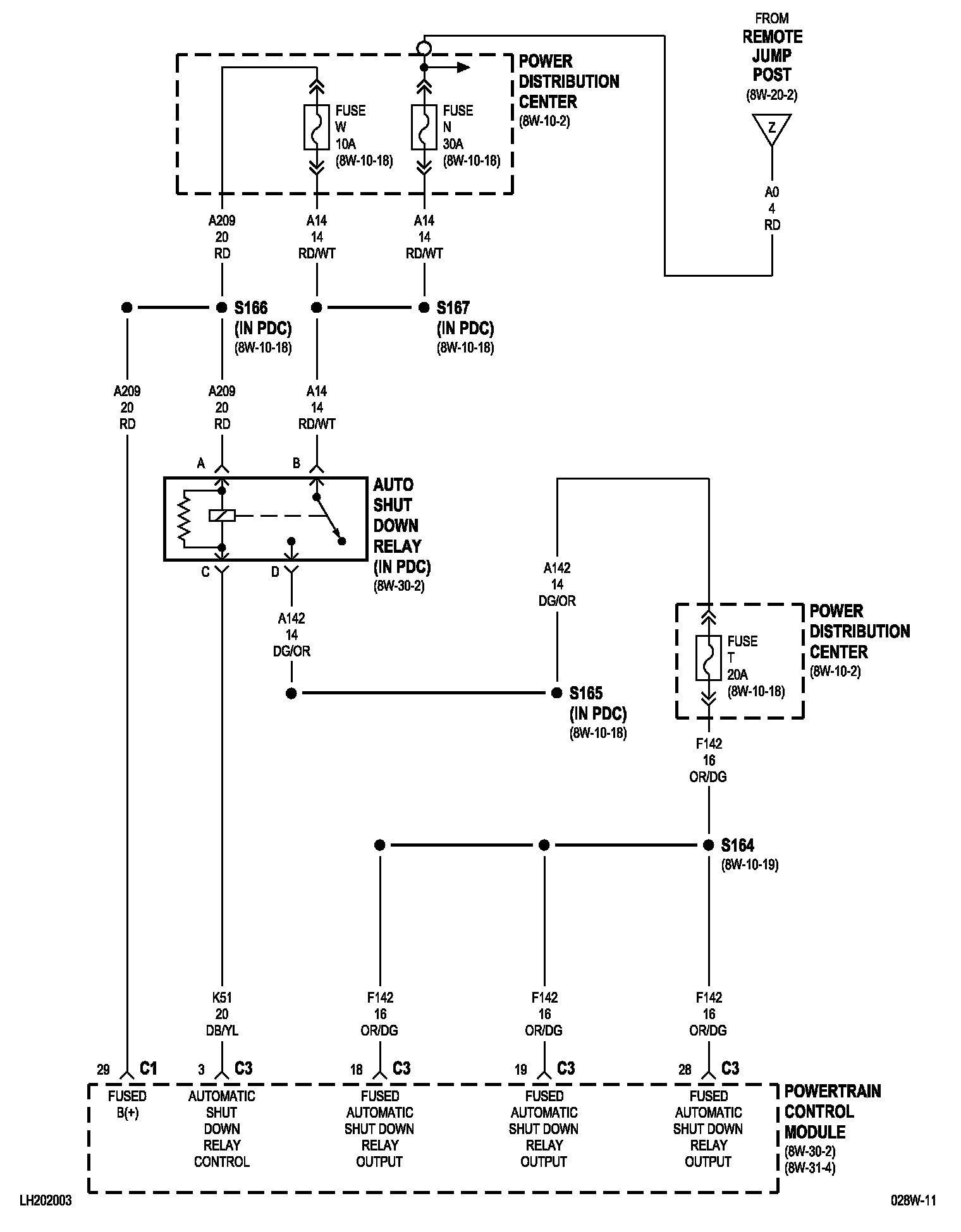
Charging System
Charging System
8w-20-2:
8w-20-3:
NOTE:
To view sheets referred to in these diagrams, see
Complete Body and Chassis Diagrams
.