Curiosii for ever!
: Car repair manuals for everyone.
Home
>>
Dodge
>>
2002
>>
Intrepid V6-2.7L VIN V
>>
Repair and Diagnosis
>>
Cruise Control
>>
Diagrams
>>
Electrical Diagrams
Electrical Diagrams
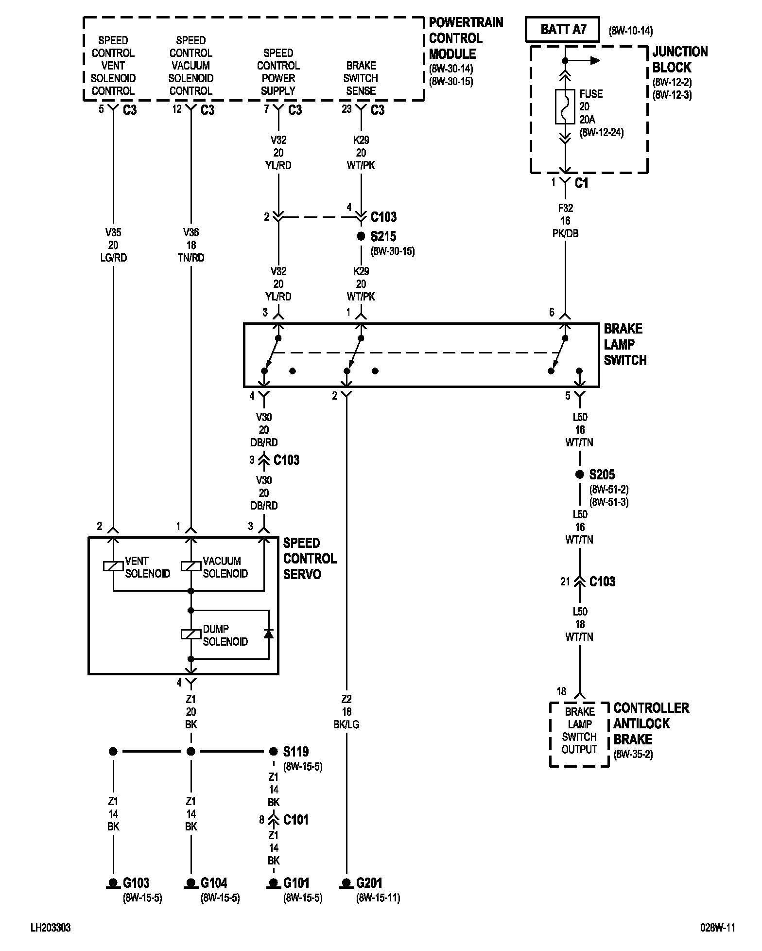
8w-33-2:
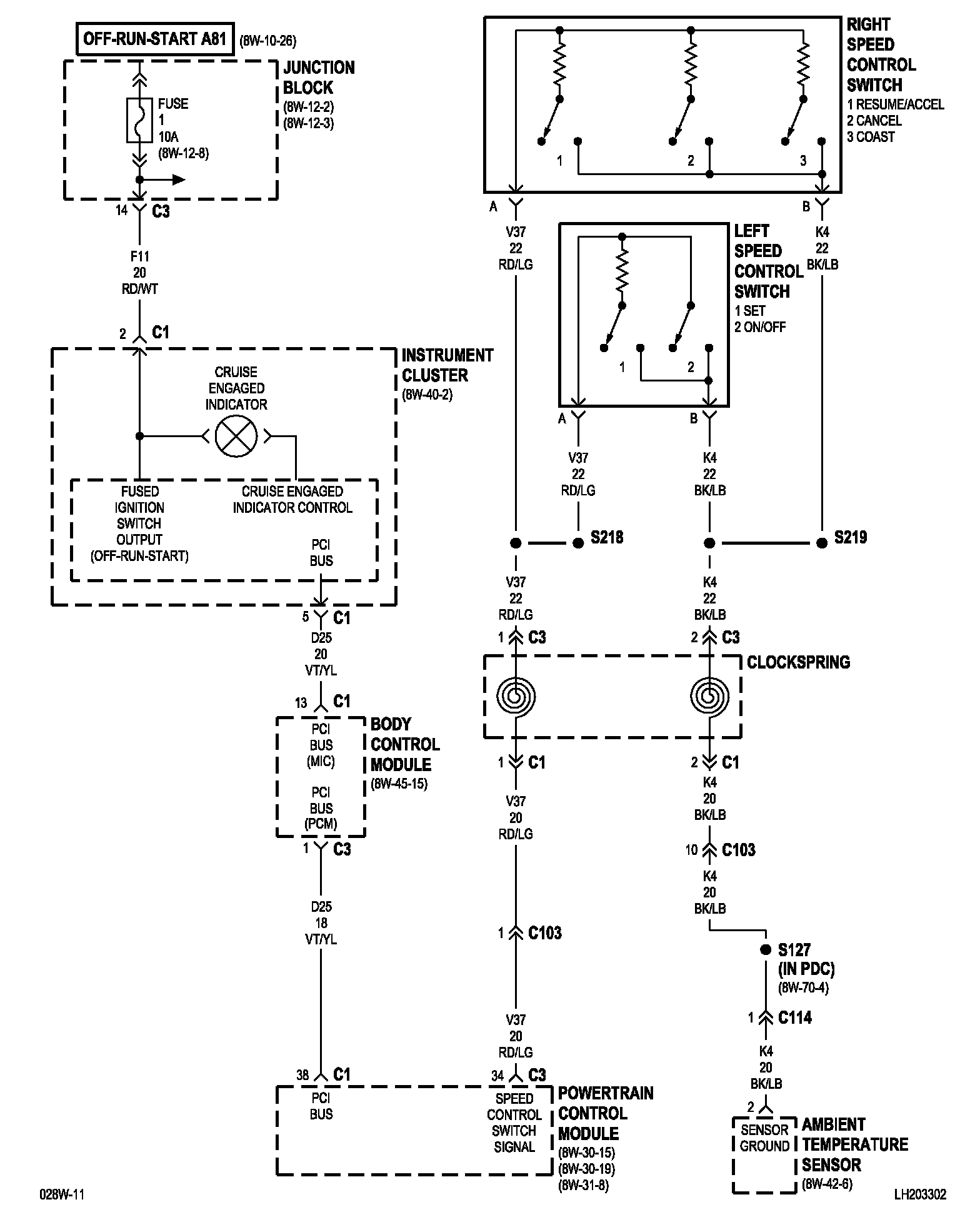
8w-33-3:
NOTE:
To view sheets referred to in these diagrams, see
Complete Body and Chassis Diagrams
.