Curiosii for ever!
: Car repair manuals for everyone.
Home
>>
Dodge
>>
2002
>>
Intrepid V6-2.7L VIN R
>>
Repair and Diagnosis
>>
Powertrain Management
>>
Transmission Control Systems
>>
Diagrams
>>
Electrical Diagrams
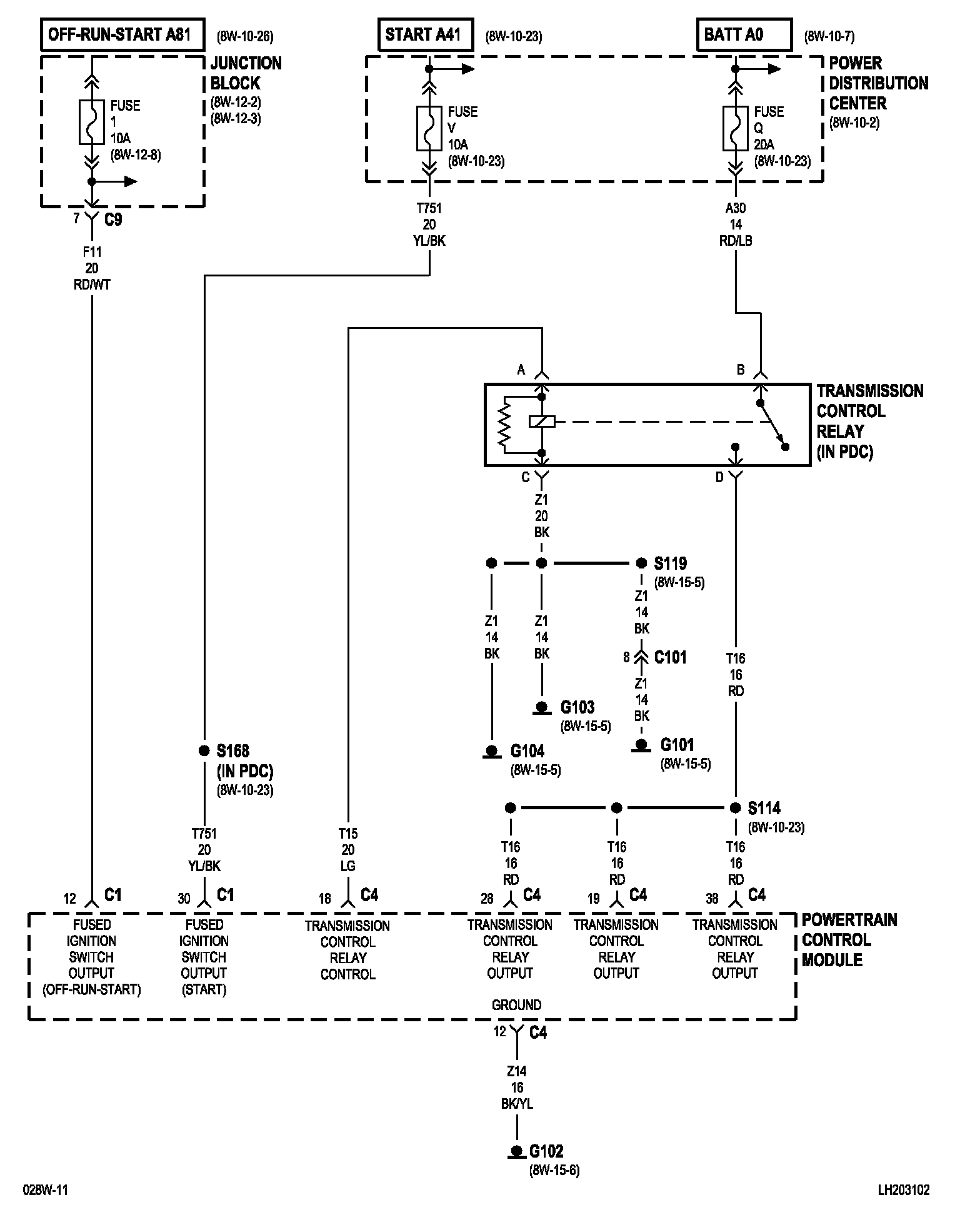
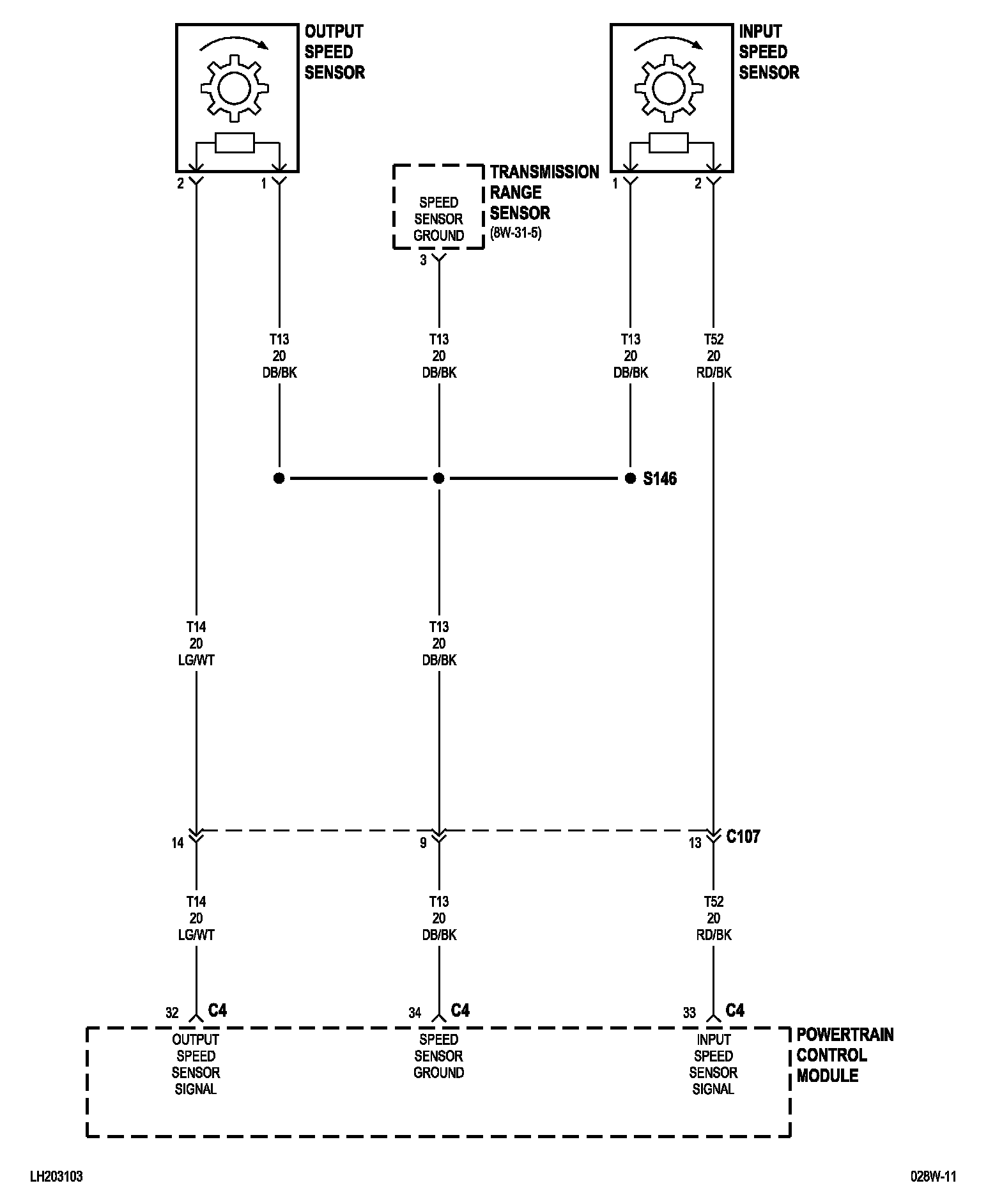
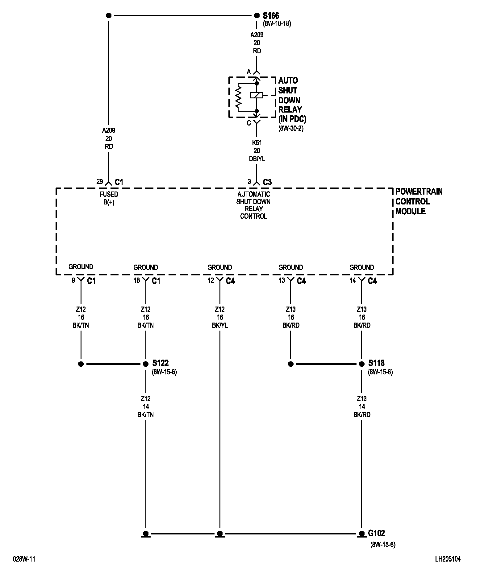
Electrical Diagrams
8w-31-2:
8w-31-3:
8w-31-4:
8w-31-5:
8w-31-6:
8w-31-7:
8w-31-8:
NOTE:
To view sheets referred to in these diagrams, see
Complete Body and Chassis Diagrams
.
Electrical Diagrams