Curiosii for ever!: Car repair manuals for everyone.

System Diagram

8w-30-2:




8w-30-3:




8w-30-4:




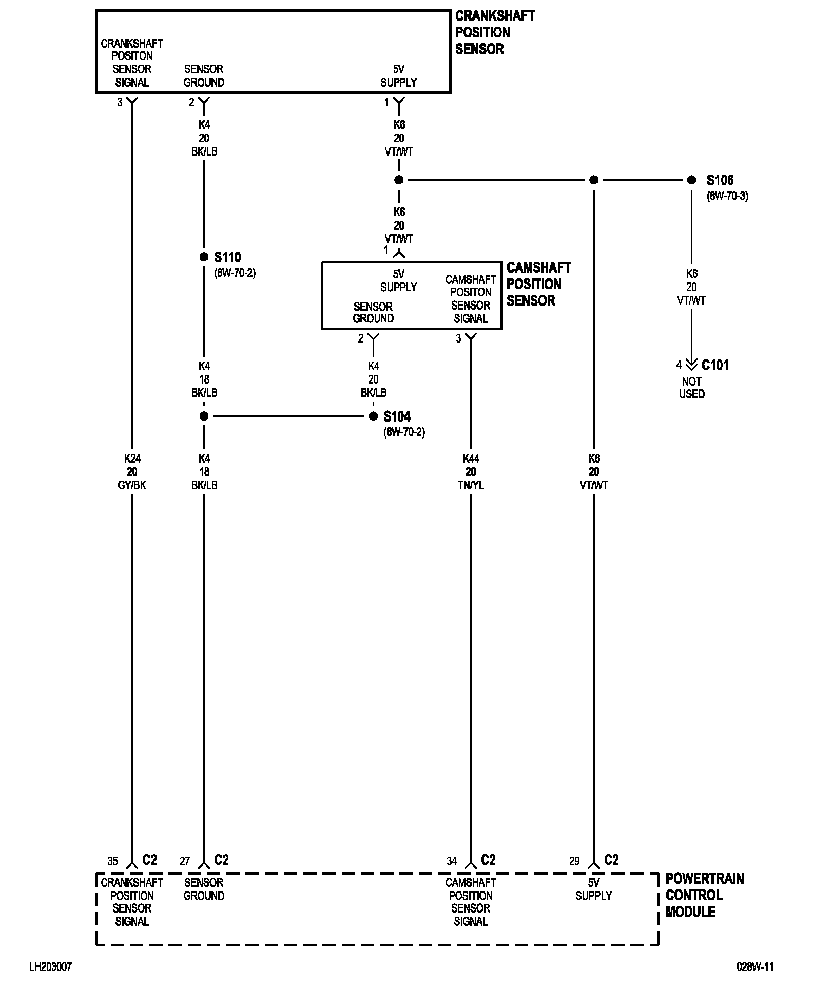
8w-30-7:




8w-30-8:




8w-30-9:




8w-30-10:




8w-30-11:




8w-30-12:




8w-30-14:




8w-30-15:




8w-30-16:




8w-30-17:




8w-30-18:




8w-30-19:




8w-30-20:




8w-30-21:






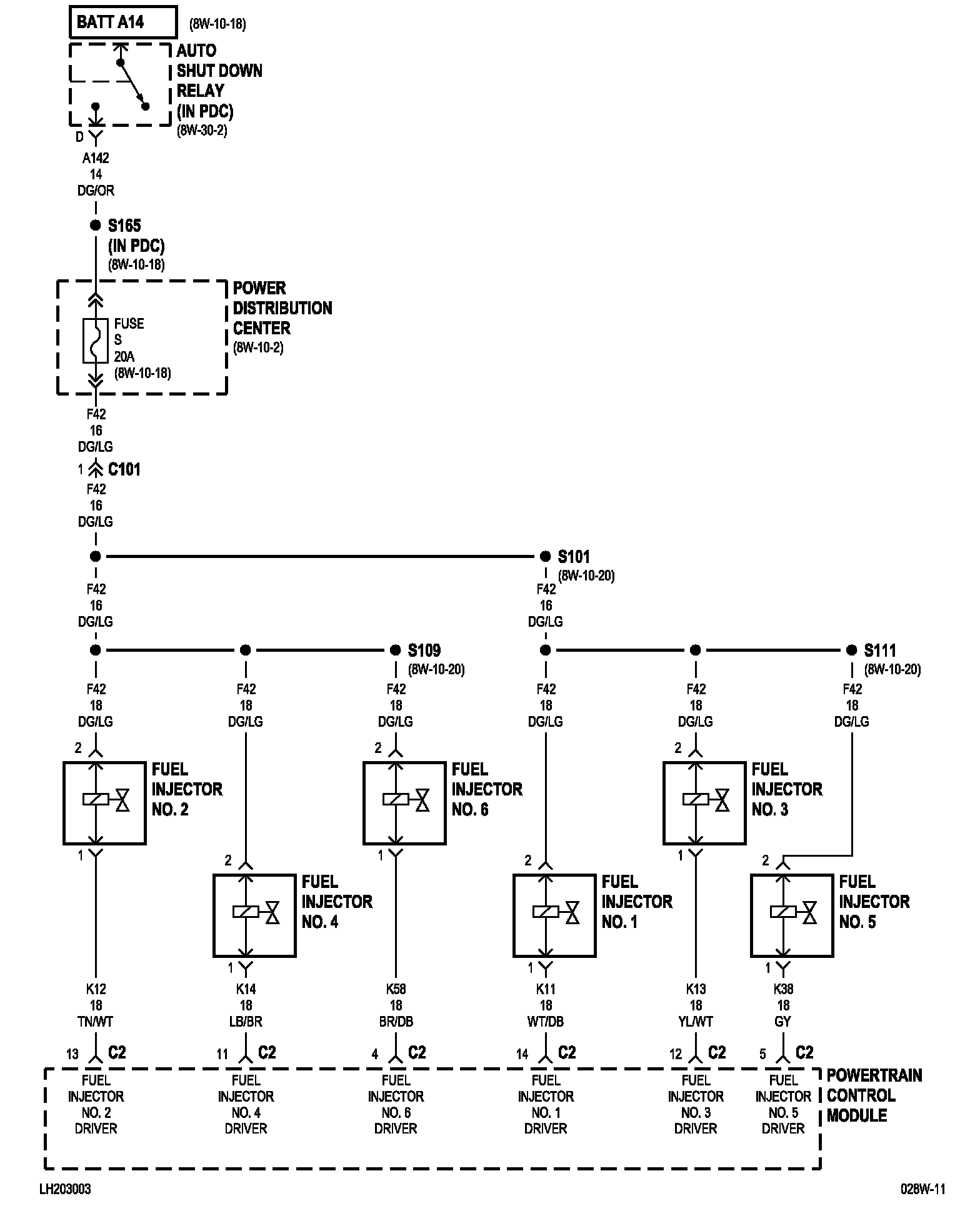
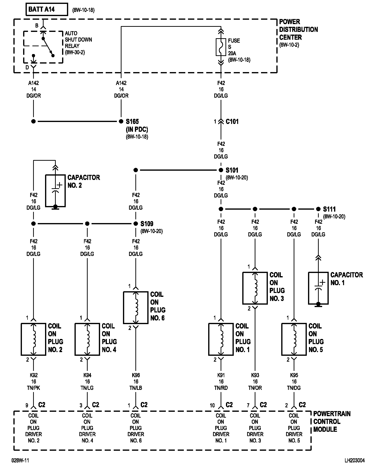
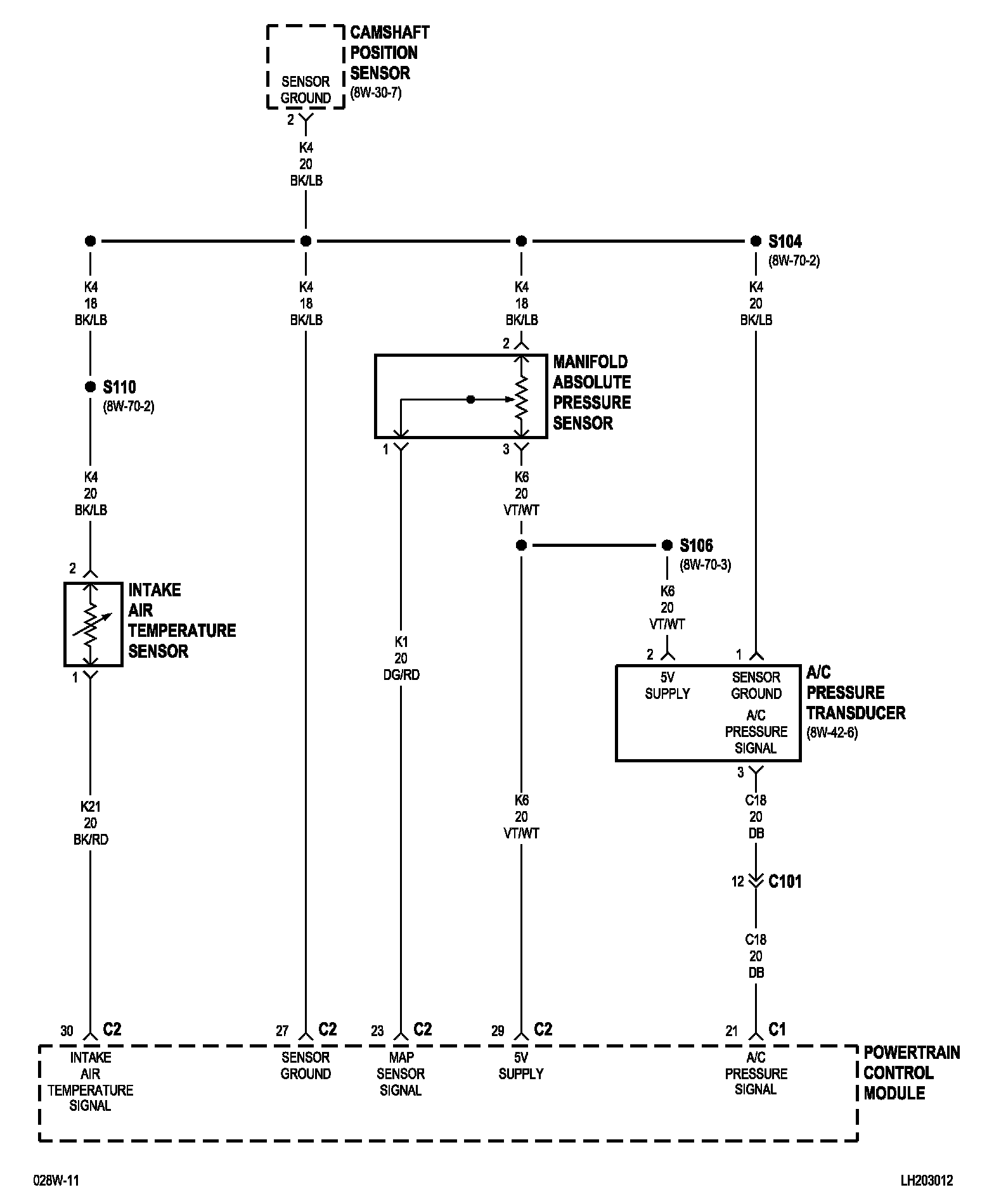
NOTE: To view sheets referred to in these diagrams, see Complete Body and Chassis Diagrams. Electrical Diagrams