Curiosii for ever!
: Car repair manuals for everyone.
Home
>>
Dodge
>>
2002
>>
Intrepid V6-2.7L VIN R
>>
Repair and Diagnosis
>>
Diagrams
>>
Electrical Diagrams
>>
Power Locks
Power Locks
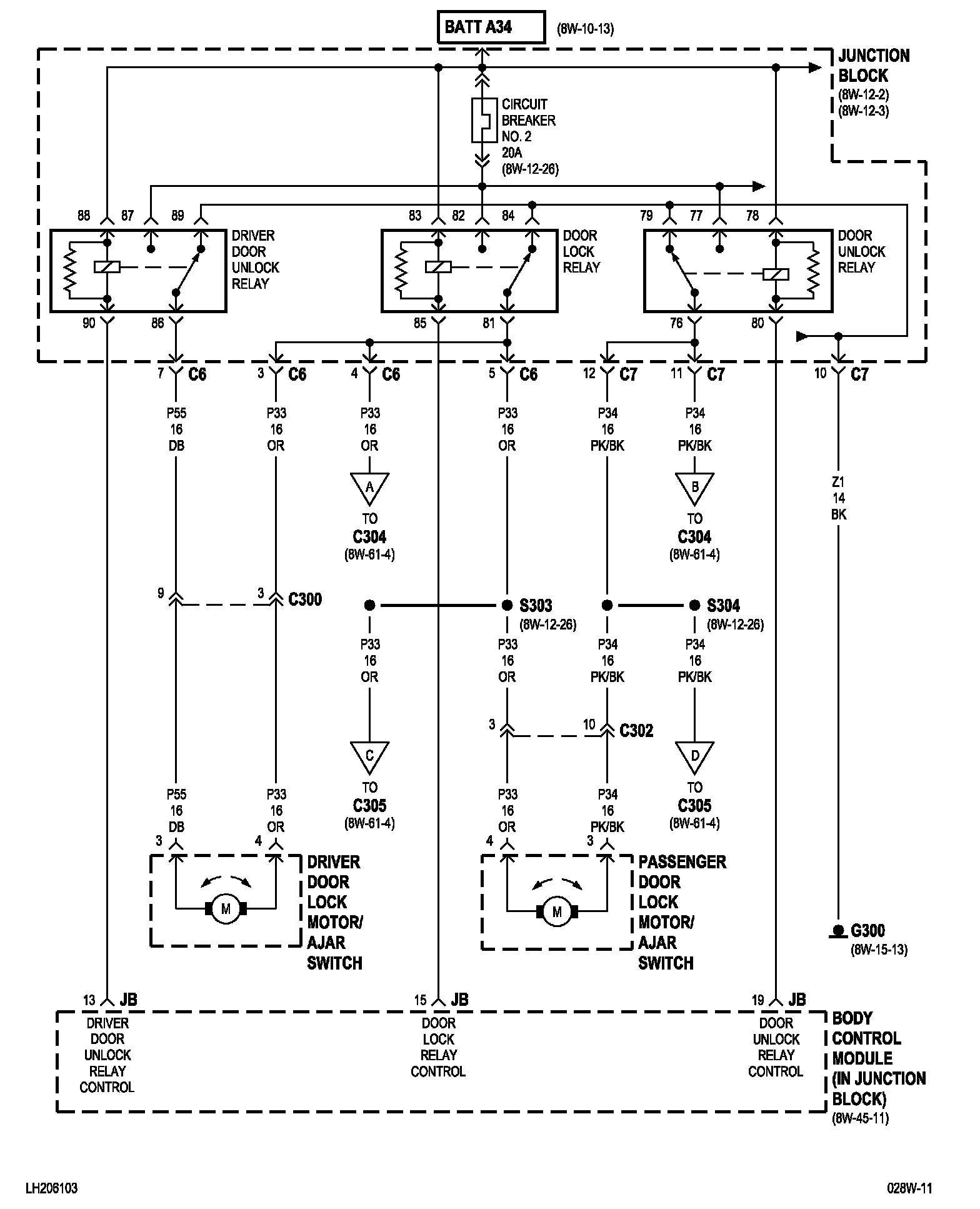
8w-61-2:
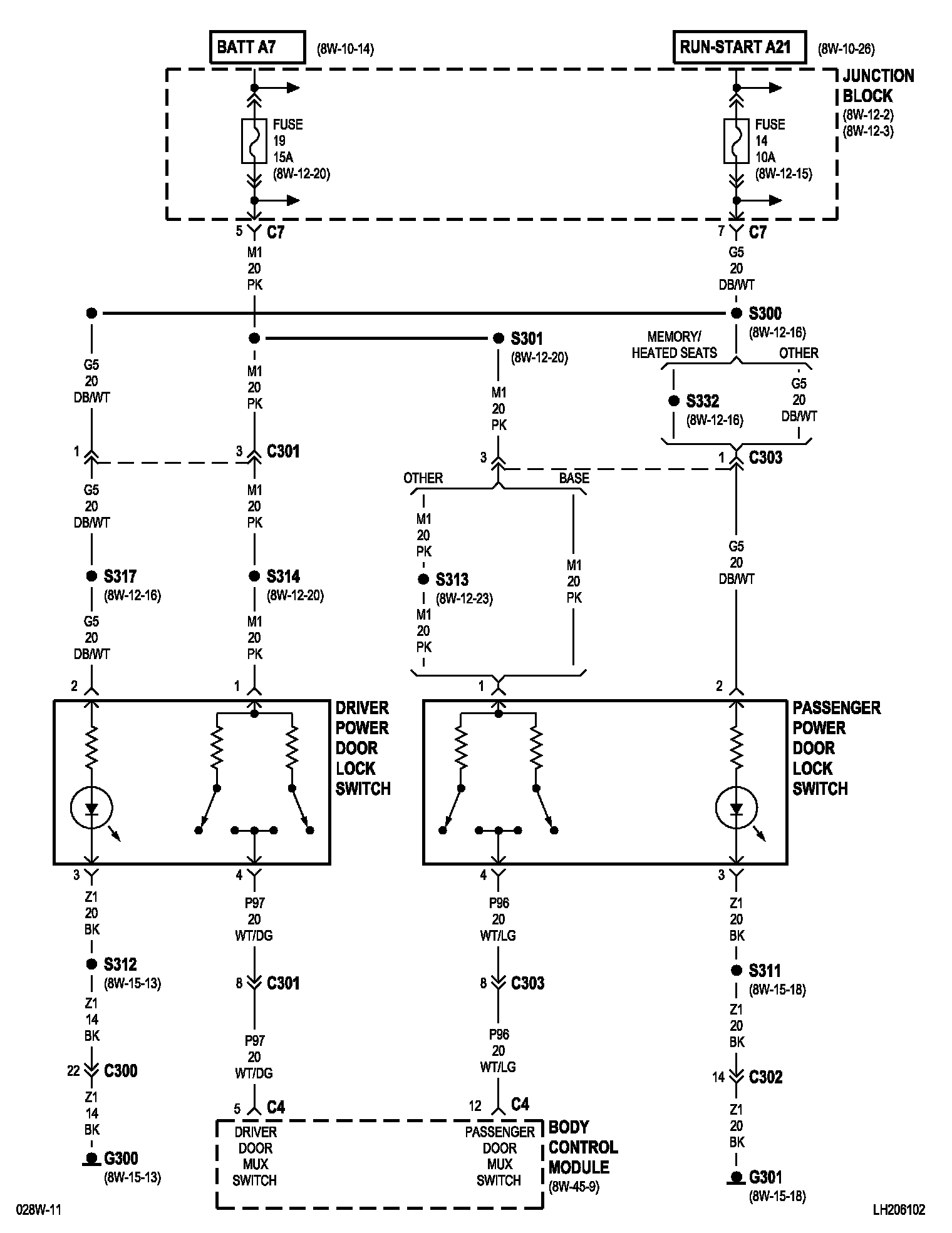
8w-61-3:
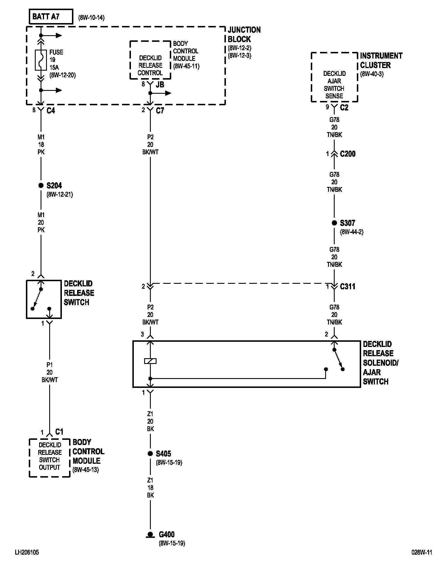
8w-61-4:
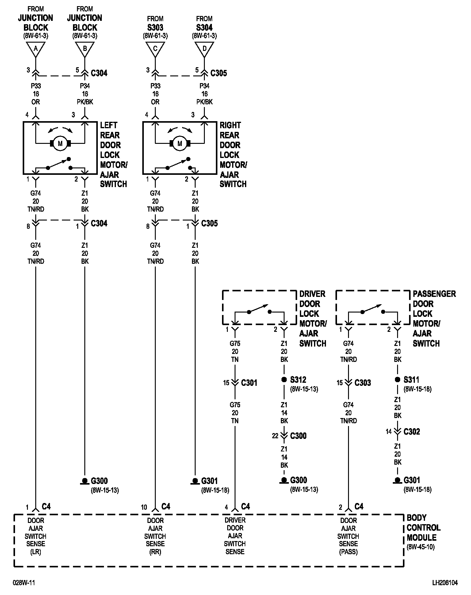
8w-61-5:
NOTE:
To view sheets referred to in these diagrams, see
Complete Body and Chassis Diagrams
.