Leak Detection Pump: Service and Repair
REMOVAL1. Release fuel pressure.
Battery Cable:
2. Disconnect battery cable.
3. Raise vehicle and support.
Fuel Tank Drain:
4. Drain fuel tank.
Fuel Filler Tube:
5. Loosen and remove fuel filler tube from fuel tank.
Fuel Line:
6. Disconnect fuel line.
7. Position transmission jack under fuel tank assembly
8. Remove fuel tank straps bolts. Passenger side first.
EVAP Components:
9. Lower fuel tank and remove the purge line and vent line.
10. Remove hoses from EVAP canister.
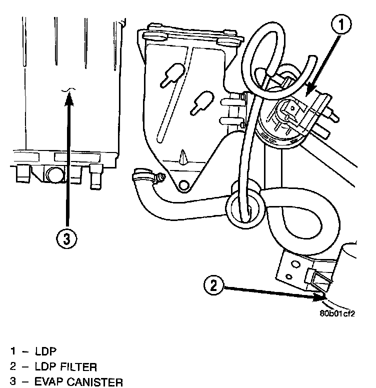
11. Disconnect electrical connector for Leak Detection Pump (LDP).
LDP And EVAP Canister:
12. Remove push pin from bracket for EVAP canister.
13. Remove bracket and Leak Detection Pump.
14. Remove LDP from bracket.
INSTALLATION
1. Install LDP onto bracket.
2. Install bracket and LDP onto fuel tank assembly.
3. Install EVAP canister to bracket install push pin.
4. Install hoses and lines.
5. Raise tile fuel tank on the transmission stand.
6. Connect the purge and vent lines.
7. Connect LDP and fuel pump electrical connector
8. Raise tank into position and install tank straps.
9. Install the fuel filler tube and tighten the clamp.
10. Lower vehicle.
11. Connect the battery cable.
12. Fill fuel tank. Use the DRB scan tool to pressurize the fuel system. Check for leaks.