Curiosii for ever!: Car repair manuals for everyone.

Emission Control Systems: Description and Operation

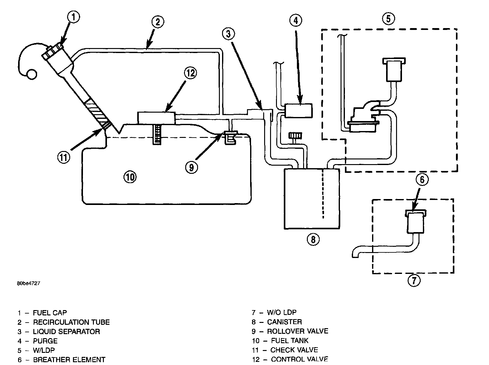
ORVR System Schematic:




EVAPORATION CONTROL SYSTEM
The evaporation control system prevents the emission of fuel tank vapors into the atmosphere. When fuel evaporates in the fuel tank, the vapors pass through vent hoses or tubes to an activated carbon filled evaporative canister. The canister temporarily holds the vapors. The Powertrain Control Module (PCM) allows intake manifold vacuum to draw vapors into the combustion chambers during certain operating conditions.

All engines use a proportional purge solenoid system. The PCM controls vapor flow by operating the purge solenoid. Refer to Proportional Purge Solenoid.

NOTE:
- The evaporative system uses specially manufactured hoses. If they need replacement, only use fuel resistant hose. Also the hoses must be able to pass an Ozone compliance test.
- For more information on On-board Refueling Vapor Recovery (ORVR), refer to the Fuel Delivery.

EVAP Canister:




EVAP CANISTER
The canister mounts to a bracket on top of the fuel tank in the rear of the vehicle. The vacuum and vapor tube connect to the top of the canister.

All vehicles use a sealed, maintenance free, evaporative (EVAP) canister. Fuel tank pressure vents into the canister. The canister temporarily holds the fuel vapors until intake manifold vacuum draws them into the combustion chamber. The Powertrain Control Module (PCM) purges the canister through the proportional purge solenoid. The PCM purges the canister at predetermined intervals and engine conditions.

Proportional Purge Solenoid:




PROPORTIONAL PURGE SOLENOID
All vehicles use a proportional purge solenoid. The solenoid regulates the rate of vapor flow from the EVAP canister to the throttle body. The PCM operates the solenoid.

During the cold start warm-up period and the hot start time delay, the PCM does not energize the solenoid. When de-energized, no vapors are purged.

The proportional purge solenoid operates at a frequency of 200 Hz and is controlled by an engine controller circuit that senses the current being applied to the proportional purge solenoid and then adjusts that current to achieve the desired purge flow. The proportional purge solenoid controls the purge rate of fuel vapors from the vapor canister and fuel tank to the engine intake manifold.

LEAK DETECTION PUMP
The leak detection pump is a device used to detect a leak in the evaporative system.

The pump contains a 3 port solenoid, a pump that contains a switch, a spring loaded canister vent valve seal, 2 check valves and a spring/diaphragm.

Immediately after a cold start, when the engine temperature is between 40°F and 86°F, the 3 port solenoid is briefly energized. This initializes the pump by drawing air into the pump cavity and also closes the vent seal. During non-test test conditions, the vent seal is held open by the pump diaphragm assembly which pushes it open at the full travel position. The vent seal will remain closed while the pump is cycling. This is due to the operation of the 3 port solenoid which prevents the diaphragm assembly from reaching full travel. After the brief initialization period, the solenoid is de-energized, allowing atmospheric pressure to enter the pump cavity. This permits the spring to drive the diaphragm which forces air out of the pump cavity and into the vent system. When the solenoid is energized and de-energized, the cycle is repeated creating flow in typical diaphragm pump fashion. The pump is controlled in 2 modes:

Pump mode: The pump is cycled at a fixed rate to achieve a rapid pressure build in order to shorten the overall test time.

Test mode: The solenoid is energized with a fixed duration pulse. Subsequent fixed pulses occur when the diaphragm reaches the switch closure point.

The spring in the pump is set so that the system will achieve an equalized pressure of about 7.5 inches of water.

When the pump starts, the cycle rate is quite high. As the system becomes pressurized, pump rate drops. If there is no leak, the pump will quit. If there is a leak, the test is terminated at the end of the test mode.

If there is no leak, the purge monitor is run. If the cycle rate increases due to the flow through the purge system, the test is passed and the diagnostic is complete.

The canister vent valve will unseal the system after completion of the test sequence as the pump diaphragm assembly moves to the full travel position.

LEAK DETECTION PUMP PRESSURE SWITCH
The leak detection pump LDP assembly incorporates two primary functions: it detects a leak in the evaporative system, and it seals the evaporative system so that the required leak detection monitor test can be run.

The primary components within the leak detection pump assembly are: a three-port leak detection solenoid valve, a pump assembly that includes a spring loaded diaphragm, a reed switch which is used to monitor the pump diaphragm movement (position), two check valves, and a spring loaded vent seal valve.

The three-port LDP solenoid valve is used to expose either engine vacuum or atmospheric pressure to the top side of the leak detection pump diaphragm.

When the LDP solenoid valve is deenergized its port (opening) to engine vacuum is blocked off. This allows ambient air (atmospheric pressure) to enter the top of the pump diaphragm. The spring load on the diaphragm will push the diaphragm down, as long as there is no pressure present in the rest of the evaporative system. If there is sufficient evaporative system pressure present, then the pump diaphragm will stay in the "up" position. If the evaporative system pressure decays, then the pump diaphragm will eventually fall. The rate of this decent is dependent upon the size of the evaporative system leak (Large or small).

When the LDP solenoid valve is energized the port (opening) to atmosphere is blocked off. At the same time, the port to engine vacuum is opened. Engine vacuum replaces atmospheric pressure. When engine vacuum is sufficient, it over comes the spring pressure load on the pump diaphragm and causes the diaphragm to rise to its "up" position. The reed switch will change state depending upon the position of the pump diaphragm.

If the diaphragm is in the "up" position the reed switch will be in its "open" state. This means that the 12 volt signal sense to the PCM is interrupted. Zero volts is detected by the PCM. If the pump diaphragm is in the "down" position the reed switch will be in its "closed" state. 12 volts is sent to the PCM via the switch sense circuit.

The check valves are one-way valves. The first check valve is used to draw outside air into the lower chamber of the LDP (the space that is below the pump diaphragm). The second check valve is used to vent this outside air, which has become pressurized from the fall of the pump diaphragm, into the evaporative system.

The spring loaded vent seal valve, inside the LDP is used to seal off the evaporative system. When the pump diaphragm is in the "up" position the spring pushes the vent seal valve closed. The vent seal valve opens only when the pump diaphragm is in its "full down" position. When the pump assembly is in its pump mode the pump diaphragm is not allowed to descend (fall) so far as to allow the vent seal valve to open. This allows the leak detection pump to develop the required pressure within the evaporative system for system leak testing.

A pressure build up within the evaporative system may cause pressure on the lower side of the LDP diaphragm. This will cause the LDP diaphragm to remain in its "up" position (stuck in the up position). This condition can occur even when the solenoid valve is deenergized. This condition can be caused by previous cycling (pumping) of the LDP by the technician (dealer test). Another way that this condition is created is immediately following the running of the vehicle evaporative system monitor. In this case, the PCM has not yet opened the proportional purge solenoid in order to vent the pressure that has been built up in the evaporative system to the engine combustion system. The technician will need to vent the evaporative system pressure via the vehicle fuel filler cap and its fuel filler secondary seal (if so equipped in the fuel filler neck). This will allow the technician to cycle the LDP and to watch switch state changes.

After passing the leak detection phase of the test, system pressure is maintained until the purge system is activated, in effect creating a leak. If the diaphragm falls (as is expected), causing the reed switch to change state, then the diagnostic test is completed.

When of the evaporative system leak monitor begins its various tests, a test is performed to determine that no part of the evaporative system is blocked. In this test, the LDP is cycled (pumped) a calibrated (few) number of times. Pressure should not build up in the evaporative system. If pressure is present, then LDP diaphragm is forced to stay in its "up" position. The reed switch now stays open and the PCM senses this open (incorrect) state. The evaporative system monitor will fail the test because of a detected obstruction within the system.

Possible causes:
- Open or shorted LDP switch sense circuit
- Leak Detection Pump switch failure
- Open fused ignition switch output
- Restricted, disconnected, or blocked manifold vacuum source
- Obstruction of hoses or lines
- PCM failure

PCV System:




PCV System:




PCV System:




POSITIVE CRANKCASE VENTILATION (PCV) SYSTEMS
Intake manifold vacuum removes crankcase vapors and piston blow-by from the engine The emissions pass through the PCV valve into the intake manifold where they become part of the calibrated air-fuel mixture. They are burned and expelled with the exhaust gases. The air cleaner supplies make up air when the engine does not have enough vapor or blow-by gases. In this system, fresh air does not enter the crankcase.

POSITIVE CRANKCASE VENTILATION VALVE
The PCV valve contains a spring loaded plunger. The plunger meters the amount of crankcase vapors routed into the combustion chamber based on intake manifold vacuum.

Engine Off Or Engine Backfire - No Vapor Flow:




When the engine is not operating or during an engine backfire, the spring forces the plunger back against the seat. This prevents vapors from flowing through the valve.

High Intake Manifold Vacuum - Minimal Vapor Flow:




When the engine is at idle or cruising, high manifold vacuum is present. At these times manifold vacuum is able to completely compress the spring and pull the plunger to the top of the valve. In this position there is minimal vapor flow through the valve.

Moderate Intake Manifold Vacuum - Maximum Vapor Flow:




During periods of moderate intake manifold vacuum the plunger is only pulled part way back from the inlet. This results in maximum vapor flow through the valve.

CRANKCASE VENT FILTER
All engines use filtered air to vent the crankcase. The filtered air is drawn through the resonator assembly located between the air cleaner and throttle body.

VEHICLE EMISSION CONTROL INFORMATION LABEL
All models have a Vehicle Emission Control Information (VECI) Label. Chrysler permanently attaches the label in the engine compartment. It cannot be removed without defacing information and destroying the label.

The label contains the vehicle's emission specifications and vacuum hose routings. All hoses must be connected and routed according to the label.